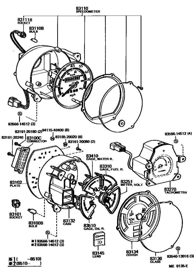
METER

83100BBULB, COMBINATION METER, NO.1
24V 1.4W,24V 1.4W
12V 3.4W,12V 3.4W
24V 3W,24V 3W
83100CCONNECTOR, COMBINATION METER
83101SOCKET SUB-ASSY, COMBINATION METER BULB
BULB:24V 3W
BULB:24V 3W
BULB:24V 1.4W
83102PLATE SUB-ASSY, COMBINATION METER CIRCUIT, NO.1
83110SPEEDOMETER ASSY
83110BBULB, SPEEDOMETER
12V 3.4W
24V 3W
83111BSOCKET SUB-ASSY, SPEEDOMETER BULB
83134COVER, COMBINATION METER, NO.1
83136GLASS, GAGE METER
83251METER, VOLTAGE
83270TACHOMETER ASSY, ENGINE
83310GAGE ASSY, FUEL RECEIVER
83410GAGE ASSY, WATER TEMPERATURE RECEIVER
83510GAGE ASSY, OIL PRESSURE RECEIVER
8316120080CASE, COMBINATION METER MIRROR, NO.1
main83161-20080
8316120180CASE, COMBINATION METER MIRROR, NO.1
main83161-20180
8316120240CASE, COMBINATION METER MIRROR, NO.1
main83161-20240
8316520020MIRROR, COMBINATION METER, NO.2
main83165-20020
9354013016
main93540-13016
9356014012
main93560-14012
9356614512
main93566-14512
9411540400
main94115-40400
24 parts on this diagram · 2 diagrams in section