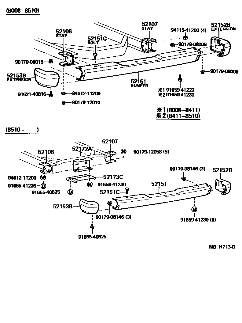
REAR BUMPER & BUMPER STAY

52107STAY SUB-ASSY, REAR BUMPER, RH
52108STAY SUB-ASSY, REAR BUMPER, LH
52151BUMPER ASSY, REAR
CHROME
CHROME
52151CBOLT, ROUND HEAD SQUARE NECK(FOR REAR BUMPER)
52152BEXTENSION, REAR BUMPER, RH
52153BEXTENSION, REAR BUMPER, LH
52172AREINFORCEMENT, REAR BUMPER BAR, CENTER
52173CREINFORCEMENT, REAR BUMPER, NO.3
9017908009
main90179-08009
9017908015
main90179-08015
9017908146
main90179-08146
9017912010
main90179-12010
9017912058
main90179-12058
9162140816
main91621-40816
9165540825
main91655-40825
9165541235
main91655-41235
9165941222
main91659-41222
9165941230
main91659-41230
9411541200
main94115-41200
9461211200
main94612-11200
20 parts on this diagram · 1 diagram in section