E
EPC Data

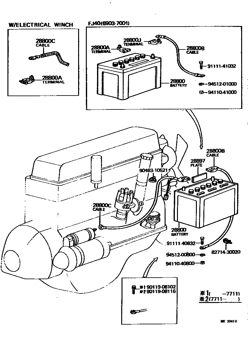
BATTERY & BATTERY CABLE

Parts diagram
28800BATTERY
main28800-30051i196903-197101
N50,N50,KOBE
main28800-30052i197602-197901
N50,N50,KOBE
main28800-30081i196903-197006
N50,N50,GS
main28800-30082i197602-197901
48D26R,N50,GS
main28800-46011×2i197803-197904
75D31R,N70Z,GS
main28800-46012×2i197904-198007
75D31R,N70Z,GS
main28800-61010i197909-198007
N70Z,GS,MFB
28800ATERMINAL, BATTERY POSITIVE
main90982-05001i196903-197001
main99142-87175i197910-198007
FOR ELECTRICAL WINCH
28800BCABLE, BATTERY TO GROUND
main90982-02006i196903-198007
main90982-02014i196903-197001
main90982-02065i197001-198007
main90982-02103i197803-198007
main90982-02174i197901-198007
W/COOLER
28800CCABLE, BATTERY TO STARTER(FOR BATTERY TO MAIN SWITCH)
main82046-90302i197910-198007
FOR ELECTRICAL WINCH
main90982-01012i196903-197001
main90982-01038i196903-197001
main90982-01097i197001-197109
main90982-01128i197209-198007
main90982-01129i197209-198007
main90982-01168i197803-197901
main90982-01309i197901-198007
main90982-01342i197910-198007
FOR ELECTRICAL WINCH
28800JTERMINAL, BATTERY NEGATIVE
main90982-06001i196903-197001
28897PLATE, BATTERY CAUTION
main28897-26010i197501-197601
main28897-38010i197901-198007
main28897-45010i197602-197909
8271430020
9011908102
9011908116
9046310521
9111140832
9111141032
9411040800
9411041000
9451200800
9451201000

16 parts on this diagram · 2 diagrams in section

BATTERY & BATTERY CABLE — Toyota Parts Diagram with OEM Numbers & Prices | EPC Data