E
EPC Data

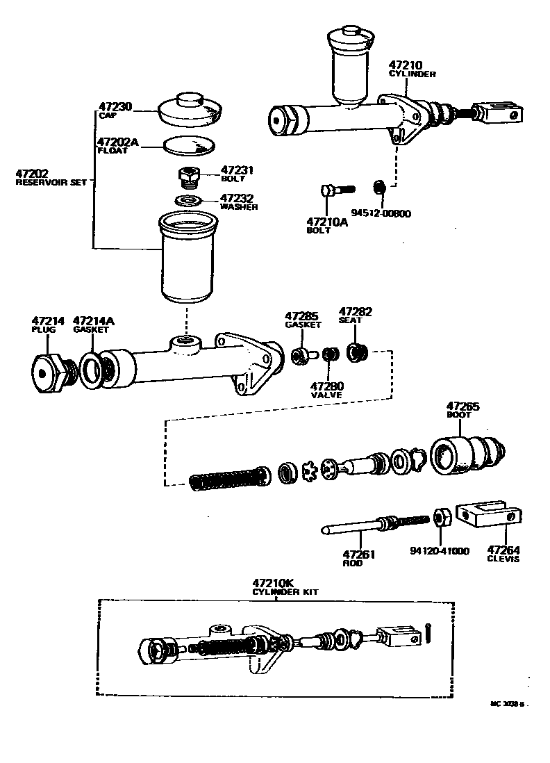
BRAKE MASTER CYLINDER

Parts diagram
47202RESERVOIR SUB-ASSY, BRAKE MASTER CYLINDER
main47202-20030i197303-197501
main47202-22020i197007-197303
main47202-30010i196903-197007
main47202-60010i197501-198007
47202AFLOAT, MASTER CYLINDER RESERVOIR
main31426-22011i197007-197303
main31426-30011i196903-197007
47210CYLINDER ASSY, MASTER, W/O BOOSTER
main47200-35011i196903-197007
main47200-35021i196903-197007
main47201-60010i197007-197501
main47201-60030i197501-197509
main47201-60040i197606-198007
main47201-60050i197509-198007
47210ABOLT OR STUD BOLT(FOR BRAKE MASTER CYLINDER SETTING)
main91111-40825×3i196903-197007
47210KCYLINDER KIT, BRAKE MASTER
main04471-35014i196903-197007
main04493-35010i197007-197501
main04493-60020i197501-197509
main04493-60030i197606-198007
main04493-60040i197509-198007
47214PLUG, MASTER CYLINDER
main47214-25011i196903-197007
main47214-35011i196903-197007
main47214-36030i197606-197709
47214AGASKET(FOR MASTER CYLINDER CAP)
main90430-32052i196903-197007
main90430-34017i197606-197709
47230CAP ASSY, BRAKE MASTER CYLINDER RESERVOIR FILLER
main47230-12011i196903-197007
main47230-20030i197501-198007
main47230-22010i197007-197501
47231BOLT, BRAKE MASTER CYLINDER RESERVOIR SET
main47231-30010×2i197306-198007
main47231-35010×2i196903-197306
47232WASHER, BRAKE RESERVOIR SET BOLT
main47232-30010×2i197306-197501
main47232-35010×2i196903-197306
47261ROD, MASTER CYLINDER PUSH
main47261-35020i196903-197007
47264CLEVIS, MASTER CYLINDER PUSH ROD
main47264-35010i197901-198007
FOR SINGLE BOOSTER
main47264-60010i197509-198007
FOR TANDEM BOOSTER
47265BOOT, MASTER CYLINDER
main47265-20050i197509-198007
main47265-35011i196903-197007
main47265-35020i197501-197509
47280VALVE ASSY, BRAKE MASTER CYLINDER OUTLET CHECK
main47280-10011i197007-197306
main47280-20020i197509-198007
main47280-30010i197306-197501
main47280-35010i197606-198007
main47281-55010i196903-197007
47282SEAT, OUTLET CHECK VALVE SEAT
main47282-55010i196903-197007
47285GASKET, OUTLET CHECK VALVE SEAT
main47285-35011i196903-197007
9412041000
9451200800

18 parts on this diagram · 6 diagrams in section

BRAKE MASTER CYLINDER — Toyota Parts Diagram with OEM Numbers & Prices | EPC Data