E
EPC Data

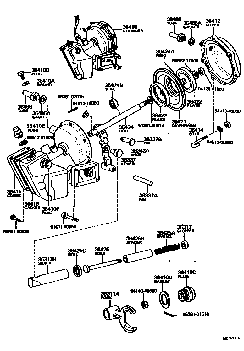
DIAPHRAGM CYLINDER & TRANSFER VACUUM ACTUATOR

Parts diagram
36311AFORK, TRANSFER GEAR SHIFT, NO.1
main36311-60020i196903-197709
36313HSHAFT, TRANSFER FRONT DRIVE SHIFT(FOR MAGNET TYPE)
main36313-60021i196903-197709
36317STOPPER, SHIFT SHAFT
main36317-60010i196903-197709
36337LEVER, FRONT DRIVE SHIFT LINK
main36337-60011i196903-197709
36337APIN, STRAIGHT (FOR FRONT DRIVE SHIFT LINK LEVER)
main90250-08108i196903-197709
36337BPIN, W/HOLE (FOR FRONT DRIVE SHIFT LINK LEVER)
main90240-08028i196903-197709
36343ASHOE, FR DRIVE SHIFT LINK LEVER (FOR VACUUM MAGNET TYPE)
main36343-60010i196903-197709
36410CYLINDER ASSY, DIAPHRAGM
main36410-60011i196903-197709
36410AGASKET (FOR DIAPHRAGM CYLINDER)
main90430-06021i196903-197709
36410BPLUG, W/HEAD STRAIGHT SCREW
main90341-06001i196903-197709
36410CPLUG, W/HEAD(FOR TRANSFER FRONT DRIVE SHIFT SHAFT)
main90341-26026i196903-196908
main90341-26052i196908-197709
ISO
36410DGASKET(FOR TRANSFER FRONT DRIVE SHIFT SHAFT)
main90430-26020i196903-197709
36410EPLUG, BREATHER(FOR DIAPHRAGM CYLINDER)
main90930-03019i196903-197709
36410FPLUG, EXPANSION(FOR DIAPHRAGM CYLINDER)
main96412-02200i196903-197709
36412COVER, DIAPHRAGM CYLINDER BODY
main36412-60011i196903-197709
36414BOLT, DIAPHRAGM CYLINDER
main36414-60010×6i196903-197709
36415COVER, DIAPHRAGM CYLINDER
main36415-60010i196903-197709
36416GASKET, DIAPHRAGM CYLINDER
main36416-60010i196903-197709
36421DIAPHRAGM, TRANSFER
main36421-60010i196903-197709
36422PLATE, TRANSFER DIAPHRAGM
main36422-60010×2i196903-197709
36424ROD, DIAPHRAGM PUSH
main36424-60011i196903-197709
36424ARING, O (FOR DIAPHRAGM PUSH ROD)
main90301-10024i196903-197104
main96710-02010i197104-197709
36424BSEAL, TYPE T, OIL (FOR DIAPHRAGM PUSH ROD)
main90311-13066i196903-197709
36425BOLT, PUSH ROD
main36425-60010i196903-197709
36425ASPRING, COMPRESSION (FOR DIAPHRAGM CYLINDER)
main90501-20029i196903-197709
36425BSPACER (FOR DIAPHRAGM CYLINDER)
main90560-12074i196903-197709
36425CSEAL, DUST (FOR DIAPHRAGM CYLINDER)
main90303-23019i196903-197709
36486TUBE, SUCTION
main36486-60010×2i196903-197709
36486AGASKET (FOR SUCTION TUBE)
main90430-10022×2i196903-197709
9020110014
9161140820
9161140850
9411040600
9412041000
9414040600
9451200600
9451201000
9461210800
9461211000
9538101610
9538102015

41 parts on this diagram · 1 diagram in section

DIAPHRAGM CYLINDER & TRANSFER VACUUM ACTUATOR — Toyota Parts Diagram with OEM Numbers & Prices | EPC Data