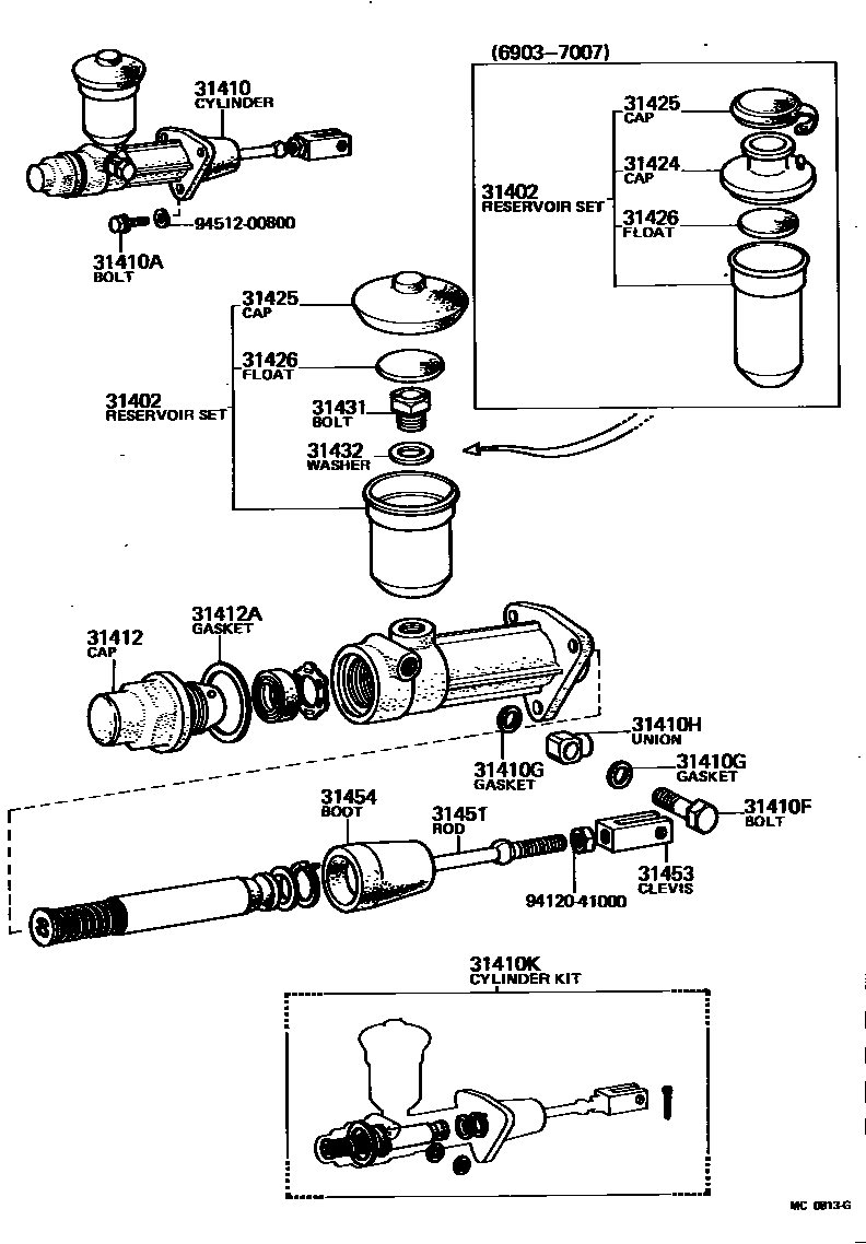
CLUTCH MASTER CYLINDER

31410FBOLT, UNION(FOR CLUTCH MASTER CYLINDER)
31410GGASKET(FOR CLUTCH MASTER CYLINDER UNION)
31410HUNION(FOR CLUTCH MASTER CYLINDER)
31412CAP, CLUTCH MASTER CYLINDER
31412AGASKET(FOR CLUTCH MASTER CYLINDER CAP)
31424CAP, RESERVOIR(FOR CLUTCH MASTER CYLINDER)
31426FLOAT, CLUTCH MASTER CYLINDER RESERVOIR
31432WASHER, CLUTCH RESERVOIR SET BOLT
31451ROD, CLUTCH MASTER CYLINDER PUSH
31453CLEVIS, CLUTCH MASTER CYLINDER PUSH ROD
31454BOOT, CLUTCH MASTER CYLINDER
9412041000
main94120-41000
9451200800
main94512-00800
19 parts on this diagram · 2 diagrams in section