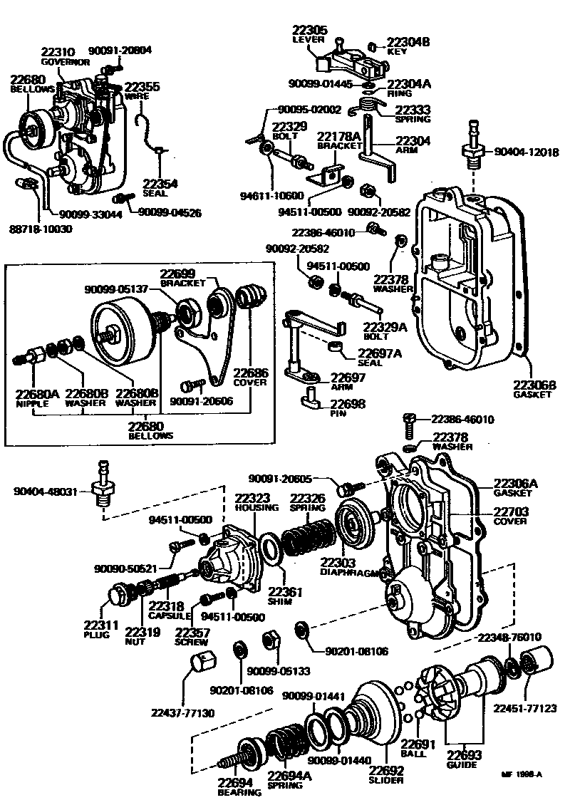
PNEUMATIC GOVERNOR

22178ABRACKET, DIAPHRAGM CONNECTING
22303DIAPHRAGM SUB-ASSY, GOVERNOR
22304LEVER SUB-ASSY, INJECTION PUMP, NO.3
22304ARING, O(FOR NO.3 LEVER)
22304BKEY(FOR NO.3 LEVER)
22305LEVER SUB-ASSY, INJECTION PUMP, NO.1
22306AGASKET(FOR GOVERNOR HOUSING)
22306BGASKET(FOR INJECTION PUMP HOUSING)
22310GOVERNOR ASSY, INJECTION PUMP
22311PLUG, DIAPHRAGM HOUSING SEALING SCREW
22318CAPSULE, IDLING
22319NUT, GOVERNOR IDLING SPRING SET
22323HOUSING, GOVERNOR DIAPHRAGM
22326SPRING, GOVERNOR MAIN
22329BOLT, DIAPHRAGM CONNECTING
22329ABOLT, DIAPHRAGM CONNECTING, NO.2
22333SPRING, DIAPHRAGM STOP LEVER RETURN
22354SEAL, LEAD
22355WIRE, GOVERNOR HOUSING SEAL
22357SCREW, DIAPHRAGM HOUSING SET
22361SHIM, MAIN SPRING
T=3.0,T=3.0
T=2.0,T=2.0
T=1.0,T=1.0
T=0.5,T=0.5
22378WASHER, DRAIN SCREW
22680BELLOWS ASSY, PNEUMATIC
22680ANIPPLE SUB-ASSY, OVERFLOW(FOR PNEUMATIC BELLOWS)
22680BWASHER(FOR PNEUMATIC BELLOWS)
22686COVER, PNEUMATIC BELLOWS
22691BALL, SPEED CONTROL
22692SLIDER(FOR SPEED CONTROL)
22693GUIDE, BALL
22694BEARING SUB-ASSY
22694ASPRING, SPEED CONTROL
22697ARM SUB-ASSY
22697ASEAL, OIL(FOR NO.3 LEVER)
22698PIN, SHIFTING
22699BRACKET SUB-ASSY, ADJUSTING
22703COVER, GOVERNOR
2234876010BUSH, GEAR SHAFT
main22348-76010
2238646010SCREW(FOR INJECTION PUMP GOVERNOR)
main22386-46010
2243777130ARM, SPRING
main22437-77130
2245177123ADAPTER
main22451-77123
8871810030PIPE, COOLER REFRIGERANT SUCTION, NO.2
main88718-10030
9009050521
main90090-50521
9009120605
main90091-20605
9009120606
main90091-20606
9009120804
main90091-20804
9009220582
main90092-20582
9009502002
main90095-02002
9009901440
main90099-01440
9009901441
main90099-01441
9009901445
main90099-01445
9009904526
main90099-04526
9009905133
main90099-05133
9009905137
main90099-05137
9009933044
main90099-33044
9020108106
main90201-08106
9040412018
main90404-12018
9040448031
main90404-48031
9451100500
main94511-00500
9461110600
main94611-10600
59 parts on this diagram · 1 diagram in section