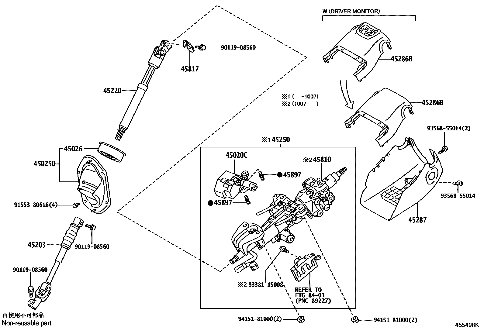
STEERING COLUMN & SHAFT

45020CACTUATOR ASSY, STEERING LOCK(W/ECU)
45025DCOVER SUB-ASSY, STEERING COLUMN HOLE, NO.1
45026COVER SUB-ASSY, STEERING COLUMN HOLE, NO.2
45203SHAFT SUB-ASSY, STEERING INTERMEDIATE, NO.2
45220SHAFT ASSY, STEERING INTERMEDIATE
45250COLUMN ASSY, STEERING
45286BCOVER, STEERING COLUMN, UPR
BLACK,TRIM2#,4#
SEPIA,TRIM0#
BLACK,TRIM0#,1#,2#,4#; BLACK,TRIM0#,2#,4#
PRE-COLLISION SYSTEM-WITH(*DMO & *MRT),BLACK,TRIM2#,4#
PRE-COLLISION SYSTEM-WITH(*DMO & *MRT),SEPIA,TRIM0#
45287COVER, STEERING COLUMN, LWR
BLACK,TRIM2#,4#
SEPIA,TRIM0#
BLACK,TRIM0#,1#,2#,4#; BLACK,TRIM0#,2#,4#
45810GEAR ASSY, TILT STEERING, W/MOTOR
45817STOPPER, STEERING SHAFT THRUST
45897BOLT, STEERING LOCK SET
8401SWITCH & RELAY & COMPUTER
9011908560
main90119-08560
9155380616
main91553-80616
9338115008
main93381-15008
9356855014
main93568-55014
9415181000
main94151-81000
17 parts on this diagram · 2 diagrams in section