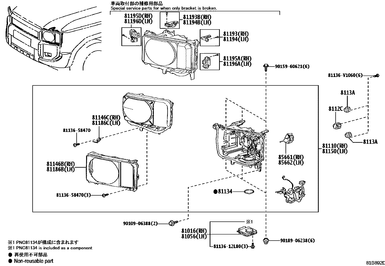
HEADLAMP

81016COMPUTER SUB-ASSY, HEADLAMP, RH NO.1
HIGH GRADE PACKAGE FOR ADV&FIRST EDITION PACKAGE
81056COMPUTER SUB-ASSY, HEADLAMP, LH NO.1
HIGH GRADE PACKAGE FOR ADV&FIRST EDITION PACKAGE
81110HEADLAMP ASSY, RH
HIGH GRADE PACKAGE FOR ADV&FIRST EDITION PACKAGE
8112CSOCKET, HEADLAMP CLEARANCE LED
HIGH GRADE PACKAGE FOR ADV&FIRST EDITION PACKAGE
81134GASKET, HEADLAMP
8113ALED, HEADLAMP FRONT TURN SIGNAL
HIGH GRADE PACKAGE FOR ADV&FIRST EDITION PACKAGE
81146BFITTING, HEADLAMP, NO.1 RH
HIGH GRADE PACKAGE FOR ADV&FIRST EDITION PACKAGE
81146CFITTING, HEADLAMP, NO.2 RH
HIGH GRADE PACKAGE FOR ADV&FIRST EDITION PACKAGE
81150HEADLAMP ASSY, LH
HIGH GRADE PACKAGE FOR ADV&FIRST EDITION PACKAGE
81186BFITTING, HEADLAMP, NO.1 LH
HIGH GRADE PACKAGE FOR ADV&FIRST EDITION PACKAGE
81186CFITTING, HEADLAMP, NO.2 LH
HIGH GRADE PACKAGE FOR ADV&FIRST EDITION PACKAGE
81193RETAINER, HEADLAMP PROTECTOR, UPPER RH
81193BRETAINER, HEADLAMP PROTECTOR, UPPER RH NO.2
81194RETAINER, HEADLAMP PROTECTOR, UPPER LH
81194BRETAINER, HEADLAMP PROTECTOR, UPPER LH NO.2
81195ARETAINER, HEADLAMP PROTECTOR, LOWER RH
81195DRETAINER, HEADLAMP PROTECTOR, LOWER RH NO.2
81196ARETAINER, HEADLAMP PROTECTOR, LOWER LH
81196DRETAINER, HEADLAMP PROTECTOR, LOWER LH NO.2
85661MOTOR, HEADLAMP LEVELING, RH
HIGH GRADE PACKAGE FOR ADV&FIRST EDITION PACKAGE
85662MOTOR, HEADLAMP LEVELING, LH
HIGH GRADE PACKAGE FOR ADV&FIRST EDITION PACKAGE
8113612L80PROTECTOR, HEADLAMP, NO.1 RH
main81136-12L80
8113658470PROTECTOR, HEADLAMP, NO.1 RH
main81136-58470
81136V1060PROTECTOR, HEADLAMP, NO.1 RH
main81136-V1060
9010906388
main90109-06388
9015960621
main90159-60621
9018906238
main90189-06238
27 parts on this diagram · 2 diagrams in section