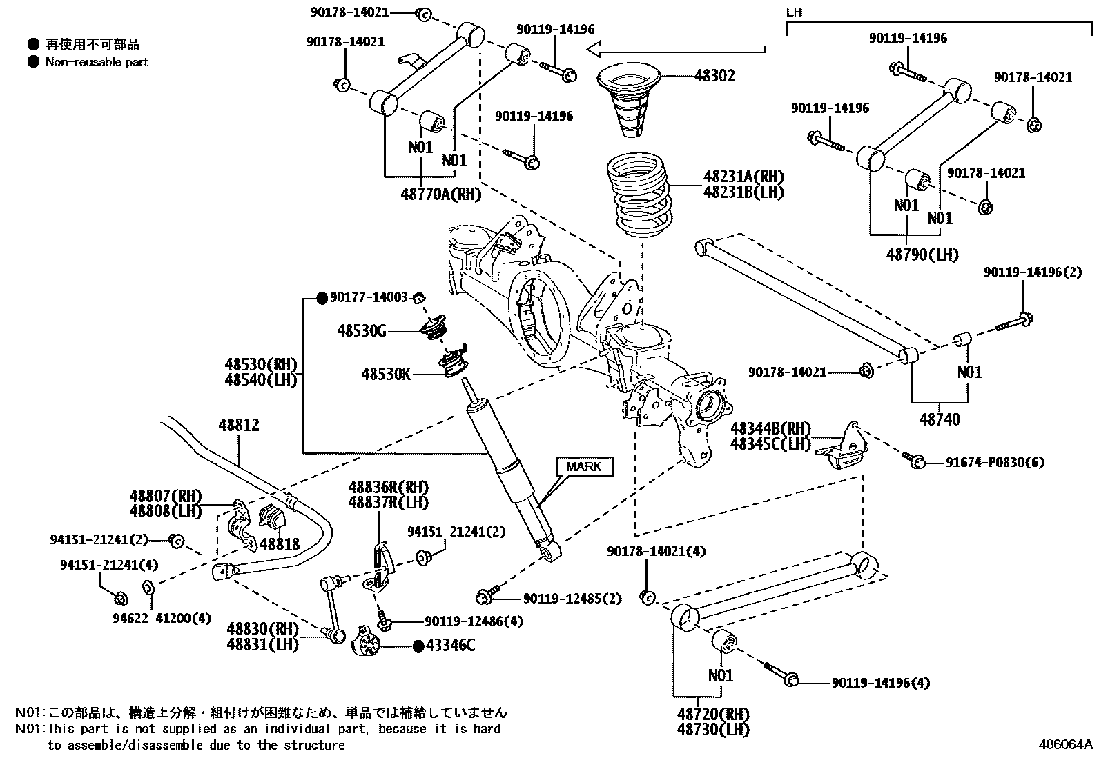
REAR SPRING & SHOCK ABSORBER

43346CPROTECTOR, LOWER BALL JOINT DUST COVER
48231ASPRING, COIL, REAR RH
TIRE & DISC WHEEL-265/60R20, 7.5J, ALUMINUM, AD&MOON ROOF-WITH
TIRE & DISC WHEEL-265/60R20, 7.5J, ALUMINUM, AD
MOON ROOF-WITH
MOON ROOF-WITH&REAR SEAT-6:4 TUMBLE & 5:5
TIRE & DISC WHEEL-265/60R20, 7.5J, ALUMINUM, AD&MOON ROOF-WITH&REAR SEAT-6:4 TUMBLE & 5:5
48231BSPRING, COIL, REAR LH
TIRE & DISC WHEEL-265/60R20, 7.5J, ALUMINUM, AD&MOON ROOF-WITH
TIRE & DISC WHEEL-265/60R20, 7.5J, ALUMINUM, AD
MOON ROOF-WITH
MOON ROOF-WITH&REAR SEAT-6:4 TUMBLE & 5:5
TIRE & DISC WHEEL-265/60R20, 7.5J, ALUMINUM, AD&MOON ROOF-WITH&REAR SEAT-6:4 TUMBLE & 5:5
48302SPRING SUB-ASSY, HOLLOW
48344BSTOPPER, BUMPER, REAR RH
48345CSTOPPER, BUMPER, REAR LH
48530ABSORBER ASSY, SHOCK, REAR RH
MARK 48530-60600
48530GCUSHION, REAR SHOCK ABSORBER, NO.1
48530KCUSHION, REAR SHOCK ABSORBER, NO.2
48540ABSORBER ASSY, SHOCK, REAR LH
MARK 48530-60600
48720ARM ASSY, LOWER CONTROL, RH
48730ARM ASSY, LOWER CONTROL, LH
48740ROD ASSY, REAR LATERAL CONTROL
48770AARM ASSY, UPPER CONTROL, REAR RH
48790ARM ASSY, UPPER CONTROL, REAR LH
48807BRACKET, REAR STABILIZER BAR, RH
48808BRACKET, REAR STABILIZER BAR, LH
48812BAR, STABILIZER, REAR
48818BUSH, STABILIZER, REAR
48830LINK ASSY, REAR STABILIZER
48831LINK, REAR STABILIZER, NO.2
48836RBRACKET, REAR STABILIZER END, RH
48837RBRACKET, REAR STABILIZER END, LH
9011912485
main90119-12485
9011912486
main90119-12486
9011914196
main90119-14196
9017714003
main90177-14003
9017814021
main90178-14021
91674P0830
main91674-P0830
9415121241
main94151-21241
9462241200
main94622-41200
31 parts on this diagram · 1 diagram in section