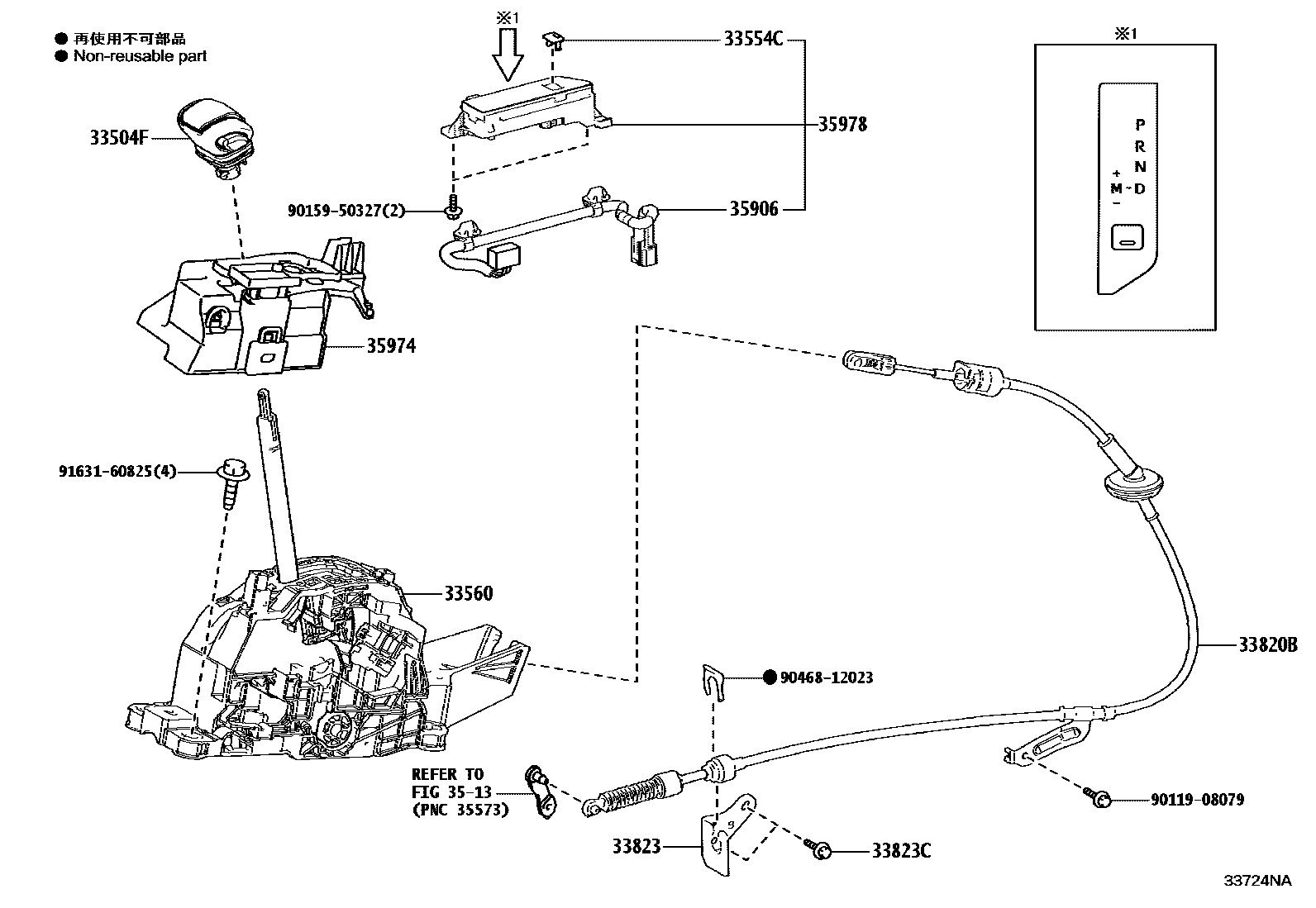
SHIFT LEVER & RETAINER

33504FKNOB SUB-ASSY, SHIFT LEVER
BLACK,TRIM2#,4#; STEERING WHEEL-LEATHER & WITH(STEERING HEATER),BLACK,TRIM2#
33554CCOVER, SHIFT LOCK RELEASE BUTTON
33560UNIT ASSY, SHIFT LOCK CONTROL
33820BCABLE ASSY, TRANSMISSION CONTROL
33823BRACKET, TRANSMISSION CONTROL CABLE, NO.1
33823CBOLT (FOR TRANSMISSION CONTROL CABLE BRACKET)
3513THROTTLE LINK & VALVE LEVER (ATM)
35906WIRE SUB-ASSY, INDICATOR LAMP
35974HOUSING, POSITION INDICATOR, LOWER
35978INDICATOR, SHIFT POSITION
9011908079
main90119-08079
9015950327
main90159-50327
9046812023
main90468-12023
9163160825
main91631-60825
14 parts on this diagram · 1 diagram in section