E
EPC Data

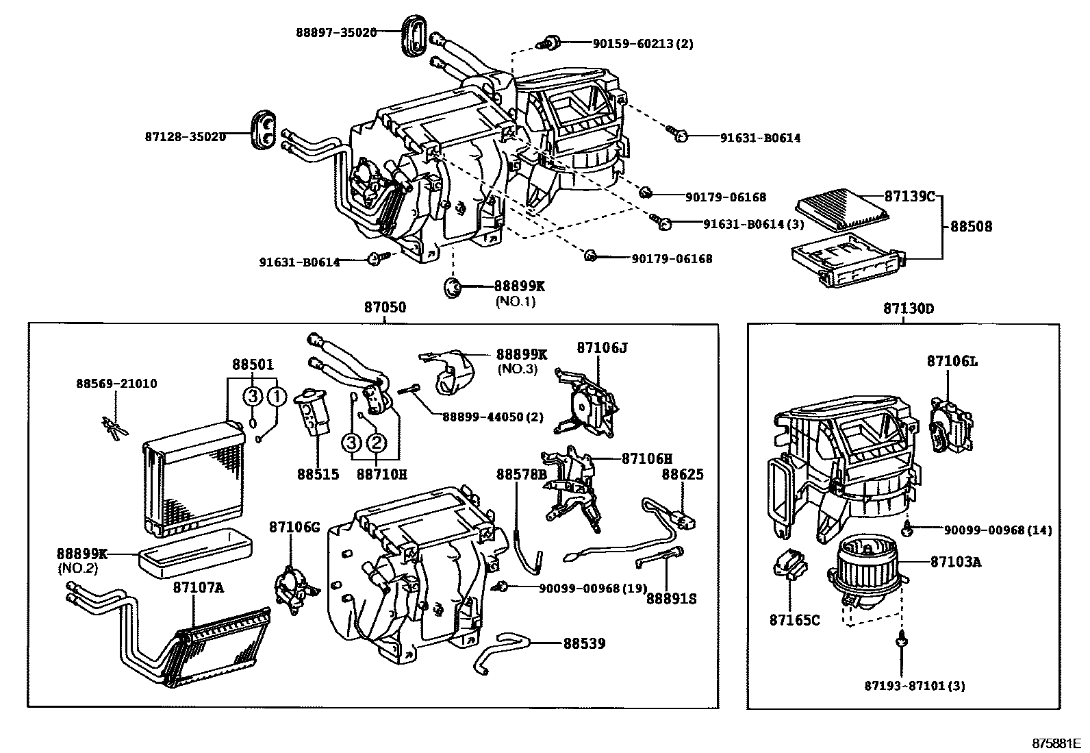
HEATING & AIR CONDITIONING - COOLER UNIT

Parts diagram
87050RADIATOR ASSY, AIR CONDITIONER
main87050-60012i200402-200508
main87050-60200i200508-200908
main87050-60370supersedes 87050-60011i200601-200908
REAR SEAT-REMOVABLE
87103AMOTOR SUB-ASSY, COOLING UNIT, W/FAN
main87103-35040i200211-200309
main87103-35060i200309-200707
main87103-60330i200707-200908
87106GSERVO SUB-ASSY, DAMPER(FOR BLOWER)
main87106-35130i200211-200309
main87106-35170i200402-200908
87106HSERVO SUB-ASSY, DAMPER(FOR AIRMIX)
main87106-35140i200211-200309
main87106-35180i200402-200908
87106JSERVO SUB-ASSY, DAMPER(FOR MODE)
main87106-35120i200211-200309
87106LSERVO SUB-ASSY, DAMPER
main87106-35150i200211-200908
87107AUNIT SUB-ASSY, HEATER RADIATOR
main87107-35100i200211-200309
87130DBLOWER ASSY
main87130-35150i200211-200410
main87130-35151i200411-200707
main87130-60540i200707-200807
main87130-60541i200808-200908
87139CFILTER, CLEAN AIR
main87139-32010i200405-200908
main87139-33010i200211-200404
87165CCONTROL, BLOWER MOTOR
main87165-13010i200211-200908
88501EVAPORATOR SUB-ASSY, COOLER, NO.1
main88501-35100i200211-200309
main88501-35130i200402-200508
main88501-60300i200508-200805
main88501-60430i200806-200908
88508FILTER SUB-ASSY, CLEAN AIR
main88508-60010i200211-200404
main88508-60011i200405
88515VALVE, COOLER EXPANSION
main88515-60190i200411-200908
main88515-60200supersedes 88515-60150i200601-200908
REAR SEAT-REMOVABLE
88539HOSE, COOLER UNIT DRAIN, NO.1
main88539-35030i200402-200508
FRONT
main88539-60220supersedes 88539-35030i200211-200908
REAR SEAT-REMOVABLE,REAR
88578BPACKING, COOLING UNIT, NO.1
main88578-60290supersedes 88578-35170i200707-200908
REAR SEAT-REMOVABLE
88625THERMISTOR, COOLER, NO.1
main88625-35050i200211-200309
main88625-35090i200402-200508
main88625-60190i200508-200908
88710HTUBE & ACCESSORY ASSY, AIR CONDITIONER
main88710-35520i200211-200410
main88710-6B370i200411-200908
88891SCOVER, COOLER, NO.1
main88891-35020i200211-200402
main88891-35050i200402-200508
88899KPLATE, COVER
main88899-3A010i200211-200908
NO.1
main88899-60250i200211-200508
NO.2
main88899-60260i200211-200508
NO.3
8712835020GROMMET, HEATER
8719387101
8856921010CLAMP (FOR COOLER RELAY)
8889735020VALVE, COOLER MAGNET
8889944050COVER, EVAPORATOR
9009900968
9015960213
9017906168
91631B0614

28 parts on this diagram · 3 diagrams in section

HEATING & AIR CONDITIONING - COOLER UNIT — Toyota Parts Diagram with OEM Numbers & Prices | EPC Data