E
EPC Data

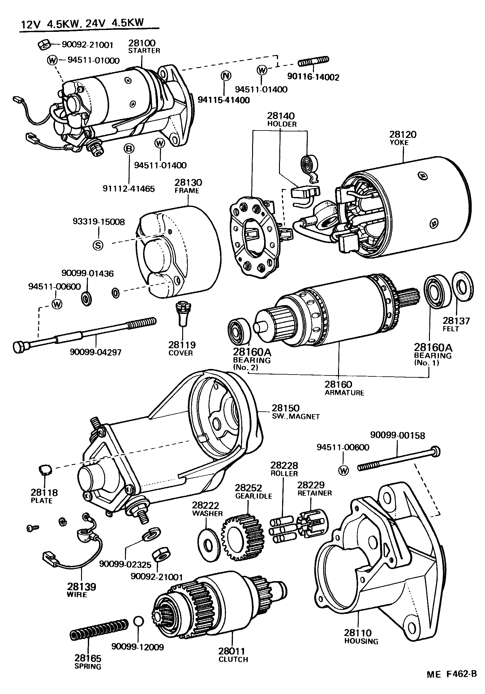
STARTER

Parts diagram
28011CLUTCH SUB-ASSY, STARTER
main28011-54010i198411-198707
12V 2.5KW,24V 4.5KW
28100STARTER ASSY
main28100-56180i198510-198608
24V 4.5KW
main28100-56181i198608-198707
24V 4.5KW,24V 4.5KW
main28100-56190i198411-198510
12V 2.5KW
28110HOUSING ASSY, STARTER DRIVE
main28115-56180i198411-198707
12V 2.5KW,24V 4.5KW
28118PLATE(FOR STARTER YOKE)
main28118-77090i198411-198707
12V 2.5KW,24V 4.5KW
28119COVER, STARTER END FRAME
main28119-77090i198411-198702
12V 2.5KW,24V 4.5KW
main28199-77090i198702-198707
12V 2.5KW,24V 4.5KW
28120YOKE ASSY, STARTER
main28120-47040i198411-198510
12V 2.5KW
main28120-77090i198510-198707
24V 4.5KW
28130FRAME ASSY, STARTER COMMUTATOR END
main28130-54010i198411-198707
12V 2.5KW,24V 4.5KW
28137WASHER, FELT, STARTER
main90099-02205i198411-198707
12V 2.5KW,24V 4.5KW
28139WIRE, LEAD, NO.1(FOR STARTER)
main28139-47070i198411-198608
12V 2.5KW,24V 4.5KW
main28139-77110i198608-198707
24V 4.5KW
28140HOLDER ASSY, STARTER BRUSH
main28140-77090i198411-198707
12V 2.5KW,24V 4.5KW
28150SWITCH ASSY, MAGNET STARTER
main28150-56180i198510-198608
24V 4.5KW
main28150-56181i198608-198707
24V 4.5KW
main28150-56190i198411-198510
12V 2.5KW
28160ARMATURE ASSY, STARTER
main28160-47040i198411-198510
12V 2.5KW
main28160-77090i198510-198707
24V 4.5KW
28160ABEARING, STARTER ARMATURE
main90099-10107i198411-198707
12V 2.5KW,24V 4.5KW,NO.1
main90099-10119i198411-198707
12V 2.5KW,24V 4.5KW,NO.2
28165SPRING, STARTER MAGNET SWITCH RETURN
main28165-77090i198411-198707
12V 2.5KW,24V 4.5KW
28222WASHER, STARTER IDLE GEAR CLUTCH
main28222-77090i198411-198707
12V 2.5KW,24V 4.5KW
28228ROLLER, STARTER IDLE GEAR CLUTCH
main28228-56080×5i198411-198707
12V 2.5KW,24V 4.5KW
28229RETAINER, STARTER IDLE GEAR
main28229-56080i198411-198707
12V 2.5KW,24V 4.5KW
28252GEAR, STARTER IDLE
main28254-77090i198411-198707
12V 2.5KW,24V 4.5KW
9009221001
9009900158
9009901436
9009902325
9009904297
9009912009
9011614002
9111241465
9331915008
9411541400
9451100600
9451101000
9451101400

31 parts on this diagram · 1 diagram in section

STARTER — Toyota Parts Diagram with OEM Numbers & Prices | EPC Data