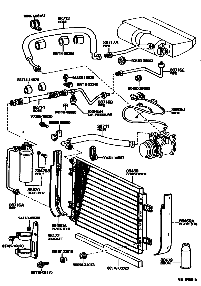
HEATING & AIR CONDITIONING - COOLER PIPING

88460CONDENSER ASSY, COOLER
88460ACOVER, COOLER CONDENSER
RH
LH
88470RECEIVER & DRYER ASSY, COOLER
88470BBOLT, FUSE
88472BRACKET, RECEIVER TANK, NO.1
88479FREON GAS, AIR CONDITIONER (DRUM, COOLER REFRIGERANT)
400G
88605JHARNESS SUB-ASSY, AIR CONDITIONER WIRING
88645HSWITCH, PRESSURE NO.1
88711HOSE, COOLER REFRIGERANT DISCHARGE, NO.1
88712HOSE, COOLER REFRIGERANT SUCTION, NO.1
88714HOSE, COOLER REFRIGERANT LIQUID, NO.1
88716APIPE, COOLER REFRIGERANT LIQUID, A
88716BPIPE, COOLER REFRIGERANT LIQUID, B
88716EPIPE, COOLER REFRIGERANT LIQUID, E
88717APIPE, COOLER REFRIGERANT SUCTION, A
8846722010CUSHION, COOLER CONDENSER, NO.1
main88467-22010
8857860020PAKING, COOLER AIR DUCT
main88578-60020
8868860080BRACKET, COOLER DIAPHRAGM
main88688-60080
8871414020HOSE, COOLER REFRIGERANT LIQUID, NO.1
main88714-14020
8871430290HOSE, COOLER REFRIGERANT LIQUID, NO.1
main88714-30290
8871822240PIPE, COOLER REFRIGERANT SUCTION, NO.2
main88718-22240
9009932073
main90099-32073
9011908175
main90119-08175
9046108157
main90461-08157
9046110507
main90461-10507
9048026003
main90480-26003
9048036003
main90480-36003
9338516020
main93385-16020
9338518020
main93385-18020
9411040600
main94110-40600
30 parts on this diagram · 1 diagram in section