E
EPC Data

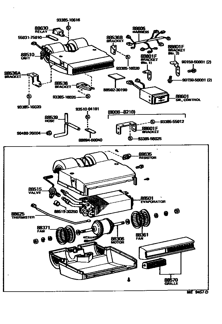
HEATING & AIR CONDITIONING - COOLER UNIT

Parts diagram
88306MOTOR SUB-ASSY, COOLER BLOWER, NO.1
main88550-60030i198008-198309
88361FAN, COOLER BLOWER, NO.1
main88541-10010i198008-198309
88371FAN, COOLER BLOWER, NO.2
main88541-10020i198008-198309
88501EVAPORATOR SUB-ASSY, COOLER, NO.1
main88501-30531i198008-198309
88510UNIT ASSY, COOLER
main88510-60080i198008-198309
88515VALVE, COOLER EXPANSION
main88515-12051i198008-198309
88536BRACKET, COOLING UNIT, NO.1
main88536-60120i198008-198309
88536ABRACKET, COOLING UNIT, NO.2
main88536-60160i198008-198210
LH
main88536-60161i198210-198309
LH
88536BBRACKET, COOLING UNIT, NO.3
main88536-60170i198008-198309
RH
88539HOSE, COOLER UNIT DRAIN, NO.1
main88539-30250i198210-198309
main88539-30520i198008-198210
88570GRILLE SUB-ASSY, COOLER AIR OUTLET
main88570-55020i198008-198309
88601SWITCH SUB-ASSY, COOLER CONTROL
main88610-60050i198008-198309
88601FBRACKET, COOLER CONTROL SWITCH
main88688-60020i198008-198210
main88688-60150i198210-198309
NO.1
main88688-60160i198210-198309
NO.2
88605HARNESS SUB-ASSY, COOLER WIRING, NO.1
main88605-60270i198210-198309
main88605-60300i198008-198210
88625THERMISTOR, COOLER, NO.1
main88625-60020i198008-198309
88630RELAY ASSY, COOLER
main88630-60020i198008-198309
88635RESISTOR, COOLER UNIT BLOWER
main88635-30370i198008-198309
5593175010CLAMP, HEATER CONTROL WIRE
8851930250HOLDER, REMOTE BULB
8859230190RETAINER (FOR COOLER UNIT BRACKET)
8889460040
9015950001
9048026004
9338510616
9338516020
9338555012
9338556025
9351004101

28 parts on this diagram · 1 diagram in section

HEATING & AIR CONDITIONING - COOLER UNIT — Toyota Parts Diagram with OEM Numbers & Prices | EPC Data