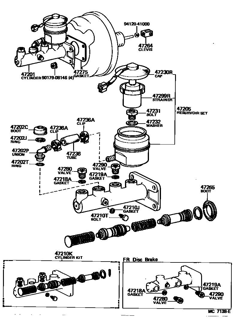
BRAKE MASTER CYLINDER

47201CYLINDER SUB-ASSY, BRAKE MASTER
sub47201-60220
47202CBOOT, RESERVOIR, NO.1(FOR BRAKE MASTER CYLINDER SIDE)
47202JRING, SNAP(FOR BRAKE MASTER CYLINDER SIDE)
47202PUNION, RESERVOIR(FOR BRAKE MASTER CYLINDER SIDE)
sub90407-10004
47202TRING(FOR BRAKE MASTER CYLINDER RESERVOIR, NO.1)
47205RESERVOIR SET, BRAKE MASTER CYLINDER(FOR REAR SIDE)
47210JGASKET(FOR MASTER CYLINDER)
47210KCYLINDER KIT, BRAKE MASTER
47210TBOLT(FOR BRAKE MASTER CYLINDER)
47218AGASKET(FOR FLUID OUTLET PLUG)
47219AGASKET(FOR FLUID OUTLET PLUG REAR SIDE)
47230RCAP ASSY, RESERVOIR, NO.2(FOR REAR SIDE)
47231BOLT, BRAKE MASTER CYLINDER RESERVOIR SET
47232WASHER, BRAKE RESERVOIR SET BOLT
47236TUBE, RESERVOIR BRAKE
47236ACLIP(FOR RESERVOIR TUBE)
sub96134-51500
47264CLEVIS, MASTER CYLINDER PUSH ROD
47265BOOT, MASTER CYLINDER
47275GASKET, BRAKE MASTER CYLINDER
47280VALVE ASSY, BRAKE MASTER CYLINDER OUTLET CHECK
sub47280-14010
47290VALVE ASSY, MASTER CYLINDER OUTLET(FOR REAR SIDE)
sub47280-14010
47299RSTRAINER, MASTER CYLINDER RESERVOIR, REAR
9017908146
main90179-08146
9412041000
main94120-41000
24 parts on this diagram · 1 diagram in section