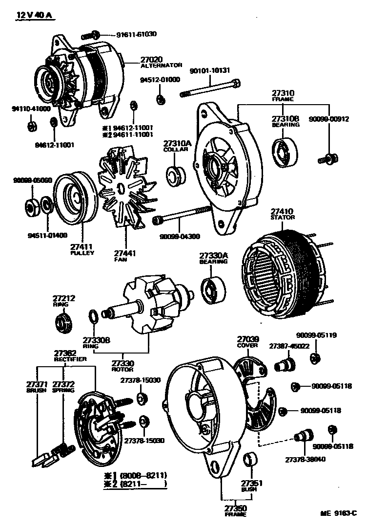
ALTERNATOR

27020ALTERNATOR ASSY
24V 20A
24V 20A,W/PS
24V 20A
12V 55A,12V 55A
12V 55A
12V 40A
27039COVER, ALTERNATOR REAR END
12V 55A
27212RING, SPACE(FOR ALTERNATOR ROTOR)
12V 40A
24V 20A
12V 55A
24V 20A
27310FRAME ASSY, DRIVE END, ALTERNATOR
12V 40A
12V 55A
12V 55A
24V 20A
24V 20A,W/PS
24V 20A
12V 55A
27310ACOLLAR OR NUT(FOR ALTERNATOR DRIVE END FRAME)
12V 40A,55A
24V 20A
24V 20A
27310BBEARING(FOR ALTERNATOR DRIVE END FRAME)
24V 20A
12V 55A
12V 40A
24V 20A
27330ROTOR ASSY, ALTERNATOR
12V 40A
12V 55A
24V 20A
24V 20A
27330ABEARING(FOR ALTERNATOR ROTOR)
12V 40A
12V 55A
27330BRING, SNAP(FOR ALTERNATOR ROTOR)
12V 40A
24V 20A
24V 20A
27350FRAME ASSY, RECTIFIER END
24V 20A
24V 20A
12V 40A
12V 55A
12V 55A
27351BUSH(FOR ALTERNATOR RECTIFIER END FRAME)
12V 40A,55A
24V 20A
27362RECTIFIER ASSY, W/BRUSH
12V 40A
12V 55A
12V 55A
27371BRUSH, ALTERNATOR
12V 40A; 12V 55A
24V 20A
27372SPRING, ALTERNATOR BRUSH
12V 40A; 12V 55A
24V 20A
27410STATOR ASSY, ALTERNATOR
12V 40A
12V 55A
24V 20A
27411PULLEY, ALTERNATOR
24V 20A
24V 20A
12V 40A; 12V 55A
27441FAN, ALTERNATOR
12V 40A
12V 55A
24V 20A
24V 20A
2737815030INSULATOR, ALTERNATOR, NO.1
main27378-15030
2737838040INSULATOR, ALTERNATOR, NO.1
main27378-38040
2738745022INSULATOR, TERMINAL
main27387-45022
9009900912
main90099-00912
9009904300
main90099-04300
9009905060
main90099-05060
9009905118
main90099-05118
9009905119
main90099-05119
9010110131
main90101-10131
9161161030
main91611-61030
9411041000
main94110-41000
9451101400
main94511-01400
9451201000
main94512-01000
9461111001
main94611-11001
9461211001
main94612-11001
32 parts on this diagram · 3 diagrams in section