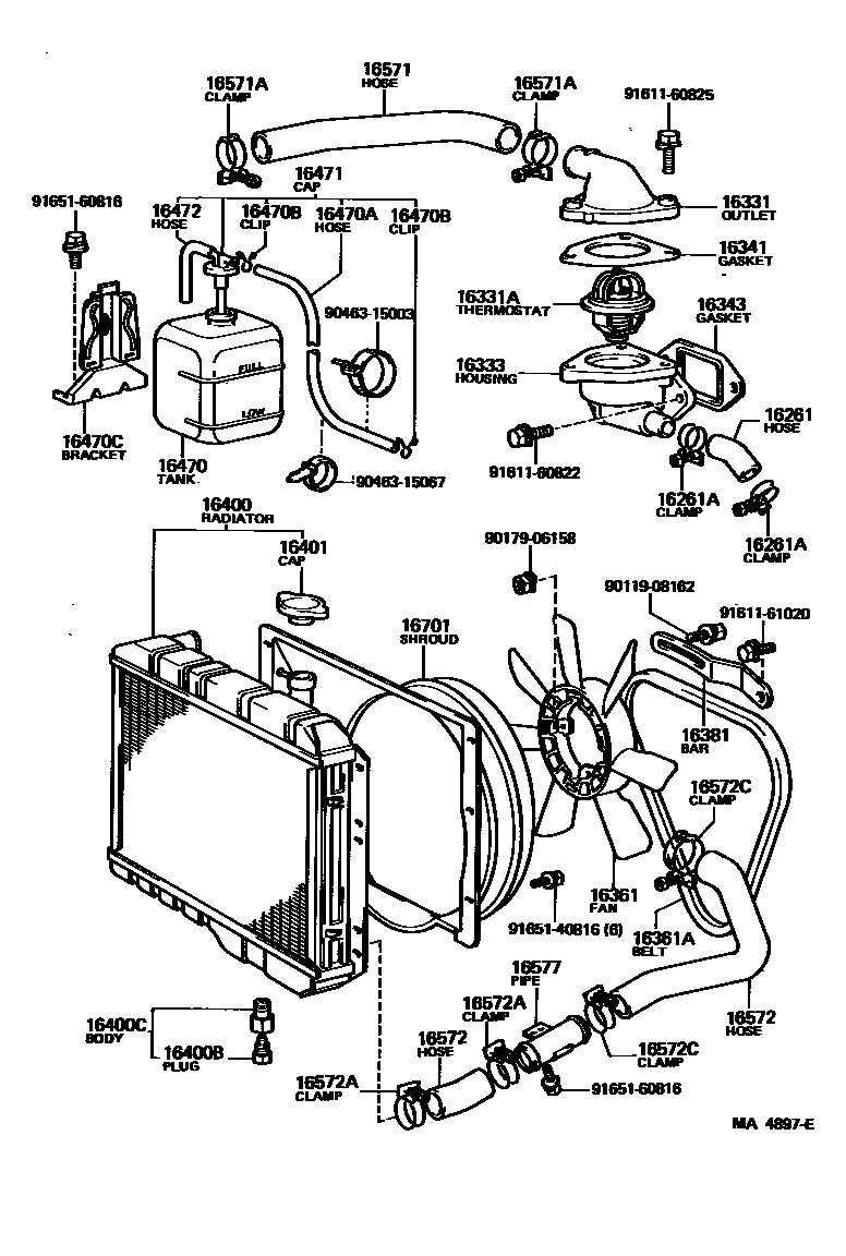
RADIATOR & WATER OUTLET

16261HOSE, WATER BY-PASS
16261ACLAMP OR CLIP, HOSE(FOR WATER BY-PASS HOSE)
16331OUTLET, WATER
16331ATHERMOSTAT
*WAX 88-100,*WAX 88-100
*WAX 88-100
*WAX 88-100,*WAX 88-100
16333HOUSING, WATER OUTLET
16343GASKET, WATER OUTLET HOUSING
16361FAN
OD=380
OD=450,7 BLADES
16361ABELT, V(FOR FAN & ALTERNATOR)
16381BAR, FAN BELT ADJUSTING
W/POWER STEERING
16400RADIATOR ASSY
W/COOLER
16400BPLUG, RADIATOR DRAIN COCK
16400CBODY, RADIATOR DRAIN COCK
16401CAP SUB-ASSY, RADIATOR
16470TANK ASSY, RADIATOR RESERVE
16470AHOSE OR PIPE(FOR RADIATOR RESERVE TANK)
L=600(*H,L=380)
16470BCLAMP OR CLIP(FOR RADIATOR RESERVE TANK HOSE)
16470CBRACKET(FOR RADIATOR RESERVE TANK)
16471CAP SUB-ASSY, RESERVE TANK
16472HOSE, BREATHER
16571HOSE, RADIATOR, INLET
16571ACLAMP OR CLIP, HOSE(FOR RADIATOR INLET)
ID=50
16572HOSE, RADIATOR, OUTLET
RADIATOR SIDE
RADIATOR SIDE,W/COOLER
WATER PUMP SIDE
WATER PUMP SIDE
WATER PUMP SIDE
RADIATOR SIDE
RADIATOR SIDE
RADIATOR SIDE
WATER PUMP SIDE
WATER PUMP,SIDE,W/COOLER
16572ACLAMP OR CLIP, HOSE(FOR RADIATOR OUTLET NO.1)
RADIATOR SIDE; W/COOLER
RADIATOR SIDE; W/COOLER
PIPE SIDE
16572CCLAMP OR CLIP, HOSE(FOR RADIATOR OUTLET NO.2)
PIPE SIDE
WATER PUMP SIDE
16577PIPE, RADIATOR, NO.7
W/COOLER
16701SHROUD SUB-ASSY, FAN
W/COOLER
9011908162
main90119-08162
9017906158
main90179-06158
9046315003
main90463-15003
9046315067
main90463-15067
9161160822
main91611-60822
9161160825
main91611-60825
9161161020
main91611-61020
9165140816
main91651-40816
9165160816
main91651-60816
36 parts on this diagram · 4 diagrams in section