E
EPC Data

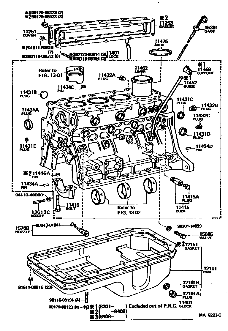
CYLINDER BLOCK

Parts diagram
11251COVER, VALVE PUSH ROD
main11203-56030i198008-198408
main11203-56040i198408-198410
main11203-61011i198008-198309
11253GASKET, VALVE PUSH ROD COVER
main11253-56010i198008-198408
main11253-60010i198008-198309
11401BLOCK SUB-ASSY, CYLINDER
main11401-59075i198008-198201
main11401-59115i198201-198209
main11401-59225i198209-198403
main11401-59226i198403-198408
main11401-59305i198408-198410
main11401-69055i198008-198309
11415COCK SUB-ASSY, WATER DRAIN(FOR CYLINDER BLOCK)
main90910-09070i198407-198410
main96431-03833i198008-198407
11415APLUG, WATER DRAIN COCK(FOR CYLINDER BLOCK)
main90910-09072i198407-198410
main96431-23814i198008-198407
11416BOLT(FOR CRANKSHAFT BEARING CAP SET)
main90101-13001×10i198008-198408
*13-1.5PX78.5-20
main90109-16001×10i198408-198410
*16-2PX88.5-32
main90910-02054×6i198008-198309
FR,*14-2.0PX67-29
main90910-02057×4i198008-198309
RR,*12-1.75PX68-26
11416APIN, RING(FOR CRANKSHAFT BEARING CAP SET)
main90253-16014×2i198008-198309
NO.4
main90253-17007×6i198008-198309
NO.1.2.3
main90253-18002×10i198008-198408
11431APLUG, TIGHT, NO.1(FOR CYLINDER BLOCK)
main90331-51032×2i198008-198410
OD=51
main96411-45000×5i198008-198309
OD=50
11431BPLUG, TIGHT, NO.2(FOR CYLINDER BLOCK)
main90330-24013×2i198008-198309
main96411-12800×4i198008-198410
OD=28
11431CPLUG, TIGHT, NO.3(FOR CYLINDER BLOCK)
main96411-13000×5i198008-198410
OD=30
main96411-42500×4i198008-198309
OD=25
11431DPLUG, TIGHT, NO.4(FOR CYLINDER BLOCK)
main96411-13500×4i198008-198410
OD=35
11431EPLUG, TIGHT, NO.5(FOR CYLINDER BLOCK)
main96411-11400×3i198008-198410
OD=14
11432APLUG, W/HEAD TAPER SCREW, NO.1
main90043-45027×3i198008-198410
11432BPLUG, W/HEAD TAPER SCREW, NO.2
main90345-53001i198008-198410
11432CPLUG, W/HEAD TAPER SCREW, NO.3
main90345-52001i198008-198410
11434APIN, STRAIGHT(FOR TIMING GEAR COVER SET)
main90250-08120×4i198008-198410
L=18,OD=8
11434CPIN, STRAIGHT (FOR CYLINDER HEAD SET)
main90253-15005×2i198008-198410
L=7,OD=14.5
main90253-17003×2i198008-198309
L=7,OD=16.5
11434DPIN, STRAIGHT(FOR ENGINE REAR OIL SEAL)
main90250-08120×2i198008-198410
L=18,OD=8
11452GUIDE, OIL LEVEL GAGE
main11452-56040i198008-198408
main11452-56050i198408-198410
main11452-60013i198008-198309
11459SUPPORT, OIL LEVEL GAGE GUIDE
main11459-56040i198008-198410
11462LINER, CYLINDER
main11461-58010×4i198008-198408
main11461-58020×4i198408-198410
11475SHIM, CYLINDER LINER
main11475-58010i198008-198410
T=0.05
main11476-58010i198008-198410
T=0.10
12101PAN SUB-ASSY, OIL
main12101-56060i198408-198410
main12101-59145i198008-198408
main12101-61010i198008-198205
main12101-61011i198205-198309
12101APLUG(FOR OIL PAN DRAIN)
main90341-18089i198205-198410
OD=18
main90341-25054i198008-198205
OD=25
12101BGASKET(FOR OIL PAN DRAIN PLUG)
main90430-18244i198008-198205
main90430-25013i198008-198205
ID=25
12151GASKET, OIL PAN
main12151-56030i198008-198408
main12151-60021i198008-198309
1301CRANKSHAFT & PISTON
1302CAMSHAFT & VALVE
13613CNOZZLE, OIL
main90915-01015i198008-198410
15301GAGE SUB-ASSY, OIL LEVEL
main15301-56020i198008-198408
main15301-56040i198408-198410
main15301-61010i198008-198309
15605VALVE SUB-ASSY, OIL CHECK
main15605-58010i198008-198410
15708NOZZLE SUB-ASSY, OIL, NO.1
main15708-58010×4i198008-198408
main15708-58020×4i198408-198410
9004301041
9011608194
9011908512
9017908123
9020114099
9161160816
9212260814
9411040800

40 parts on this diagram · 2 diagrams in section

CYLINDER BLOCK — Toyota Parts Diagram with OEM Numbers & Prices | EPC Data