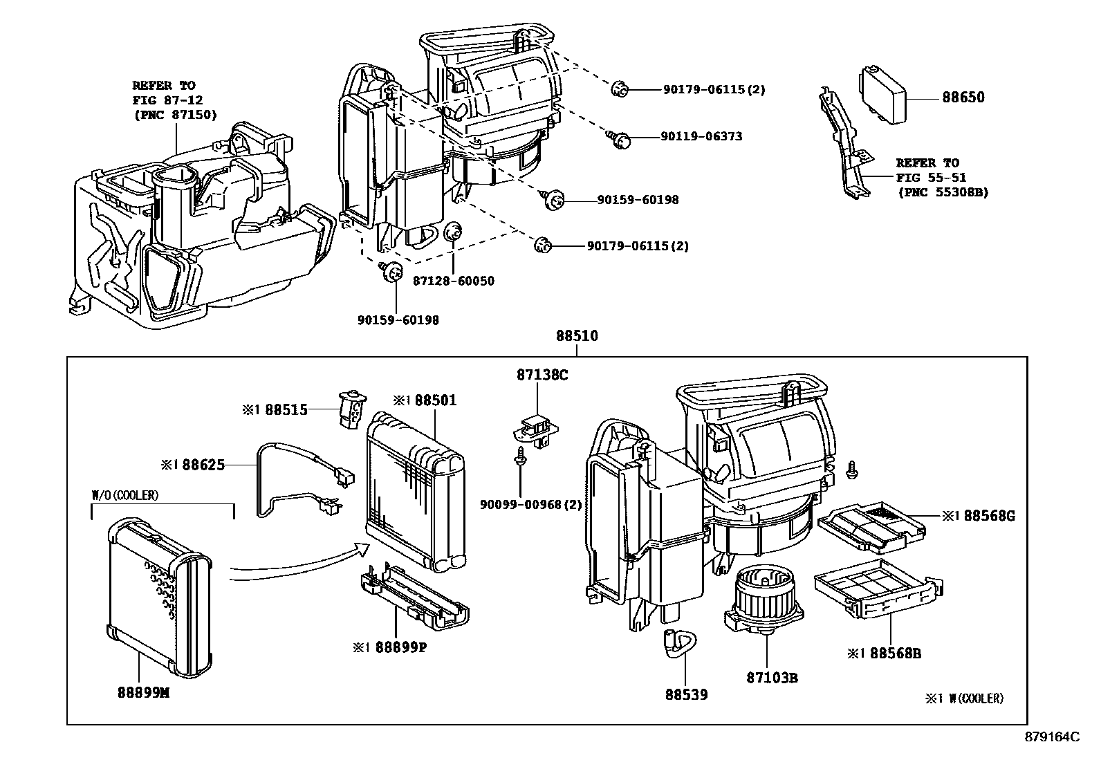
HEATING & AIR CONDITIONING - COOLER UNIT

5551INSTRUMENT PANEL & GLOVE COMPARTMENT
87103BMOTOR SUB-ASSY, BLOWER W/FAN
main87103-60300iFZJ79,HZJ79..STD..GCC; FZJ79..LX;FZJ79,HZJ79..LHD..GEN;FZJ71,76,78,HZJ71,76,78..LHD200701-200907
HEATER-BOOST VENTILATOR; HEATER-W(FRONT); HEATER-W(FRONT)&AIR CONDITIONER-WITH
main87103-60420iGRJ79,HZJ79..STD..GCC; GRJ79..LX;GRJ79,HZJ79..LHD..GEN;GRJ71,76,78,HZJ71,76,78..LHD200907-201008
HEATER-BOOST VENTILATOR; HEATER-W(FRONT); HEATER-W(FRONT)&AIR CONDITIONER-WITH
BANGLADESH SPEC&BATTERY-80D26R X 2
8712HEATING & AIR CONDITIONING - HEATER UNIT & BLOWER
87138CRESISTOR, BLOWER
HEATER-BOOST VENTILATOR; HEATER-W(FRONT); HEATER-W(FRONT)&AIR CONDITIONER-WITH
BANGLADESH SPEC&BATTERY-85D26R X 2(55AH X 2)
88501EVAPORATOR SUB-ASSY, COOLER, NO.1
AIR CONDITIONER-WITH
HEATER-W(FRONT & REAR)&AIR CONDITIONER-WITH; HEATER-W(FRONT)&AIR CONDITIONER-WITH
AIR CONDITIONER-WITH; AIR CONDITIONER-WITH(DOP); HEATER-W(FRONT & REAR)&AIR CONDITIONER-WITH; HEATER-W(FRONT)&AIR CONDITIONER-WITH
HEATER-W(FRONT & REAR)&AIR CONDITIONER-WITH; HEATER-W(FRONT)&AIR CONDITIONER-WITH
main88501-60391iGRJ71..LX;GRJ71..HT..GCC;GRJ76,78,79,HZJ7#..LHD; GRJ71..SOT; HZJ76,78,79..LHD..(DCB,HT)..GEN201106-201305
AIR CONDITIONER-WITH; HEATER-W(FRONT & REAR)&AIR CONDITIONER-WITH; HEATER-W(FRONT)&AIR CONDITIONER-WITH
AIR CONDITIONER-WITH; AIR CONDITIONER-WITH(DOP); HEATER-W(FRONT & REAR)&AIR CONDITIONER-WITH; HEATER-W(FRONT)&AIR CONDITIONER-WITH
AIR CONDITIONER-WITH; AIR CONDITIONER-WITH(DOP)
88510UNIT ASSY, COOLER
HEATER-WITH(FRONT & ALUMI CORE)&AIR CONDITIONER-WITH
main88510-6A380iFZJ79,HZJ79..STD..GCC; FZJ79..LX;FZJ79,HZJ79..LHD..GEN;FZJ71,76,78,HZJ71,76,78..LHD200701-200907
HEATER-BOOST VENTILATOR; HEATER-W(FRONT)
BANGLADESH SPEC&BATTERY-80D26R X 2
main88510-60A50iGDJ7#,GRJ71..LHD..GEN; GRJ79..LHD;GRJ76,78,HZJ7#..LHD..GEN; HZJ76,78,79..LHD..(DCB,HT)202309
AIR CONDITIONER-WITH; HEATER-WITH(FRONT & ALUMI CORE)&AIR CONDITIONER-WITH; HEATER-WITH(FRONT & REAR & ALUMI CORE)&AIR CONDITIONER-WITH
AIR CONDITIONER-WITH; HEATER-W(FRONT & REAR)&AIR CONDITIONER-WITH; HEATER-W(FRONT)&AIR CONDITIONER-WITH
HEATER-W(FRONT & REAR)&AIR CONDITIONER-WITH; HEATER-W(FRONT)&AIR CONDITIONER-WITH
CKD PACKAGE(BANGLADESH)
main88510-6A440iGRJ71..LX;GRJ79..LHD;GRJ76,78,HZJ7#..LHD..GEN; GRJ71..STD..GEN; HZJ76,78,79..LHD..(DCB,HT)..GEN201608-202309
AIR CONDITIONER-WITH; HEATER-WITH(FRONT & ALUMI CORE)&AIR CONDITIONER-WITH; HEATER-WITH(FRONT & REAR & ALUMI CORE)&AIR CONDITIONER-WITH
AIR CONDITIONER-WITH
CKD PACKAGE(BANGLADESH)
BANGLADESH SPEC&BATTERY-85D26R X 2(55AH X 2)
88515VALVE, COOLER EXPANSION
HEATER-WITH(FRONT & ALUMI CORE)&AIR CONDITIONER-WITH
AIR CONDITIONER-WITH; AIR CONDITIONER-WITH(DOP); HEATER-W(FRONT & REAR)&AIR CONDITIONER-WITH; HEATER-W(FRONT)&AIR CONDITIONER-WITH
88539HOSE, COOLER UNIT DRAIN, NO.1
main88539-60260iFZJ79,HZJ79..STD..GCC; FZJ79..LX;FZJ79,HZJ79..LHD..GEN;FZJ71,76,78,HZJ71,76,78..LHD200701-200907
HEATER-BOOST VENTILATOR; HEATER-W(FRONT); HEATER-W(FRONT)&AIR CONDITIONER-WITH
88568BFILTER, AIR
AIR CONDITIONER-WITH; AIR CONDITIONER-WITH(DOP); HEATER-W(FRONT & REAR)&AIR CONDITIONER-WITH; HEATER-W(FRONT)&AIR CONDITIONER-WITH
88568GFILTER, AIR
AIR CONDITIONER-WITH
88625THERMISTOR, COOLER, NO.1
main88625-60200iGDJ7#,GRJ71..GEN;GRJ79,HZJ7#..RHD; GDJ7#,L7#..ARL,GCC; GRJ71..GCC;GRJ76,78,79,HZJ7#..LHD; HZJ76,78,79..LHD..(DCB,HT)202309
AIR CONDITIONER-WITH; HEATER-WITH(FRONT & ALUMI CORE)&AIR CONDITIONER-WITH; HEATER-WITH(FRONT & REAR & ALUMI CORE)&AIR CONDITIONER-WITH
88650AMPLIFIER ASSY, COOLER STABILIZER
AIR CONDITIONER-WITH
AIR CONDITIONER-WITH
AIR CONDITIONER-WITH; AIR CONDITIONER-WITH(DOP)
AIR CONDITIONER-WITH
AIR CONDITIONER-WITH
AIR CONDITIONER-WITH
HEATER-WITH(FRONT & ALUMI CORE)&AIR CONDITIONER-WITH; HEATER-WITH(FRONT & REAR & ALUMI CORE)&AIR CONDITIONER-WITH
88899MPLATE, COVER(FOR AIR FILTER)
main88899-60360iGRJ79..LX;GRJ79,HZJ79..DCB..GCC;GRJ79,HZJ79..LHD..GEN;GRJ71,76,78,HZJ71,76,78..LHD200701-201608
88899PPLATE, COVER
main88899-60330iGDJ7#,GRJ71..GEN;GRJ79,HZJ7#..RHD; GDJ7#,L7#..ARL,GCC; GRJ71..GCC;GRJ76,78,79,HZJ7#..LHD; HZJ76,78,79..LHD..(DCB,HT)202309
AIR CONDITIONER-WITH; HEATER-WITH(FRONT & ALUMI CORE)&AIR CONDITIONER-WITH; HEATER-WITH(FRONT & REAR & ALUMI CORE)&AIR CONDITIONER-WITH
8712860050GROMMET, HEATER
main87128-60050
9009900968
main90099-00968
9011906373
main90119-06373
9015960198
main90159-60198
9017906115
main90179-06115
19 parts on this diagram · 16 diagrams in section