E
EPC Data

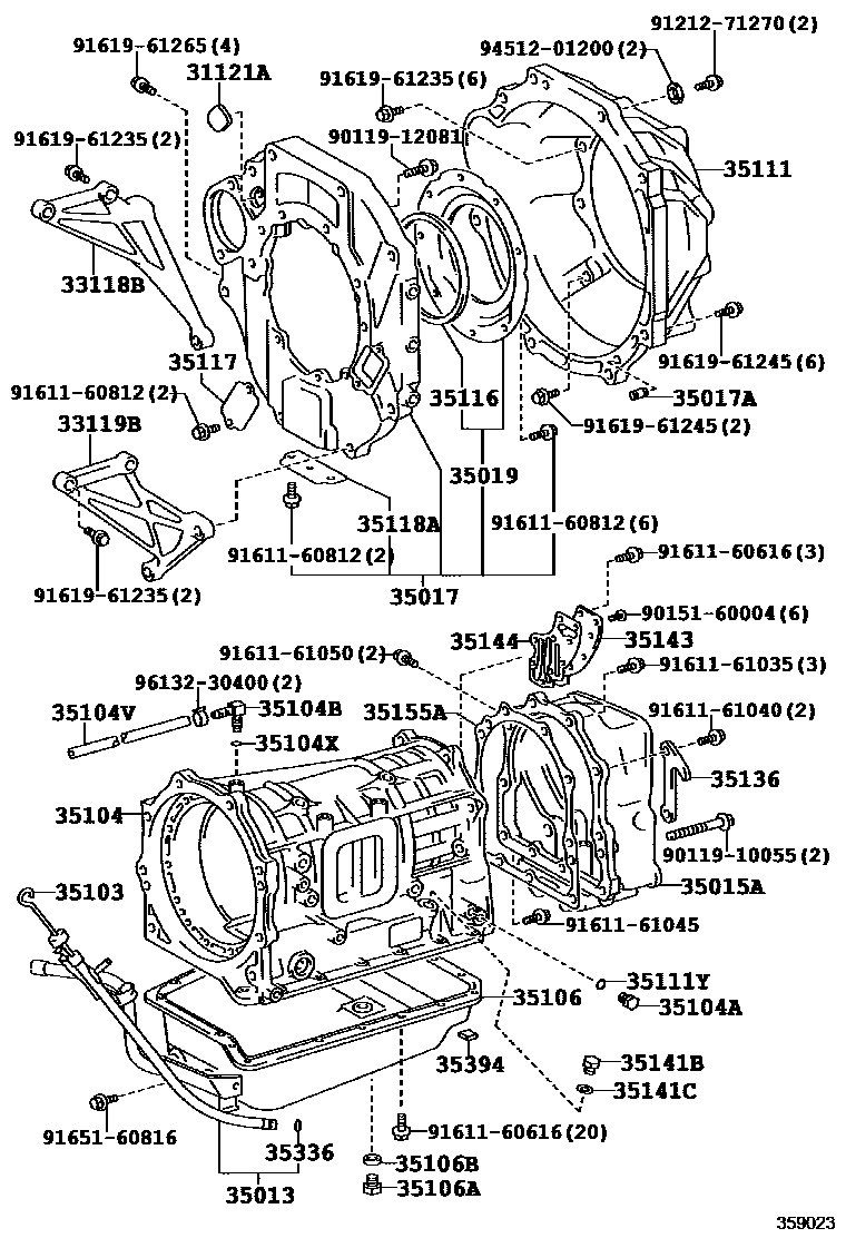
TRANSMISSION CASE & OIL PAN (ATM)

Parts diagram
31121ACOVER, TRANSMISSION HOUSING ADAPTER
main31121-60030i199001-199201
33118BPLATE, STIFFENER, RH(ATM)
main33118-60020i199001-199201
main33118-60030i199001-199108
33119BPLATE, STIFFENER, LH(ATM)
main33119-60020i199001-199201
main33119-60030i199001-199108
35013TUBE SUB-ASSY, TRANSMISSION OIL FILLER
main35013-60070i199001-199201
main35013-60080i199001-199108
35015AADAPTER SUB-ASSY, TRANSMISSION CASE, REAR
main35015-60011i199001-199201
35017ADAPTER SUB-ASSY, TRANSMISSION HOUSING, FRONT
main35017-60020i199001-199201
35017APIN, STRAIGHT(FOR TRANSMISSION HOUSING ADAPTER, FRONT)
main90250-10192×2i199001-199201
35019COVER SUB-ASSY, TRANSMISSION CASE DUST
main35019-60010i199001-199201
35103GAGE SUB-ASSY, TRANSMISSION OIL LEVEL
main35103-60040i199001-199201
main35103-60050i199001-199108
35104CASE SUB-ASSY, AUTOMATIC TRANSMISSION
main35104-36021i199001-199201
35104APLUG, AUTOMATIC TRANSMISSION CASE
main90341-08001×7i199001-199201
35104BPLUG, BREATHER, NO.1 (ATM)
main90930-03094i199001-199201
35104VHOSE (FOR BREATHER PLUG)
main90445-11072i199001-199201
main90445-11113i199001-199108
35104XRING, O (FOR BREATHER PLUG)
main90301-06005i199001-199201
35106PAN SUB-ASSY, AUTOMATIC TRANSMISSION OIL
main35106-60050i199001-199108
main35106-60070i199001-199201
35106APLUG SUB-ASSY, DRAIN (ATM)
main90341-18057i199001-199201
35106BGASKET, DRAIN PLUG (ATM)
main12157-10010i199001-199201
35111HOUSING, AUTOMATIC TRANSMISSION
main35111-60040i199001-199108
main35111-60050i199001-199201
35111YRING, O (FOR AUTOMATIC TRANSMISSION CASE)
main90301-06196×7i199001-199201
35116SEAL, TRANSMISSION CASE DUST
main35116-60010i199001-199201
35117COVER, ADAPTER, NO.1
main35117-60010i199001-199201
35118ACOVER, ADAPTER, NO.2
main35118-60010i199001-199201
35136HANGER, TRANSMISSION,NO.1
main35136-60010×2i199001-199201
35141BPLUG (FOR AUTOMATIC TRANSMISSION CASE)
main90341-16010i199001-199201
35141CWASHER, PLATE (FOR AUTOMATIC TRANSMISSION CASE)
main90201-16013i199001-199201
35143COVER, TRANSMISSION CASE, REAR
main35143-36010i199001-199201
35144GASKET, TRANSMISSION CASE REAR COVER
main35144-36010i199001-199201
35155AGASKET, TRANSMISSION CASE ADAPTER
main35182-36010i199001-199201
35336RING, O (FOR TRANSMISSION OIL FILLER TUBE)
main90301-09173i199001-199201
35394MAGNET, OIL CLEANER (FOR TRANSMISSION)
main35394-30011×2i199001-199201
9011910055
9011912081
9015160004
9121271270
9161160616
9161160812
9161161035
9161161040
9161161045
9161161050
9161961235
9161961245
9161961265
9165160816
9451201200
9613230400

46 parts on this diagram · 2 diagrams in section

TRANSMISSION CASE & OIL PAN (ATM) — Toyota Parts Diagram with OEM Numbers & Prices | EPC Data