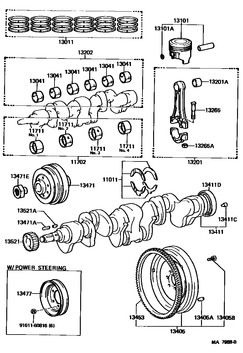
CRANKSHAFT & PISTON

11011WASHER SET, CRANKSHAFT THRUST
STD
STD
STD
STD
STD
STD
O/S 0.125
O/S 0.125
O/S 0.125
O/S 0.125
O/S 0.125
O/S 0.250
O/S 0.250
O/S 0.250
O/S 0.250
O/S 0.250
11702BEARING SET, CRANKSHAFT
U/S 0.25
U/S 0.25
U/S 0.25
U/S 0.25
U/S 0.25
U/S 0.25
U/S 0.25
U/S 0.25
U/S 0.25
U/S 0.25
U/S 0.25
U/S 0.50
U/S 0.50
U/S 0.50
U/S 0.50
U/S 0.50
U/S 0.50
11711BEARING, CRANKSHAFT
MARK 1,NO.2,REFER R/M
MARK 2,NO.2,REFER R/M
MARK 3,NO.2,REFER R/M
MARK 4,NO.2,REFER R/M
MARK 5,NO.2,REFER R/M
MARK 1,NO.3,REFER R/M
MARK 2,NO.3,REFER R/M
MARK 3,NO.3,REFER R/M
MARK 4,NO.3,REFER R/M
MARK 5,NO.3,REFER R/M
MARK 1,NO.4,REFER R/M
MARK 2,NO.4,REFER R/M
MARK 3,NO.4,REFER R/M
MARK 4,NO.4,REFER R/M
MARK 5,NO.4,REFER R/M
MARK 2; MARK 2,MARK 2
MARK 3; MARK 3,MARK 3
MARK 4; MARK 4,MARK 4
MARK 5; MARK 5,MARK 5
MARK 6; MARK 6,MARK 6
MARK 2,MARK 2
main11701-17011-03×7i1HZ..HZJ78..STD;1H#..HDJ7#,HZJ71;1HZ..HZJ79..GCC,GEN;1HZ..HZJ79..ARL..IV199908-200701
MARK 3
MARK 4,MARK 4
MARK 5,MARK 5
main11701-17011-06×7i1HZ..HZJ78..STD;1H#..HDJ7#,HZJ71;1HZ..HZJ79..GCC,GEN;1HZ..HZJ79..ARL..IV199908-200701
MARK 6
main11701-17011-07×7i1HZ..HZJ78..STD;1H#..HDJ7#,HZJ71;1HZ..HZJ79..GCC,GEN;1HZ..HZJ79..ARL..IV199908-200701
MARK 7
MARK 3
MARK 4
MARK 5
MARK 1
MARK 2
MARK 3
MARK 1,NO.1,REFER R/M
MARK 2,NO.1,REFER R/M
MARK 3,NO.1,REFER R/M
MARK 4,NO.1,REFER R/M
MARK 5,NO.1,REFER R/M
MARK 2,REFER REPAIR MANUAL
MARK 3,REFER REPAIR MANUAL
MARK 4,REFER REPAIR MANUAL
MARK 5,REFER REPAIR MANUAL
MARK 6,REFER REPAIR MANUAL
MARK 2,REFER REPAIR MANUAL
MARK 3,REFER REPAIR MANUAL
MARK 4,REFER REPAIR MANUAL
MARK 5,REFER REPAIR MANUAL
MARK 6,REFER REPAIR MANUAL
MARK 2,REFER REPAIR MANUAL
MARK 3,REFER REPAIR MANUAL
MARK 4,REFER REPAIR MANUAL
MARK 5,REFER REPAIR MANUAL
MARK 6,REFER REPAIR MANUAL
MARK2,REFER REPAIR MANUAL
MARK3,REFER REPAIR MANUAL
MARK4,REFER REPAIR MANUAL
MARK5,REFER REPAIR MANUAL
MARK6,REFER REPAIR MANUAL
MARK 2
MARK 3
MARK 4
MARK 5
MARK 6
13011RING SET, PISTON
STD
STD
STD
STD
STD
STD
STD
STD
STD
STD
STD
STD
STD
STD
STD
STD
O/S 0.50
O/S 0.50
O/S 0.50
main13013-17030i1HZ..HZJ7#..HT..GEN;1HZ..HZJ75..ARL,GCC;1HZ..HZJ75..GEN..IV;1HZ..HZJ75..LHD..PIC..GEN..CBU199501-199908
O/S 0.50
O/S 0.50
O/S 0.50
O/S 0.50
O/S 0.50
O/S 0.50
O/S 0.50
O/S 0.50
O/S 0.50
O/S 0.50
O/S 0.50
O/S 0.50
O/S 0.50
O/S 0.75
O/S 0.75
O/S 0.75
O/S 0.75
O/S 0.75
O/S 0.75
O/S 1.00
O/S 1.00
O/S 1.00
O/S 1.00
O/S 1.00
O/S 1.00
O/S 1.00
O/S 1.50
13041BEARING, CONNECTING ROD
MARK 2; MARK 2,MARK 2
MARK 3; MARK 3,MARK 3
MARK 4; MARK 4,MARK 4
MARK 5; MARK 5,MARK 5
MARK 6; MARK 6,MARK 6
MARK 2
MARK 3; MARK 3,MARK 3
MARK 4; MARK 4,MARK 4
MARK 5
MARK 6; MARK 6,MARK 6
MARK A
MARK B
MARK C
MARK A
MARK B
MARK C
MARK 1
MARK 2
MARK 3
MARK 2
MARK 3
MARK 4
MARK 5
MARK 6
MARK 2
MARK 3
MARK 4
MARK 5
MARK 6
MARK2
MARK3
MARK4
MARK5
MARK6
MARK 2
MARK 3
MARK 4
MARK 5
MARK 6
13101PISTON SUB-ASSY, W/PIN
STD,MARK 1,REFER REPAIR MANUAL
STD,MARK 2; STD,MARK 2,REFER REPAIR MANUAL
STD,MARK 3; STD,MARK 3,REFER REPAIR MANUAL
STD,MARK 1,REFER REPAIR MANUAL
STD,MARK 2,REFER REPAIR MANUAL
STD,MARK 3,REFER REPAIR MANUAL
STD,MARK 1,REFER REPAIR MANUAL
STD,MARK 2,REFER REPAIR MANUAL
STD,MARK 3,REFER REPAIR MANUAL
STD,MARK1
STD,MARK2
STD,MARK3
STD,MARK 1
STD,MARK 2
STD,MARK 3
STD,MARK 1
STD,MARK 2
STD,MARK 3
STD,MARK 1
STD,MARK 2
STD,MARK 3
STD
STD,MARK 1
STD,MARK 2
STD,MARK 3
STD,MARK 1
STD,MARK 2
STD,MARK 3
STD,MARK 1
STD,MARK 2
STD,MARK 3
STD,MARK 1
STD,MARK 2
STD,MARK 3
STD,MARK1
STD,MARK2
STD,MARK3
STD,EXHAUST EMISSION CONTROL,MARK 1
STD,EXHAUST EMISSION CONTROL,MARK 2
STD,EXHAUST EMISSION CONTROL,MARK 3
STD,EXHAUST EMISSION CONTROL,MARK1
STD,EXHAUST EMISSION CONTROL,MARK2
STD,EXHAUST EMISSION CONTROL,MARK3
STD,MARK 1
STD,MARK 2
STD,MARK 3
STD,MARK 1
STD,MARK 2
STD,MARK 3
STD,MARK 1
STD,MARK 2
STD,MARK 3
O/S 0.50
O/S 0.50
O/S 0.50
O/S 0.50
O/S 0.50
O/S 0.50
O/S 0.50
O/S 0.50
O/S 0.50
O/S 0.50
O/S 0.50
O/S 0.50
O/S 0.50,EXHAUST EMISSION CONTROL
O/S 0.50,EXHAUST EMISSION CONTROL
O/S 0.50
O/S 0.50
O/S 0.50
O/S 0.75
O/S 0.75
O/S 0.75
O/S 0.75
O/S 0.75
O/S 1.00
O/S 1.00
O/S 1.00
O/S 1.00
O/S 1.00
O/S 1.00
O/S 1.00
O/S 1.00,EXHAUST EMISSION CONTROL
O/S 1.00,EXHAUST EMISSION CONTROL
O/S 1.00
O/S 1.00
O/S 1.00
O/S 1.50
O/S 1.50
13101ARING, HOLE SNAP(FOR PISTON PIN)
13201ROD SUB-ASSY, CONNECTING
13201ABUSH(FOR CONNECTING ROD SMALL END)
13202BEARING SET, CONNECTING ROD
U/S 0.25
U/S 0.25
U/S 0.25
U/S 0.25
U/S 0.25
U/S 0.25
U/S 0.25
U/S 0.25
U/S 0.25
U/S 0.25
U/S 0.25
U/S 0.50
U/S 0.50
U/S 0.50
U/S 0.50
U/S 0.50
U/S 0.50
U/S 0.50
13265BOLT, CONNECTING ROD
13265ANUT, HEXAGON(FOR CONNECTING ROD BOLT)
13405FLYWHEEL SUB-ASSY
main13405-17010i1HZ..HZJ7#..HT..GEN;1HZ..HZJ75..ARL,GCC;1HZ..HZJ75..GEN..IV;1HZ..HZJ75..LHD..PIC..GEN..CBU199305-199908
13405APIN, STRAIGHT(FOR FLYWHEEL)
L=15,OD=5
L=23,OD=8
main90250-10192×3i1HZ..HZJ7#..HT..GEN;1HZ..HZJ75..ARL,GCC;1HZ..HZJ75..GEN..IV;1HZ..HZJ75..LHD..PIC..GEN..CBU199305-199908
L=22,OD=10
13405BBOLT, FLYWHEEL SETTING
13411CRANKSHAFT
main13411-17012i1HZ..HZJ78..STD;1H#..HDJ7#,HZJ71;1HZ..HZJ79..GCC,GEN;1HZ..HZJ79..ARL..IV200105-200701
13411CPIN, STRAIGHT(FOR CRANKSHAFT)
13411DSEAL, OIL(FOR CRANKSHAFT)
13453GEAR, FLYWHEEL RING
main13453-17010i1HZ..HZJ7#..HT..GEN;1HZ..HZJ75..ARL,GCC;1HZ..HZJ75..GEN..IV;1HZ..HZJ75..LHD..PIC..GEN..CBU199305-199908
13471PULLEY, CRANKSHAFT
13471AKEY, CRANKSHAFT(FOR CRANKSHAFT PULLEY SET)
main95161-30516i1FZFE..FZJ74,79..CBU;1FZFE..FZJ71,78..GCC;1FZFE..FZJ71,78..RHD..GEN; 1HZ..HZJ78..STD;1H#..HDJ7#,HZJ71;1HZ..HZJ79..GCC,GEN;1HZ..HZJ79..ARL..IV199908-200701
13471ENUT(FOR CRANKSHAFT PULLEY)
13477PULLEY, CRANKSHAFT, NO.2
13521GEAR OR SPROCKET, CRANKSHAFT TIMING
13521AKEY(FOR CRANKSHAFT TIMING GEAR)
9161160816
main91611-60816
26 parts on this diagram · 8 diagrams in section