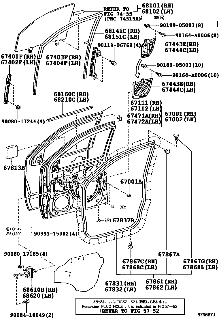
67001PANEL SUB-ASSY, FRONT DOOR, RH
main67001-04161iGRN225,245,250,265,270,TRN225,245,265201109-201408 main67001-04162iGRN225,245,250,265,270,TRN225,245,265201408-201508 main67001-04200iGRN225,245,250,265,270,TRN225,245,265200409-200805 main67001-04210iGRN305,310,325,330,TRN245,265201711-201909 67001ACUSHION, FRONT DOOR PANEL
main90084-54012×4iGRN265,TRN265..LCB..(4FC,5FC);GRN225,245,TRN22#,24#..LCB,RCB200805-201109 67002PANEL SUB-ASSY, FRONT DOOR, LH
main67002-04151iGRN225,245,250,265,270,TRN225,245,265201109-201408 main67002-04152iGRN225,245,250,265,270,TRN225,245,265201408-201508 main67002-04180iGRN225,245,250,265,270,TRN225,245,265200409-200805 main67002-04181iGRN265,TRN265..4FC,5FC;GRN225,245,250,270,TRN225,245200805-201109 main67002-04200iGRN305,310,325,330,TRN245,265201711-201909 67111PANEL, FRONT DOOR, OUTER RH
main67111-04070iGRN225,245,250,265,270,TRN225,245,265201109-201508 main67111-04080iGRN305,310,325,330,TRN245,265201711-201909 67112PANEL, FRONT DOOR, OUTER LH
main67112-04080iGRN225,245,250,265,270,TRN225,245,265201109-201508 67401FFRAME SUB-ASSY, FRONT DOOR, FRONT LOWER RH
main67401-04020iGRN225,245,250,265,270,TRN22#,24#,26#200409-200805 main67401-04030iGRN225,245,250,265,270,TRN22#,24#,265201006-201109 main67401-04050iGRN305,310,325,330,TRN245,265201508-201711 67402FFRAME SUB-ASSY, FRONT DOOR, FRONT LOWER LH
main67402-04020iGRN225,245,250,265,270,TRN22#,24#,26#200805-201006 main67402-04030iGRN225,245,250,265,270,TRN22#,24#,265201006-201109 main67402-04050iGRN305,310,325,330,TRN245,265201508-201711 67403FFRAME SUB-ASSY, FRONT DOOR, REAR LOWER RH
main67403-04030iGRN225,245,250,265,270,TRN22#,24#,26#200409-200805 main67403-04040iGRN225,245,250,265,270,TRN22#,24#,265201006-201109 67404FFRAME SUB-ASSY, FRONT DOOR, REAR LOWER LH
main67404-04030iGRN225,245,250,265,270,TRN22#,24#,26#200805-201006 main67404-04060iGRN305,310,325,330,TRN245,265201711-201909 67443EPLATE, FRONT DOOR INSIDE PANEL, RH
main67443-04010iGRN225,245,250,265,270,TRN22#,24#,26#200409-200805 main67443-04020iGRN225,245,250,265,270,TRN225,245,265200805-201006 main67443-04050iGRN225,245,250,265,270,TRN225,245,265201006-201109 67444CPLATE, FRONT DOOR INSIDE PANEL, LH
main67444-04010iGRN225,245,250,265,270,TRN22#,24#,26#200409-200805 main67444-04020iGRN225,245,250,265,270,TRN225,245,265200805-201006 main67444-04050iGRN225,245,250,265,270,TRN225,245,265201109-201408 67471ABRACKET, FRONT DOOR WINDOW, FRONT UPPER RH
main67471-04010iGRN225,245,250,265,270,TRN22#,24#,26#200409-200805 67472ABRACKET, FRONT DOOR WINDOW, FRONT UPPER LH
main67471-04010iGRN265,TRN265..4FC,5FC;GRN225,245,250,270,TRN22#,24#200805-201109 67813BPACKING, DOOR PROTECTOR
main67817-47010×2iGRN225,245,250,265,270,TRN22#,24#,265201109-201309 67831COVER, FRONT DOOR SERVICE HOLE, RH
main67831-04110iGRN225,245,250,265,270,TRN225,245,265201109-201408 main67831-04130iGRN225,245,250,265,270,TRN225,245,265201408-201508 main67831-04140iGRN305,310,325,330,TRN245,265201508-201711 67832COVER, FRONT DOOR SERVICE HOLE, LH
main67832-04050iGRN305,310,325,330,TRN245,265201711-201909 main67832-04070iGRN225,245,250,265,270,TRN225,245,265201408-201508 67837BSEAL, FRONT DOOR DUST PROOF
67861WEATHERSTRIP, FRONT DOOR, RH
main67861-04050iGRN225,245,265,TRN225,245,265..LCB200409-200508 main67861-04051iGRN305,325,TRN245,265..LCB201508-201603 main67861-04052iGRN305,325,TRN245,265..LCB201711-201909 main67861-04070iGRN305,310,325,330,TRN265..DCB201508-201603 main67861-04071iGRN305,310,325,330,TRN265..DCB201604-201711 67862WEATHERSTRIP, FRONT DOOR, LH
main67862-04050iGRN225,245,265,TRN225,245,265..LCB200409-200508 main67862-04051iGRN305,325,TRN245,265..LCB201508-201603 main67862-04052iGRN305,325,TRN245,265..LCB201711-201909 main67862-04070iGRN305,310,325,330,TRN265..DCB201508-201603 67867CLIP, DOOR WEATHERSTRIP
67867ACLIP, DOOR WEATHERSTRIP(FOR FRONT DOOR)
67867CRETAINER, FRONT DOOR WEATHERSTRIP, RH
67867GRETAINER, DOOR WEATHERSTRIP, RH
67868CRETAINER, FRONT DOOR WEATHERSTRIP, LH
main67867-12150×20iGRN305,310,325,330,TRN265..DCB; GRN305,325,TRN245,265..LCB201909 main67868-02020×20iGRN265,TRN265..5F,6F; TRN260200805-201006 67868LRETAINER, DOOR WEATHERSTRIP, LH
main67867-52010×12iGRN225,245,250,265,270,TRN225,245,265200508-200805 68101GLASS SUB-ASSY, FRONT DOOR, RH
main68101-04090supersedes 68101-04100iGRN225,245,250,265,270200409-200612 *TT,T=3.5,GREEN
main68101-04091iGRN225,245,250,265,270; TRN225200612-200805 *TT,T=4.0,GREEN; *TT,T=4.0,GREEN,CANADA SPEC
main68101-04092iGRN225,245,250,265,270; TRN225,245..LCB201303-201508 *TT,T=4.0,GREEN; *TT,T=4.0,GREEN,CANADA SPEC
main68101-04120iGRN305,310,325,330,TRN245,265201711-201809 main68101-04121iGRN305,310,325,330,TRN245,265201809-201909 68102GLASS SUB-ASSY, FRONT DOOR, LH
main68102-04090supersedes 68102-04100iGRN225,245,250,265,270200409-200612 *TT,T=3.5,GREEN
main68102-04091iGRN225,245,250,265,270; TRN225200612-200805 *TT,T=4.0,GREEN; *TT,T=4.0,GREEN,CANADA SPEC
main68102-04092iGRN225,245,250,265,270; TRN225,245..LCB201303-201508 *TT,T=4.0,GREEN; *TT,T=4.0,GREEN,CANADA SPEC
main68102-04120iGRN305,310,325,330,TRN245,265201508-201711 main68102-04121iGRN305,310,325,330,TRN245,265201809-201909 68141CRUN, FRONT DOOR GLASS, RH
main68141-04030iGRN265,TRN265..4FC,5FC;GRN225,245,250,270,TRN225,245200805-201109 main68141-04040iGRN305,310,325,330,TRN245,265201508-201711 68151CRUN, FRONT DOOR GLASS, LH
main68151-04030iGRN225,245,250,265,270,TRN225,245,265200409-200805 main68151-04040iGRN305,310,325,330,TRN245,265201508-201711 68160CWEATHERSTRIP ASSY, FRONT DOOR GLASS, OUTER RH
main68161-04050iGRN225,245,250,265,270,TRN225,245,265201109-201508 main68161-04060iGRN305,310,325,330,TRN245,265201508-201711 68210CWEATHERSTRIP ASSY, FRONT DOOR GLASS, OUTER LH
main68162-04050iGRN265,TRN265..4FC,5FC;GRN225,245,250,270,TRN225,245200805-201109 68610BCHECK ASSY, FRONT DOOR, RH
main68610-04020iGRN225,245,250,265,270,TRN22#,24#,26#200409-200508 main68610-04021iGRN225,245,250,265,270,TRN22#,24#,26#200508-200805 main68610-04030iGRN305,310,325,330,TRN245,265201508-201711 68620CHECK ASSY, FRONT DOOR, LH
main68610-04020iGRN225,245,250,265,270,TRN22#,24#,26#200409-200508 main68610-04021iGRN225,245,250,265,270,TRN22#,24#,26#200508-200805 main68610-04030iGRN305,310,325,330,TRN245,265201508-201711