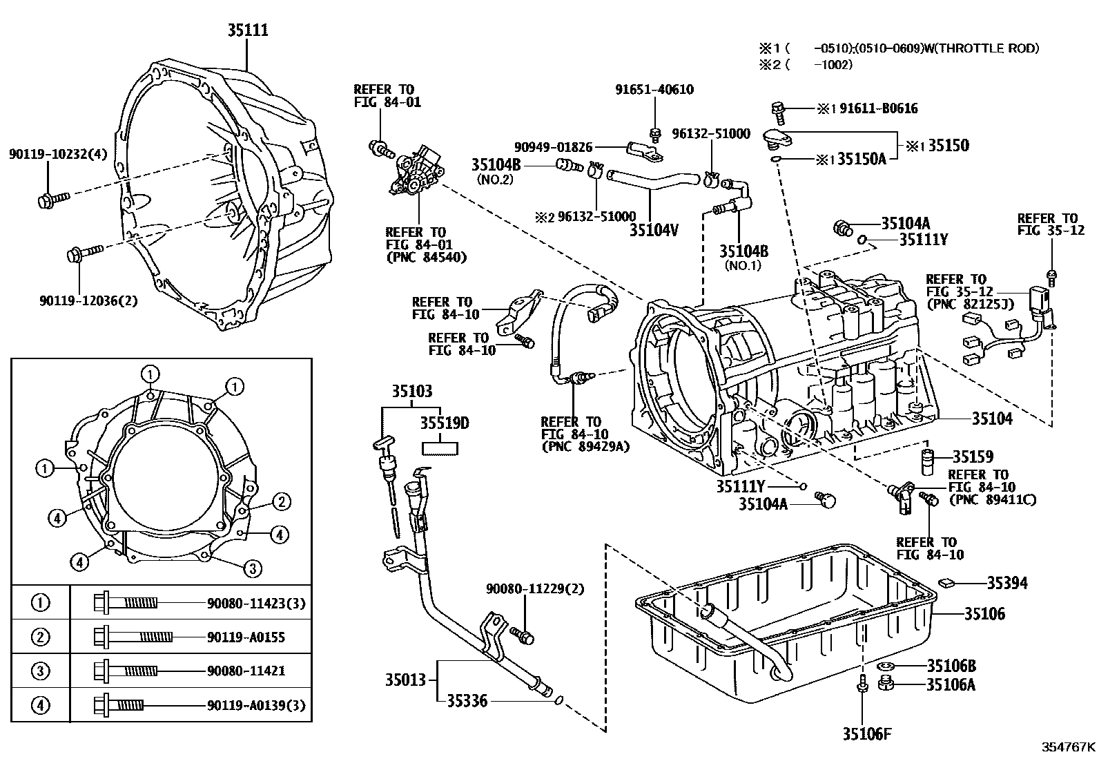
TRANSMISSION CASE & OIL PAN (ATM)

35013TUBE SUB-ASSY, TRANSMISSION OIL FILLER
35103GAGE SUB-ASSY, TRANSMISSION OIL LEVEL
35104CASE SUB-ASSY, AUTOMATIC TRANSMISSION
FRONT SEAT-BASE FABRIC,SEPA.TYPE,4WAY,W/O(LUMBAR.)
FRONT SEAT-BASE FABRIC,SEPA.TYPE,4WAY,W/O(LUMBAR.)
(J)
35104APLUG, AUTOMATIC TRANSMISSION CASE
35104BPLUG, BREATHER, NO.1 (ATM)
NO.1
NO.2
35104VHOSE (FOR BREATHER PLUG)
35106PAN SUB-ASSY, AUTOMATIC TRANSMISSION OIL
35106APLUG SUB-ASSY, DRAIN (ATM)
35106BGASKET, DRAIN PLUG (ATM)
35106FBOLT (FOR AUTOMATIC TRANSMISSION OIL PAN)
35111HOUSING, AUTOMATIC TRANSMISSION
35111YRING, O (FOR AUTOMATIC TRANSMISSION CASE)
3512VALVE BODY & OIL STRAINER (ATM)
35150PLUG ASSY, TRANSMISSION CASE
FRONT SEAT-BASE FABRIC,SEPA.TYPE,4WAY,W/O(LUMBAR.)
35150ARING, O (FOR AUTOMATIC TRANSMISSION CASE PLUG)
35159GASKET, BRAKE DRUM
35336RING, O (FOR TRANSMISSION OIL FILLER TUBE)
35394MAGNET, OIL CLEANER (FOR TRANSMISSION)
35519DLABEL, AUTOMATIC TRANSMISSION INFORMATION
8401SWITCH & RELAY & COMPUTER
8410OVERDRIVE & ELECTRONIC CONTROLLED TRANSMISSION
9008011229
main90080-11229
9008011421
main90080-11421
9008011423
main90080-11423
9011910232
main90119-10232
9011912036
main90119-12036
90119A0139
main90119-A0139
90119A0155
main90119-A0155
9094901826
main90949-01826
91611B0616
main91611-B0616
9165140610
main91651-40610
9613251000
main96132-51000
32 parts on this diagram · 5 diagrams in section