HEATING & AIR CONDITIONING - HEATER UNIT & BLOWER

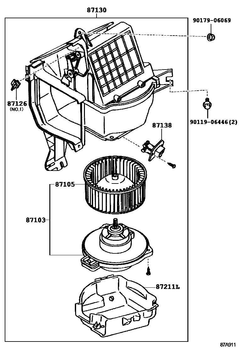
87103MOTOR SUB-ASSY, HEATER BLOWER, W/FAN
87105FAN SUB-ASSY, HEATER BLOWER
87126CLAMP, HEATER CONTROL
NO.1
NO.2
87130BLOWER ASSY, HEATER, FRONT
87138RESISTOR, HEATER BLOWER
87211LDUCT, AIR
9011906446
main90119-06446
9017906069
main90179-06069
8 parts on this diagram · 2 diagrams in section