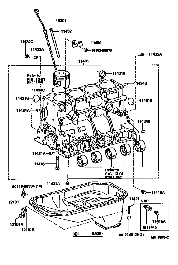
CYLINDER BLOCK

11415COCK SUB-ASSY, WATER DRAIN(FOR CYLINDER BLOCK)
11415APLUG, WATER DRAIN COCK(FOR CYLINDER BLOCK)
11421BOLT, STUD(FOR OIL PAN)
11431BPLUG, TIGHT, NO.2(FOR CYLINDER BLOCK)
11432APLUG, W/HEAD TAPER SCREW, NO.1
FR
RR
11432BPLUG, W/HEAD TAPER SCREW, NO.2
11432CPLUG, W/HEAD TAPER SCREW, NO.3
11434APIN, STRAIGHT(FOR TIMING GEAR COVER SET)
L=8,OD=11
11434BPIN, STRAIGHT(FOR CLUTCH HOUSING SET)
L=22,OD=10
11434CPIN, STRAIGHT (FOR CYLINDER HEAD SET)
L=18,OD=8
11452GUIDE, OIL LEVEL GAGE
11459SUPPORT, OIL LEVEL GAGE GUIDE
1301
15301GAGE SUB-ASSY, OIL LEVEL
9011908334
main90119-08334
9017908126
main90179-08126
9165260818
main91652-60818
22 parts on this diagram · 2 diagrams in section