E
EPC Data

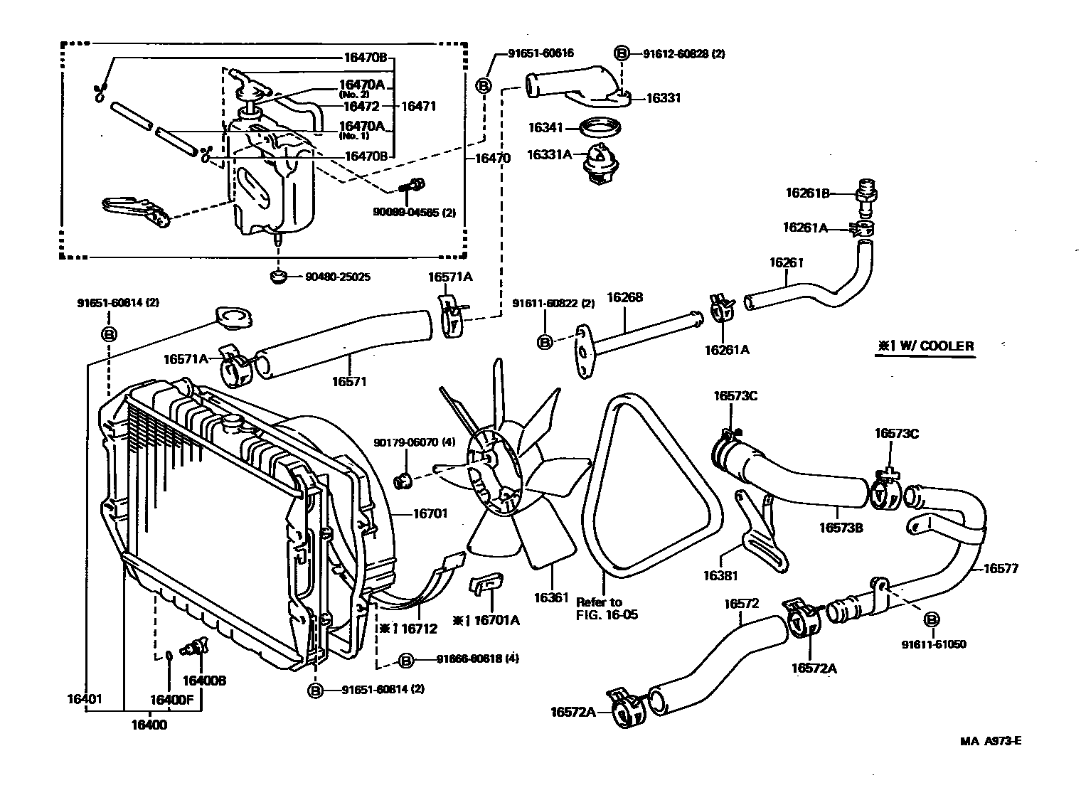
RADIATOR & WATER OUTLET

Parts diagram
16261HOSE, WATER BY-PASS
main16261-35030i198808-199501
main16261-35060i198808-198908
main16261-35080i198808-199008
main16261-65011i198808-199108
16261ACLAMP OR CLIP, HOSE(FOR WATER BY-PASS HOSE)
main90467-20005×2i198808-199501
main90467-23003×2i198808-199108
16261BUNION(FOR WATER BY-PASS HOSE)
main90404-53040i198808-199008
main90407-53007i198808-199501
16268PIPE, WATER BY-PASS, NO.1
main16268-35010i198808-199008
main16268-35030i198808-199501
main16268-65011i198808-199511
16331OUTLET, WATER
main16331-35040i198808-199009
main16331-35041i199009-199501
main16331-35050i198808-199008
main16331-65011i198808-199108
main16331-65020i199108-199511
16331ATHERMOSTAT
main90916-03078i198808-199501
*WAX 88-100
main90916-03079i198808-199008
*WAX 82-95
16341GASKET, WATER OUTLET
main16341-35010i198808-199501
main16341-65010i198808-199008
16361FAN
main16361-38010i198808-199501
main16361-65010i198808-199308
main16361-65020i199308-199511
16381BAR, FAN BELT ADJUSTING
main16381-35021i198808-199501
main16381-65010i198808-199511
16400RADIATOR ASSY
main16400-35330i198808-199008
ALTERNATOR=60A
main16400-35350i198808-199501
main16400-35360i198808-199501
main16400-35440i198808-199501
TOWING PACKAGE
main16400-35520i198904-199108
main16400-35540i198904-199108
main16400-65030i198808-199108
main16400-65050i198808-199008
main16400-65060i198904-199005
main16400-65061i199005-199108
main16400-65080i199008-199108
main16400-65090i199108-199501
main16400-65110i199108-199501
main16400-65120i199108-199511
main16400-71081i198808-199008
16400BPLUG, RADIATOR DRAIN COCK
main90910-09054i198808-199511
16400FPACKING(FOR RADIATOR DRAIN COCK)
main96711-19007i198808-199511
16401CAP SUB-ASSY, RADIATOR
main16401-63010i198808-199511
16470TANK ASSY, RADIATOR RESERVE
main16470-35070i198808-199108
W(AIR BOX)
main16470-35080i198808-198908
main16470-35100i199108-199501
main16470-35110i199108-199501
W(AIR BOX)
main16470-65010i198908-199108
main16470-65020i199108-199511
main16470-72030i198808-199108
16470AHOSE OR PIPE(FOR RADIATOR RESERVE TANK)
main85338-70070i198808-199511
NO.3
main90445-12078i198808-199501
L=600,NO.1; L=600,W(AIR BOX),NO.2
16470BCLAMP OR CLIP(FOR RADIATOR RESERVE TANK HOSE)
main90467-11085×2i198808-199511
16471CAP SUB-ASSY, RESERVE TANK
main16405-35010i198808-199501
W(AIR BOX)
main16405-35040i198808-199511
main16405-71010i198808-199501
16472HOSE, BREATHER
main85338-71030i198808-199511
16571HOSE, RADIATOR, INLET
main16571-35070i198808-199008
main16571-35080i198808-199205
main16571-35130i198904-199108
main16571-35180i199205-199501
main16571-65011i198808-199511
16571ACLAMP OR CLIP, HOSE(FOR RADIATOR INLET)
main90467-37003×2i198808-199511
16572HOSE, RADIATOR, OUTLET
main16572-35030i198808-199108
main16572-35060i198808-199108
TOWING PACKAGE
main16572-35100i198904-199108
main16572-35120i199108-199501
main16572-35140i199108-199501
TOWING PACKAGE
main16572-65010i198904-199511
main16572-65020i198808-199501
16572ACLAMP OR CLIP, HOSE(FOR RADIATOR OUTLET NO.1)
main90467-37002×2i199001-199108
main90467-38001×2i198808-199001
16573BHOSE, RADIATOR, NO.3
main16573-35030i199108-199501
main16573-38020i198808-199108
16573CCLAMP OR CLIP, RADIATOR HOSE, NO.3
main90467-37002i199001-199108
PIPE SIDE
main90467-38001i199108-199501
PIPE SIDE
main90467-41006i199108-199501
CHAIN COVER SIDE
main96111-10490i198808-199108
CHAIN COVER SIDE
16577PIPE, RADIATOR, NO.7
main16577-35030i198808-199108
main16577-35070i199108-199501
16701SHROUD SUB-ASSY, FAN
main16711-35020i198808-199501
main16711-35030i198808-199501
TOWING PACKAGE
main16711-35060i198904-198908
main16711-35061i198908-199108
main16711-65020i198808-199501
main16711-65030i198904-199005
main16711-65031i199005-199511
16701ACLIP(FOR FAN SHROUD)
main90468-06013×2i199408-199410
W(AIR CONDITIONER)
16712SHROUD, FAN, NO.2
main16712-35010i198904-198908
main16712-35011i198908-199108
main16712-54050i199108-199501
W(AIR CONDITIONER)
main16712-65010i198812-199511
main16712-65020i198812-199501
9009904565
9017906070
9048025025
9161160822
9161161050
9161260828
9165160616
9165160814
9166660618

38 parts on this diagram · 3 diagrams in section

RADIATOR & WATER OUTLET — Toyota Parts Diagram with OEM Numbers & Prices | EPC Data