E
EPC Data

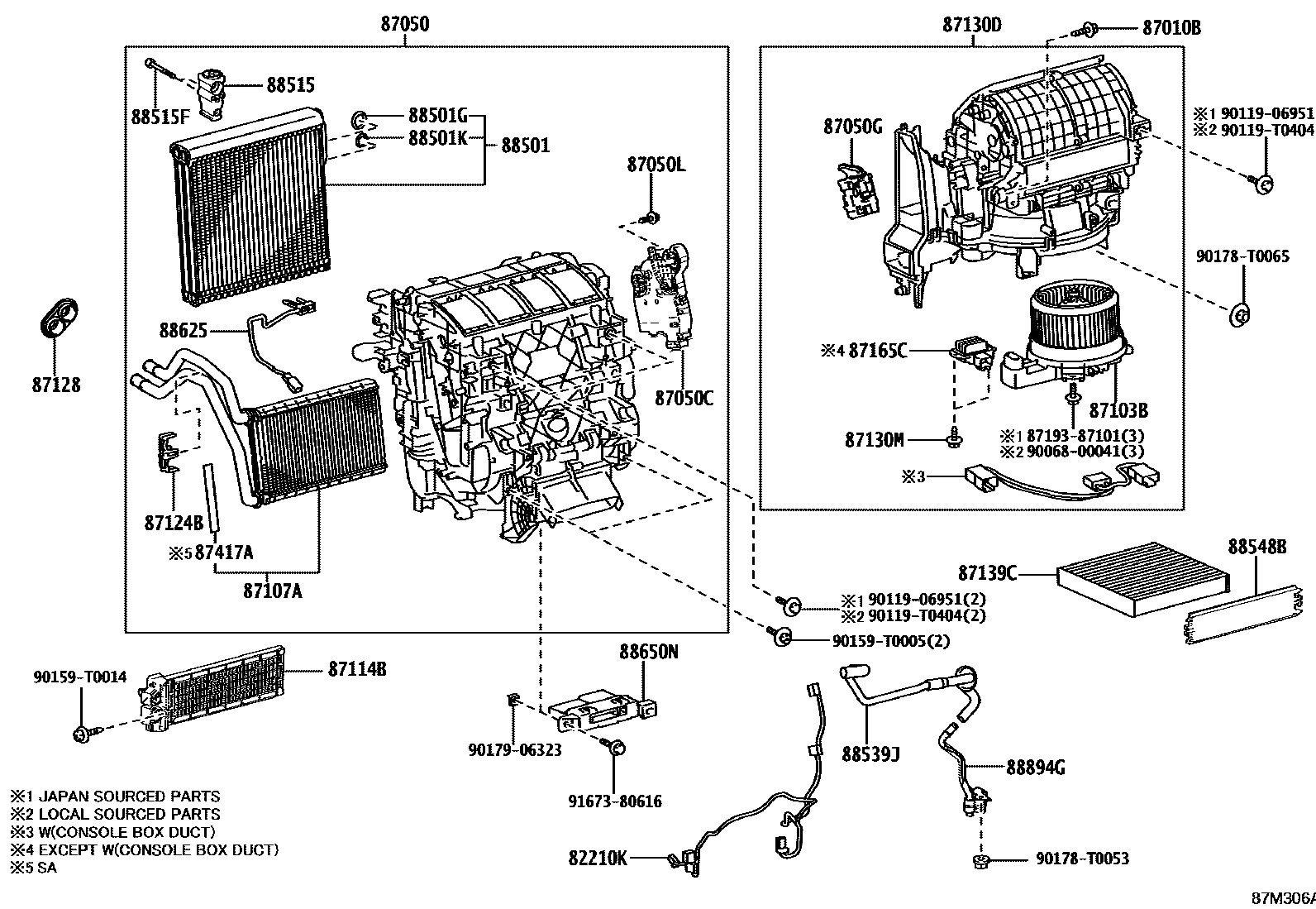
HEATING & AIR CONDITIONING - COOLER UNIT

Parts diagram
82210KHARNESS ASSY, AIR CONDITIONER
main82212-0K050i202308-202407
FRONT AIR CONDITIONER-AUTO; TOYOTA STOP & START SYSTEM-WITH&FRONT AIR CONDITIONER-AUTO
main82212-0K060i202308-202407
FRONT AIR CONDITIONER-AUTO
87010BSCREW(FOR AIR CONDITIONER UNIT)
main90068-00042×2i202308-202407
FRONT AIR CONDITIONER-MANUAL(DOP - DEALERSHIP INSTALL); FRONT AIR CONDITIONER-MANUAL(DOP - DEALERSHIP INSTALL)&FRONT SEAT-SEPARATE TYPE(SEAT COVER=BASIC)
main90094-90426×2i202311-202410
main90099-00968×2i202309-202408
87050RADIATOR ASSY, AIR CONDITIONER
main87050-0KC70i202308-202407
main87050-0KC80i202308-202407
main87050-0KC90i202308-202407
FRONT AIR CONDITIONER-MANUAL
main87050-0KD10i202308-202407
FRONT AIR CONDITIONER-MANUAL(DOP - DEALERSHIP INSTALL); FRONT AIR CONDITIONER-MANUAL(DOP - DEALERSHIP INSTALL)&FRONT SEAT-SEPARATE TYPE(SEAT COVER=BASIC)
main87050-0KE90i202311-202410
main87050-0KF30i202402-202410
main87050-0KG20supersedes 87050-0KG80i202402-202410
FRONT AIR CONDITIONER-MANUAL
main87050-0KJ00i202309-202408
main87050-0KJ20i202412
main87050-0KP30i202308-202407
FRONT AIR CONDITIONER-AUTO
main87050-0KP70i202308-202407
FRONT AIR CONDITIONER-AUTO
main87050-0KG00i202402-202410
FRONT AIR CONDITIONER-COOLER LESS
main87050-0KM71i202308-202407
TOYOTA STOP & START SYSTEM-WITH&FRONT AIR CONDITIONER-MANUAL
main87050-0KP80i202308-202407
TOYOTA STOP & START SYSTEM-WITH; TOYOTA STOP & START SYSTEM-WITH&FRONT AIR CONDITIONER-AUTO
87050CDAMPER SERVO SUB-ASSY, AIR CONDITIONER RADIATOR, NO.1
main87106-F4060i202308-202407
FRONT AIR CONDITIONER-AUTO; TOYOTA STOP & START SYSTEM-WITH&FRONT AIR CONDITIONER-AUTO
87050GDAMPER SERVO SUB-ASSY, AIR CONDITIONER RADIATOR, NO.5
main87106-0K241i202308-202407
FRONT AIR CONDITIONER-AUTO
main87106-0K251i202308-202407
FRONT AIR CONDITIONER-AUTO; TOYOTA STOP & START SYSTEM-WITH&FRONT AIR CONDITIONER-AUTO
87050LSCREW(FOR AIR CONDITIONER RADIATOR)
main90068-00042×8i202308-202407
FRONT AIR CONDITIONER-AUTO; FRONT AIR CONDITIONER-MANUAL; FRONT AIR CONDITIONER-MANUAL(DOP - DEALERSHIP INSTALL); FRONT AIR CONDITIONER-MANUAL(DOP - DEALERSHIP INSTALL)&FRONT SEAT-SEPARATE TYPE(SEAT COVER=BASIC); TOYOTA STOP & START SYSTEM-WITH; TOYOTA STOP & START SYSTEM-WITH&FRONT AIR CONDITIONER-AUTO; TOYOTA STOP & START SYSTEM-WITH&FRONT AIR CONDITIONER-MANUAL
main90094-90426×11i202311-202410
main90099-00968×6i202309-202408
87103BMOTOR SUB-ASSY, BLOWER W/FAN
main87103-0K321i202308-202407
main87103-0K331i202308-202407
main87103-0K381i202308-202407
FRONT AIR CONDITIONER-AUTO; FRONT AIR CONDITIONER-MANUAL; TOYOTA STOP & START SYSTEM-WITH&FRONT AIR CONDITIONER-AUTO; TOYOTA STOP & START SYSTEM-WITH&FRONT AIR CONDITIONER-MANUAL
main87103-0K391i202308-202407
FRONT AIR CONDITIONER-MANUAL(DOP - DEALERSHIP INSTALL); FRONT AIR CONDITIONER-MANUAL(DOP - DEALERSHIP INSTALL)&FRONT SEAT-SEPARATE TYPE(SEAT COVER=BASIC)
main87103-0K461i202311-202410
main87103-0K491i202402-202410
main87103-0K501i202402-202410
main87103-0K531i202309-202408
main87103-0K551i202412
87107AUNIT SUB-ASSY, HEATER RADIATOR
main87107-0K110i202308-202407
FRONT AIR CONDITIONER-AUTO; FRONT AIR CONDITIONER-MANUAL; FRONT AIR CONDITIONER-MANUAL(DOP - DEALERSHIP INSTALL); FRONT AIR CONDITIONER-MANUAL(DOP - DEALERSHIP INSTALL)&FRONT SEAT-SEPARATE TYPE(SEAT COVER=BASIC); TOYOTA STOP & START SYSTEM-WITH&FRONT AIR CONDITIONER-AUTO; TOYOTA STOP & START SYSTEM-WITH&FRONT AIR CONDITIONER-MANUAL
main87107-0K150i202311-202410
main87107-0K170i202402-202410
main87107-0K190i202412
87114BCOVER, HEATER
main87114-0K040i202308
main87114-0K050i202402-202410
main87114-0K070i202311-202410
main87114-0K090i202309-202408
87124BCLAMP, HEATER
main87124-06140i202308-202407
FRONT AIR CONDITIONER-AUTO; FRONT AIR CONDITIONER-MANUAL; FRONT AIR CONDITIONER-MANUAL(DOP - DEALERSHIP INSTALL); FRONT AIR CONDITIONER-MANUAL(DOP - DEALERSHIP INSTALL)&FRONT SEAT-SEPARATE TYPE(SEAT COVER=BASIC); TOYOTA STOP & START SYSTEM-WITH&FRONT AIR CONDITIONER-AUTO; TOYOTA STOP & START SYSTEM-WITH&FRONT AIR CONDITIONER-MANUAL
main87124-0K220i202311-202410
main87124-0K230i202402-202410
87128GROMMET, HEATER
main87128-0K180i202308-202407
FRONT AIR CONDITIONER-AUTO; FRONT AIR CONDITIONER-MANUAL; FRONT AIR CONDITIONER-MANUAL(DOP - DEALERSHIP INSTALL); FRONT AIR CONDITIONER-MANUAL(DOP - DEALERSHIP INSTALL)&FRONT SEAT-SEPARATE TYPE(SEAT COVER=BASIC); TOYOTA STOP & START SYSTEM-WITH&FRONT AIR CONDITIONER-AUTO; TOYOTA STOP & START SYSTEM-WITH&FRONT AIR CONDITIONER-MANUAL
main87128-0K190i202311-202410
main87128-0K200i202402-202412
main87128-0K210i202309-202408
87130DBLOWER ASSY
main87130-0K531i202308-202407
main87130-0K551i202308-202407
main87130-0K561i202308-202407
FRONT AIR CONDITIONER-MANUAL; TOYOTA STOP & START SYSTEM-WITH&FRONT AIR CONDITIONER-MANUAL
main87130-0K581i202308-202407
FRONT AIR CONDITIONER-MANUAL(DOP - DEALERSHIP INSTALL); FRONT AIR CONDITIONER-MANUAL(DOP - DEALERSHIP INSTALL)&FRONT SEAT-SEPARATE TYPE(SEAT COVER=BASIC)
main87130-0K621i202308-202407
FRONT AIR CONDITIONER-AUTO; TOYOTA STOP & START SYSTEM-WITH&FRONT AIR CONDITIONER-AUTO
main87130-0K631i202308-202407
FRONT AIR CONDITIONER-AUTO
main87130-0K711i202311-202410
main87130-0K761i202402-202410
main87130-0K791i202402-202410
main87130-0K831i202309-202408
main87130-0K861i202412
87130MSCREW(FOR BLOWER)
main90068-00042×3i202308-202407
FRONT AIR CONDITIONER-AUTO; FRONT AIR CONDITIONER-MANUAL(DOP - DEALERSHIP INSTALL); FRONT AIR CONDITIONER-MANUAL(DOP - DEALERSHIP INSTALL)&FRONT SEAT-SEPARATE TYPE(SEAT COVER=BASIC); TOYOTA STOP & START SYSTEM-WITH&FRONT AIR CONDITIONER-AUTO
main90094-90426×3i202311-202410
main90099-00968×3i202309-202408
87139CFILTER, CLEAN AIR
main87139-06130i202308-202407
MICRO DUST FILTER
main87139-0K070i202308-202407
POLLEN FILTER
main87139-0K080i202311-202410
POLLEN FILTER
main87139-0K090i202402-202410
POLLEN FILTER
main87139-0K100i202309-202408
POLLEN FILTER
main87139-58010i202308-202408
DEODORANT FILTER
87165CCONTROL, BLOWER MOTOR
main87165-0K060i202308-202407
FRONT AIR CONDITIONER-AUTO; TOYOTA STOP & START SYSTEM-WITH&FRONT AIR CONDITIONER-AUTO
87417APACKING, AIR DUCT
main87417-0K050i202402-202412
88501EVAPORATOR SUB-ASSY, COOLER, NO.1
main88501-0K320i202308-202407
main88501-0K390i202308-202407
FRONT AIR CONDITIONER-MANUAL(DOP - DEALERSHIP INSTALL); FRONT AIR CONDITIONER-MANUAL(DOP - DEALERSHIP INSTALL)&FRONT SEAT-SEPARATE TYPE(SEAT COVER=BASIC)
main88501-0K420i202402-202410
main88501-0K430i202402-202412
main88501-0K480i202311-202410
main88501-0K510i202309-202408
main88501-0K520i202412
main88501-0K330i202308-202407
TOYOTA STOP & START SYSTEM-WITH; TOYOTA STOP & START SYSTEM-WITH&FRONT AIR CONDITIONER-AUTO
88501GO-RING, COOLER EVAPORATOR NO.1(SUCTION)
main90068-14044i202308-202407
ID=10.2,OD=15.0; ID=10.2,OD=15.0,FRONT AIR CONDITIONER-MANUAL(DOP - DEALERSHIP INSTALL); ID=10.2,OD=15.0,FRONT AIR CONDITIONER-MANUAL(DOP - DEALERSHIP INSTALL)&FRONT SEAT-SEPARATE TYPE(SEAT COVER=BASIC)
main90099-14121i202309-202410
ID=13.4,OD=18.2
88501KO-RING, COOLER EVAPORATOR NO.1(LIQUID)
main90068-14043i202308-202407
ID=13.4,OD=18.2; ID=13.4,OD=18.2,FRONT AIR CONDITIONER-MANUAL(DOP - DEALERSHIP INSTALL); ID=13.4,OD=18.2,FRONT AIR CONDITIONER-MANUAL(DOP - DEALERSHIP INSTALL)&FRONT SEAT-SEPARATE TYPE(SEAT COVER=BASIC)
main90099-14120i202309-202408
ID=10.8,OD=15.6
88515VALVE, COOLER EXPANSION
main88515-0K580i202308-202407
FRONT AIR CONDITIONER-MANUAL(DOP - DEALERSHIP INSTALL); FRONT AIR CONDITIONER-MANUAL(DOP - DEALERSHIP INSTALL)&FRONT SEAT-SEPARATE TYPE(SEAT COVER=BASIC)
main88515-0K670i202308-202407
TOYOTA STOP & START SYSTEM-WITH; TOYOTA STOP & START SYSTEM-WITH&FRONT AIR CONDITIONER-AUTO
88515FBOLT(FOR COOLER EXPANSION VALVE)
main90068-04042×2i202311-202410
main90068-04062×2i202308-202407
FRONT AIR CONDITIONER-MANUAL(DOP - DEALERSHIP INSTALL); FRONT AIR CONDITIONER-MANUAL(DOP - DEALERSHIP INSTALL)&FRONT SEAT-SEPARATE TYPE(SEAT COVER=BASIC)
main90099-04542×2i202309-202408
88539JHOSE, DRAIN COOLER
main88539-0K380i202308-202407
CENTRAL AND SOUTH AMERICA SPEC&FRONT AIR CONDITIONER-MANUAL(DOP - DEALERSHIP INSTALL); ECUADOR SPEC&FRONT AIR CONDITIONER-MANUAL(DOP - DEALERSHIP INSTALL); FRONT AIR CONDITIONER-MANUAL(DOP - DEALERSHIP INSTALL)
main88539-0K390i202308-202407
main88539-0K410i202311-202410
main88539-0K420i202402-202410
main88539-0K430i202402-202412
main88539-0K470i202309-202408
main88539-0K490i202412
88548BCASE, AIR FILTER
main88548-0K111i202311-202410
main88548-0K121i202402-202412
main88548-0K131i202309-202408
main88899-06330i202308
88625THERMISTOR, COOLER, NO.1
main88620-0K010i202308-202407
FRONT AIR CONDITIONER-MANUAL(DOP - DEALERSHIP INSTALL); FRONT AIR CONDITIONER-MANUAL(DOP - DEALERSHIP INSTALL)&FRONT SEAT-SEPARATE TYPE(SEAT COVER=BASIC)
main88620-0K020i202308-202407
TOYOTA STOP & START SYSTEM-WITH; TOYOTA STOP & START SYSTEM-WITH&FRONT AIR CONDITIONER-AUTO
88650NAMPLIFIER ASSY, AIR CONDITIONER
main88650-0K400i202308-202408
main88650-0K480i202311-202410
main88650-0K730i202308-202407
FRONT AIR CONDITIONER-AUTO
main88650-0K830i202308-202407
SAUDI ARABIA SPEC&TOYOTA STOP & START SYSTEM-WITH; TOYOTA STOP & START SYSTEM-WITH&FRONT AIR CONDITIONER-MANUAL
88894GCONNECTOR, DRAIN HOSE
main88894-0K020i202308-202407
main88894-0K100i202402-202410
main88894-0K110i202402-202410
main88894-0K130i202309-202408
main88894-0K260i202308-202407
CENTRAL AND SOUTH AMERICA SPEC&FRONT AIR CONDITIONER-MANUAL(DOP - DEALERSHIP INSTALL); ECUADOR SPEC&FRONT AIR CONDITIONER-MANUAL(DOP - DEALERSHIP INSTALL); FRONT AIR CONDITIONER-MANUAL(DOP - DEALERSHIP INSTALL)
main88894-0K270i202311-202410
8719387101
9006800041
9011906951
90119T0404
90159T0005
90159T0014
90178T0053
90178T0065
9017906323
9167380616

36 parts on this diagram · 10 diagrams in section

HEATING & AIR CONDITIONING - COOLER UNIT — Toyota Parts Diagram with OEM Numbers & Prices | EPC Data