E
EPC Data

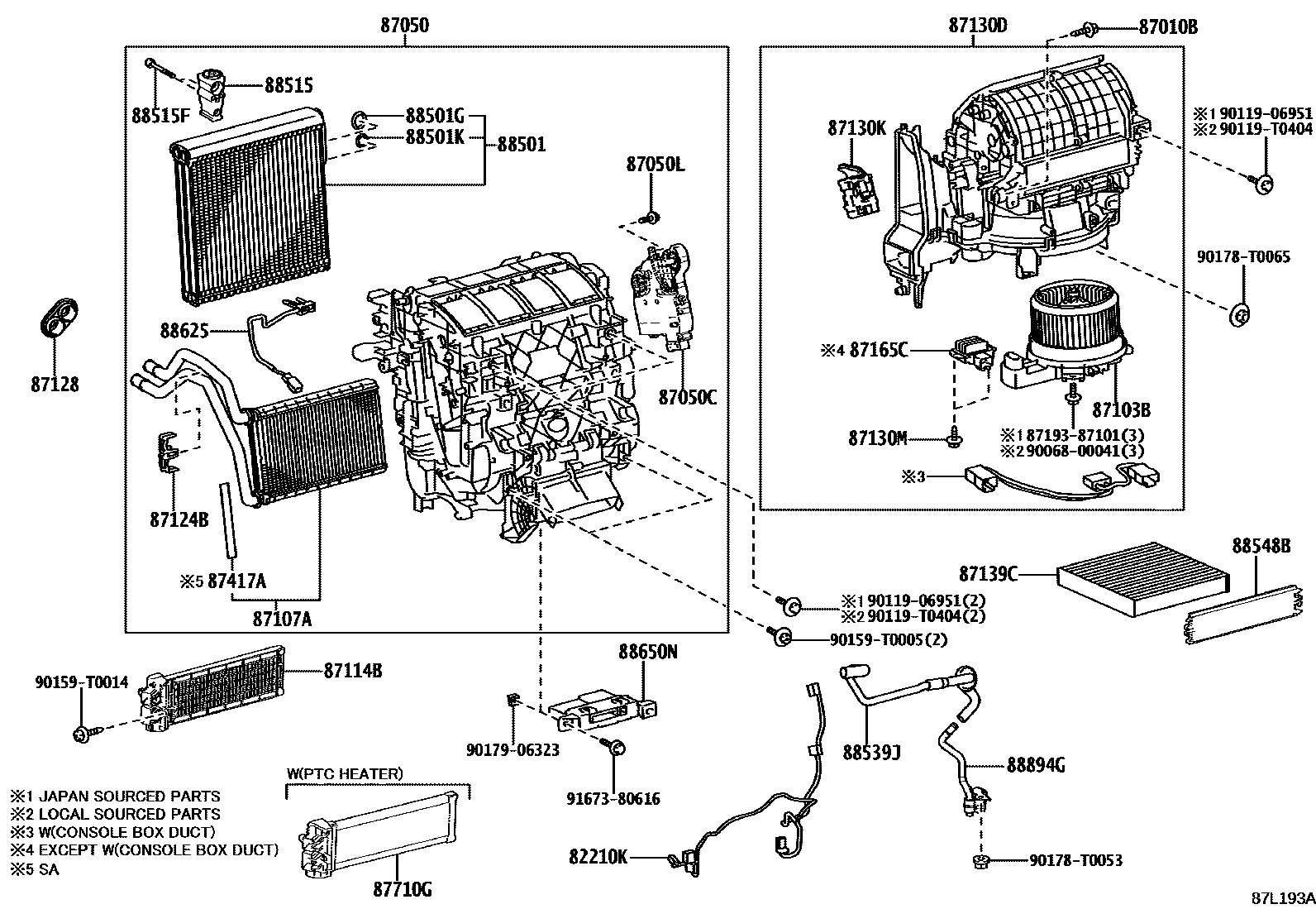
HEATING & AIR CONDITIONING - COOLER UNIT

Parts diagram
82210KHARNESS ASSY, AIR CONDITIONER
main82212-0K050i202208-202307
main82212-0K060i202208-202307
87010BSCREW(FOR AIR CONDITIONER UNIT)
main90068-00042×2i202208-202307
main90094-90426×2i202211-202310
main90099-00968×2i202209-202308
87050RADIATOR ASSY, AIR CONDITIONER
main87050-0KC70i202208-202307
main87050-0KC80i202208-202307
main87050-0KC90i202208-202307
FRONT AIR CONDITIONER-MANUAL
main87050-0KD10i202208-202307
main87050-0KE90i202211-202310
main87050-0KF30i202301-202401
main87050-0KG20supersedes 87050-0KG80i202301-202403
main87050-0KJ00i202209-202308
main87050-0KJ20i202303
main87050-0KP30i202208-202307
main87050-0KP70i202208-202307
main87050-0KG00i202301-202401
FRONT AIR CONDITIONER-COOLER LESS
main87050-0KM71i202208-202307
TOYOTA STOP & START SYSTEM-WITH&FRONT AIR CONDITIONER-MANUAL
main87050-0KP80i202208-202307
TOYOTA STOP & START SYSTEM-WITH
87050CDAMPER SERVO SUB-ASSY, AIR CONDITIONER RADIATOR, NO.1
main87106-F4060i202208-202307
87050LSCREW(FOR AIR CONDITIONER RADIATOR)
main90068-00042i202208-202307
main90094-90426i202211-202310
main90099-00968i202209-202308
87103BMOTOR SUB-ASSY, BLOWER W/FAN
main87103-0K321i202208-202307
main87103-0K331i202208-202307
main87103-0K381i202208-202307
FRONT AIR CONDITIONER-MANUAL; TOYOTA STOP & START SYSTEM-WITH&FRONT AIR CONDITIONER-MANUAL
main87103-0K391i202208-202307
main87103-0K461i202211-202310
main87103-0K491i202301-202403
main87103-0K501i202301-202401
main87103-0K531i202209-202308
main87103-0K551i202303
87107AUNIT SUB-ASSY, HEATER RADIATOR
main87107-0K110i202208-202307
FRONT AIR CONDITIONER-MANUAL; TOYOTA STOP & START SYSTEM-WITH&FRONT AIR CONDITIONER-MANUAL
main87107-0K150i202211-202310
main87107-0K170i202301-202401
main87107-0K190i202303
87114BCOVER, HEATER
main87114-0K040i202208-202307
main87114-0K050i202301-202403
main87114-0K070i202211-202310
main87114-0K090i202209-202308
87124BCLAMP, HEATER
main87124-06140i202208-202307
FRONT AIR CONDITIONER-MANUAL; TOYOTA STOP & START SYSTEM-WITH&FRONT AIR CONDITIONER-MANUAL
main87124-0K220i202211-202310
main87124-0K230i202301-202401
87128GROMMET, HEATER
main87128-0K180i202208-202307
FRONT AIR CONDITIONER-MANUAL; TOYOTA STOP & START SYSTEM-WITH&FRONT AIR CONDITIONER-MANUAL
main87128-0K190i202211-202310
main87128-0K200i202301-202403
main87128-0K210i202209-202308
87130DBLOWER ASSY
main87130-0K531i202208-202307
main87130-0K551i202208-202307
main87130-0K561i202208-202307
FRONT AIR CONDITIONER-MANUAL; TOYOTA STOP & START SYSTEM-WITH&FRONT AIR CONDITIONER-MANUAL
main87130-0K581i202208-202307
main87130-0K621i202208-202307
main87130-0K631i202208-202307
main87130-0K711i202211-202310
main87130-0K761i202301-202401
main87130-0K791i202301-202401
main87130-0K831i202209-202308
main87130-0K861i202303
87130KDAMPER SERVO SUB-ASSY, BLOWER, NO.1
main87106-0K241i202208-202307
main87106-0K251i202208-202307
87130MSCREW(FOR BLOWER)
main90068-00042×3i202208-202307
main90094-90426×3i202211-202310
main90099-00968×3i202209-202308
87139CFILTER, CLEAN AIR
main87139-06130i202208-202307
MICRO DUST FILTER
main87139-0K070i202208-202307
POLLEN FILTER,OE PART
main87139-0K080i202211-202310
POLLEN FILTER,OE PART
main87139-0K090i202301-202401
POLLEN FILTER,OE PART
main87139-0K100i202209-202308
POLLEN FILTER
main87139-58010i202208-202401
DEODORANT FILTER
87165CCONTROL, BLOWER MOTOR
main87165-0K060i202208-202307
87417APACKING, AIR DUCT
main87417-0K050i202301-202401
87710GQUICK HEATER ASSY
main87710-0K100i202208-202307
88501EVAPORATOR SUB-ASSY, COOLER, NO.1
main88501-0K320i202208-202307
main88501-0K390i202208-202307
main88501-0K420i202301-202401
main88501-0K430i202301-202403
main88501-0K480i202211-202310
main88501-0K510i202209-202308
main88501-0K520i202303
main88501-0K330i202208-202307
TOYOTA STOP & START SYSTEM-WITH
88501GO-RING, COOLER EVAPORATOR NO.1(SUCTION)
main90068-14044i202208-202307
ID=10.2,OD=15.0
main90099-14121i202209-202310
ID=13.4,OD=18.2
88501KO-RING, COOLER EVAPORATOR NO.1(LIQUID)
main90068-14043i202208-202307
ID=13.4,OD=18.2
main90099-14120i202209-202310
ID=10.8,OD=15.6
88515VALVE, COOLER EXPANSION
main88515-0K580i202208
main88515-0K670i202208-202307
TOYOTA STOP & START SYSTEM-WITH
88515FBOLT(FOR COOLER EXPANSION VALVE)
main90068-04042×2i202211-202310
main90068-04062×2i202208-202307
main90099-04542×2i202209-202308
88539JHOSE, DRAIN COOLER
main88539-0K380i202208-202307
main88539-0K390i202208-202307
main88539-0K410i202211-202310
main88539-0K420i202301-202401
main88539-0K430i202301-202403
main88539-0K470i202209-202308
main88539-0K490i202303
88548BCASE, AIR FILTER
main88548-0K111i202211-202310
main88548-0K121i202301-202401
main88548-0K131i202209-202308
main88899-06330i202208
88625THERMISTOR, COOLER, NO.1
main88620-0K010i202208
main88620-0K020i202208-202307
TOYOTA STOP & START SYSTEM-WITH
88650NAMPLIFIER ASSY, AIR CONDITIONER
main88650-0K400i202208-202307
CAMBODIA SPEC&FRONT AIR CONDITIONER-MANUAL(DOP - DEALERSHIP INSTALL); CAMBODIA SPEC&FRONT AIR CONDITIONER-MANUAL(DOP - PLANT INSTALL); CENTRAL AND SOUTH AMERICA SPEC&FRONT AIR CONDITIONER-MANUAL(DOP - DEALERSHIP INSTALL); CENTRAL AND SOUTH AMERICA SPEC&FRONT AIR CONDITIONER-MANUAL(DOP - PLANT INSTALL); FRONT AIR CONDITIONER-MANUAL
main88650-0K480i202211-202310
main88650-0K730i202208-202307
main88650-0K830i202208-202307
SAUDI ARABIA SPEC&TOYOTA STOP & START SYSTEM-WITH; TOYOTA STOP & START SYSTEM-WITH&FRONT AIR CONDITIONER-MANUAL
88894GCONNECTOR, DRAIN HOSE
main88894-0K020i202208-202307
main88894-0K090i202211-202310
main88894-0K100i202301-202401
main88894-0K110i202301-202401
main88894-0K130i202209-202308
main88894-0K260i202208-202307
8719387101
9006800041
9011906951
90119T0404
90159T0005
90159T0014
90178T0053
90178T0065
9017906323
9167380616

37 parts on this diagram · 9 diagrams in section

HEATING & AIR CONDITIONING - COOLER UNIT — Toyota Parts Diagram with OEM Numbers & Prices | EPC Data