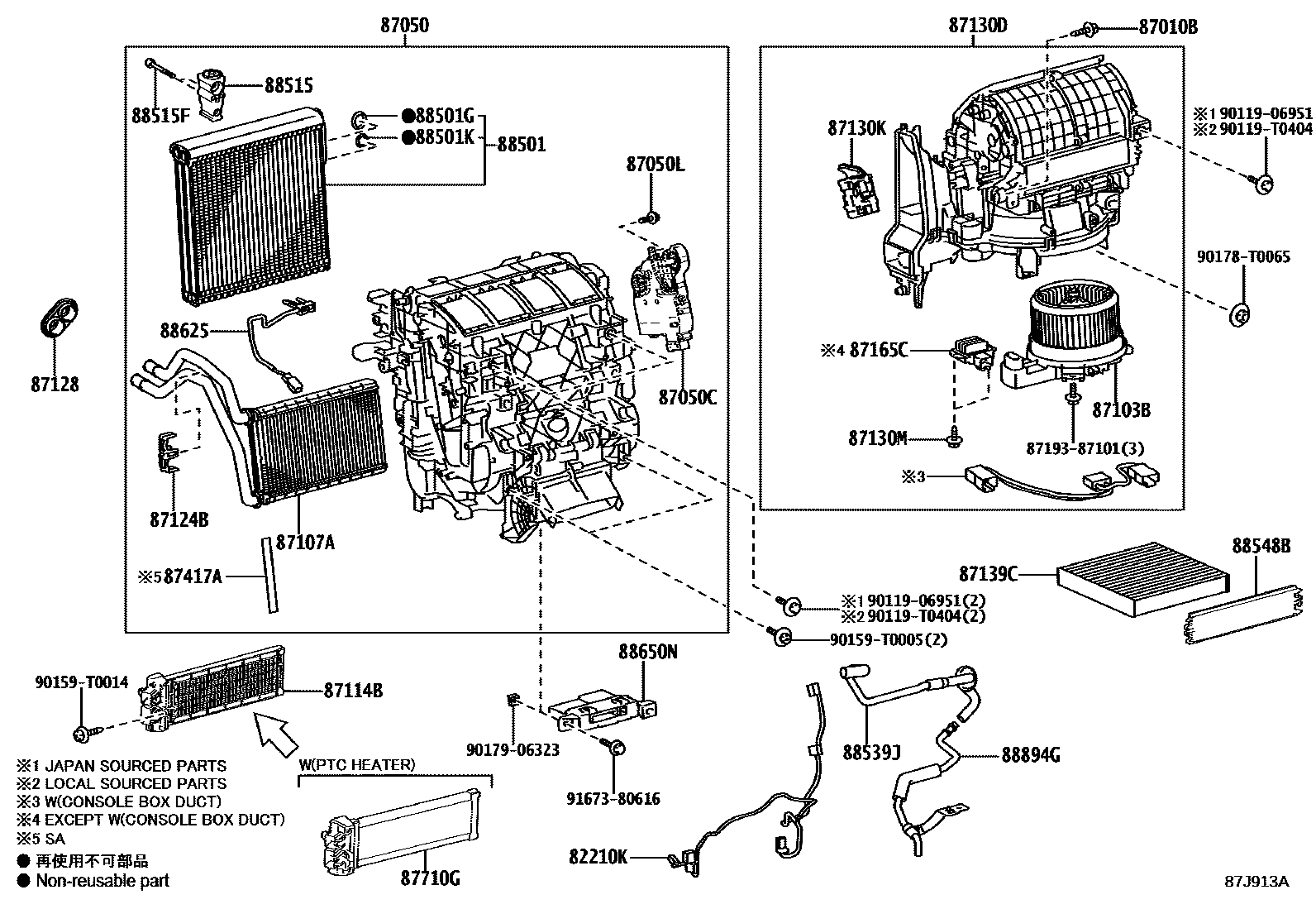
82210KHARNESS ASSY, AIR CONDITIONER
FRONT AIR CONDITIONER-AUTO
87010BSCREW(FOR AIR CONDITIONER UNIT)
main90068-00042×2iGUN11#,12#,13#,TGN11#,12#..THP202108-202207 main90094-90426×2iGUN125,126,135,TGN126,136..AGTP202111-202210 87050RADIATOR ASSY, AIR CONDITIONER
main87050-0KC70iGUN112,12#,135,TGN110,121..(L,S)..(IDN,TH)202108-202207 main87050-0KC90iGUN126..ARL..IV3;GUN122,125,13#,TGN121..RHD..(ARL,GEN)202108-202207 FRONT AIR CONDITIONER-MANUAL
main87050-0KD10iGUN11#,122,125,126,135,TGN11#,12#..LHD..THP..(L,S)..(GCC,GEN,LA)202108-202207 main87050-0KE90iGUN125,126,135,TGN126,136..AGTP202111-202210 main87050-0KF30iGUN122,125,LAN125,TGN121..LHD..SA202109-202301 main87050-0KG20supersedes 87050-0KG80iGUN125,135..L..KEN;GUN125,126,13#,TGN136..RHD..(H,S)..(KEN,SA)202109-202303 FRONT AIR CONDITIONER-AUTO
FRONT AIR CONDITIONER-COOLER LESS
FRONT AIR CONDITIONER-COOLER LESS
TOYOTA STOP & START SYSTEM-WITH&FRONT AIR CONDITIONER-MANUAL
main87050-0KP80iGUN126..H..TH;GUN135..6F..H202108-202207 TOYOTA STOP & START SYSTEM-WITH
87050CDAMPER SERVO SUB-ASSY, AIR CONDITIONER RADIATOR, NO.1
main87106-F4060iGUN125,126,135..XTR..THP..H202108-202207 FRONT AIR CONDITIONER-AUTO
87050LSCREW(FOR AIR CONDITIONER RADIATOR)
main90068-00042iGUN11#,12#,13#,TGN11#,12#..THP202108-202207 TOYOTA STOP & START SYSTEM-WITH
main90094-90426iGUN125,126,135,TGN126,136..AGTP202111-202210 87103BMOTOR SUB-ASSY, BLOWER W/FAN
main87103-0K321iGUN112,12#,135,TGN110,121..(L,S)..(IDN,TH)202108-202207 main87103-0K381iGUN135..H;GUN126..RHD..THP..(H,S);GUN122,125,13#,TGN121..RHD..(ARL,GEN)202108-202207 TOYOTA STOP & START SYSTEM-WITH&FRONT AIR CONDITIONER-MANUAL
main87103-0K391iGUN11#,122,125,126,135,TGN11#,12#..LHD..THP..(GCC,GEN,LA)202108-202207 main87103-0K461iGUN125,126,135,TGN126,136..AGTP202111-202210 main87103-0K491iGUN122,125,126,13#,TGN120,136..RHD..(KEN,SA)202109-202303 main87103-0K501iGUN122,125,LAN125,TGN121..LHD..SA202109-202301 87107AUNIT SUB-ASSY, HEATER RADIATOR
main87107-0K110iGUN135..H;GUN126..THP..(H,S);GUN11#,122,125,13#,TGN11#,12#..THP..(ARL,GCC,GEN,LA)202108-202207 TOYOTA STOP & START SYSTEM-WITH&FRONT AIR CONDITIONER-MANUAL
main87107-0K150iGUN125,126,135,TGN126,136..AGTP202111-202210 main87107-0K170iGUN122,125,126,13#,LAN125,TGN120,121,136..KEN,SA202109-202303 87114BCOVER, HEATER
main87114-0K040iGUN125..THP..6F;GUN125..6FC..IV3;GUN11#,120,121,122,126,13#,TGN11#,12#..THP202108-202207 main87114-0K050iGUN122,125,126,13#,LAN125,TGN120,121,136..KEN,SA202109-202303 main87114-0K070iGUN125,126,135,TGN126,136..AGTP202111-202210 87124BCLAMP, HEATER
main87124-06140iGUN135..H;GUN126..THP..(H,S);GUN11#,122,125,13#,TGN11#,12#..THP..(ARL,GCC,GEN,LA)202108-202207 TOYOTA STOP & START SYSTEM-WITH&FRONT AIR CONDITIONER-MANUAL
main87124-0K220iGUN125,126,135,TGN126,136..AGTP202111-202210 main87124-0K230iGUN122,125,126,13#,LAN125,TGN120,121,136..KEN,SA202109-202303 87128GROMMET, HEATER
main87128-0K170iGUN112,12#,135,TGN110,121..(L,S)..(IDN,PH,TH)202108-202207 main87128-0K180iGUN135..H;GUN126..THP..(H,S);GUN11#,122,125,13#,TGN11#,12#..THP..(ARL,GCC,GEN,LA)202108-202207 TOYOTA STOP & START SYSTEM-WITH&FRONT AIR CONDITIONER-MANUAL
main87128-0K190iGUN125,126,135,TGN126,136..AGTP202111-202210 main87128-0K200iGUN122,125,126,13#,LAN125,TGN120,121,136..KEN,SA202109-202303 87130DBLOWER ASSY
main87130-0K531iGUN112,12#,135,TGN110,121..(L,S)..(IDN,TH)202108-202207 main87130-0K561iGUN126..ARL..IV3;GUN122,125,13#,TGN121..RHD..(ARL,GEN)202108-202207 TOYOTA STOP & START SYSTEM-WITH&FRONT AIR CONDITIONER-MANUAL
main87130-0K581iGUN11#,122,125,126,135,TGN11#,12#..LHD..THP..(L,S)..(GCC,GEN,LA)202108-202207 FRONT AIR CONDITIONER-AUTO
main87130-0K711iGUN125,126,135,TGN126,136..AGTP202111-202210 main87130-0K761iGUN122,125,LAN125,TGN121..LHD..SA202109-202301 main87130-0K791iGUN122,125,126,13#,TGN120,136..RHD..(KEN,SA)202109-202303 87130KDAMPER SERVO SUB-ASSY, BLOWER, NO.1
FRONT AIR CONDITIONER-AUTO
87130MSCREW(FOR BLOWER)
main90068-00042×3iGUN125,126,135..XTR..THP..H202108-202207 FRONT AIR CONDITIONER-AUTO
main90094-90426×3iGUN125,126,135,TGN126,136..AGTP202111-202210 87139CFILTER, CLEAN AIR
main87139-0K060iGUN112,12#,135,TGN110,121..IDN,PH,TH202108-202207 POLLEN FILTER
main87139-0K070iGUN11#,122,125,126,13#,TGN11#,12#..THP..(ARL,GCC,GEN,LA)202108-202207 POLLEN FILTER,OE PART
main87139-0K080iGUN125,126,135,TGN126,136..AGTP202111-202210 POLLEN FILTER,OE PART
main87139-0K090iGUN122,125,126,13#,LAN125,TGN120,121,136..KEN,SA202109-202301 POLLEN FILTER,OE PART
main87139-58010iGUN125,126,135,TGN126,136..AGTP202108-202210 DEODORANT FILTER
87165CCONTROL, BLOWER MOTOR
main87165-0K060iGUN125,126,135..XTR..THP..H202108-202207 FRONT AIR CONDITIONER-AUTO
87417APACKING, AIR DUCT
main87417-0K050iGUN122,125,126,13#,LAN125,TGN120,121,136..KEN,SA202109-202303 88501EVAPORATOR SUB-ASSY, COOLER, NO.1
main88501-0K320iGUN112,12#,13#,TGN110,121..RHD..THP202108-202207 main88501-0K390iGUN11#,122,125,126,135,TGN11#,12#..LHD..THP202108-202207 main88501-0K420iGUN122,125,LAN125,TGN121..LHD..SA202109-202301 main88501-0K430iGUN125,135..L..KEN;GUN125,126,13#,TGN136..RHD..(H,S)..(KEN,SA)202109-202303 main88501-0K480iGUN125,126,135,TGN126,136..AGTP202111-202210 main88501-0K330iGUN126..H..TH;GUN135..6F..H202108-202207 TOYOTA STOP & START SYSTEM-WITH
88501GO-RING, COOLER EVAPORATOR NO.1(SUCTION)
main90068-14044iGUN11#,12#,13#,TGN11#,12#..THP202108-202207 ID=10.2,OD=15.0
main90099-14121iGUN125,126,135,TGN126,136..AGTP202110-202210 ID=13.4,OD=18.2
88501KO-RING, COOLER EVAPORATOR NO.1(LIQUID)
main90068-14043iGUN11#,12#,13#,TGN11#,12#..THP202108-202207 ID=13.4,OD=18.2
88515VALVE, COOLER EXPANSION
main88515-0K580iGUN11#,12#,13#,TGN11#,12#..THP202108-202207 main88515-0K670iGUN126..H..TH;GUN135..6F..H202108-202207 TOYOTA STOP & START SYSTEM-WITH
88515FBOLT(FOR COOLER EXPANSION VALVE)
main90068-04042×2iGUN125,126,135,TGN126,136..AGTP202111-202210 main90068-04062×2iGUN11#,12#,13#,TGN11#,12#..THP202108-202207 88539JHOSE, DRAIN COOLER
main88539-0K380iGUN11#,122,125,126,135,TGN11#,12#..LHD..THP202108-202207 main88539-0K390iGUN112,12#,13#,TGN110,121..RHD..THP202108-202207 main88539-0K410iGUN125,126,135,TGN126,136..AGTP202111-202210 main88539-0K420iGUN122,125,LAN125,TGN121..LHD..SA202109-202301 main88539-0K430iGUN122,125,126,13#,TGN120,136..RHD..(KEN,SA)202109-202303 88548BCASE, AIR FILTER
main88548-0K111iGUN125,126,135,TGN126,136..AGTP202111-202210 main88548-0K121iGUN122,125,126,13#,LAN125,TGN120,121,136..KEN,SA202109-202303 main88899-06330iGUN11#,12#,13#,TGN11#,12#..THP202108-202207 88625THERMISTOR, COOLER, NO.1
main88620-0K010iGUN11#,12#,13#,TGN11#,12#..THP202108-202207 main88620-0K020iGUN126..H..TH;GUN135..6F..H202108-202207 TOYOTA STOP & START SYSTEM-WITH
88650NAMPLIFIER ASSY, AIR CONDITIONER
main88650-0K480iGUN125,126,135,TGN126,136..AGTP202111-202210 main88650-0K590iGUN125,126,135..XTR..THP..H202108-202207 FRONT AIR CONDITIONER-AUTO
SAUDI ARABIA SPEC&TOYOTA STOP & START SYSTEM-WITH
88894GCONNECTOR, DRAIN HOSE
main88894-0K010iGUN11#,122,125,126,135,TGN11#,12#..LHD..THP202108-202207 main88894-0K020iGUN112,12#,13#,TGN110,121..RHD..THP202108-202207 main88894-0K090iGUN125,126,135,TGN126,136..AGTP202111-202210 main88894-0K100iGUN122,125,LAN125,TGN121..LHD..SA202109-202301 main88894-0K110iGUN122,125,126,13#,TGN120,136..RHD..(KEN,SA)202109-202303