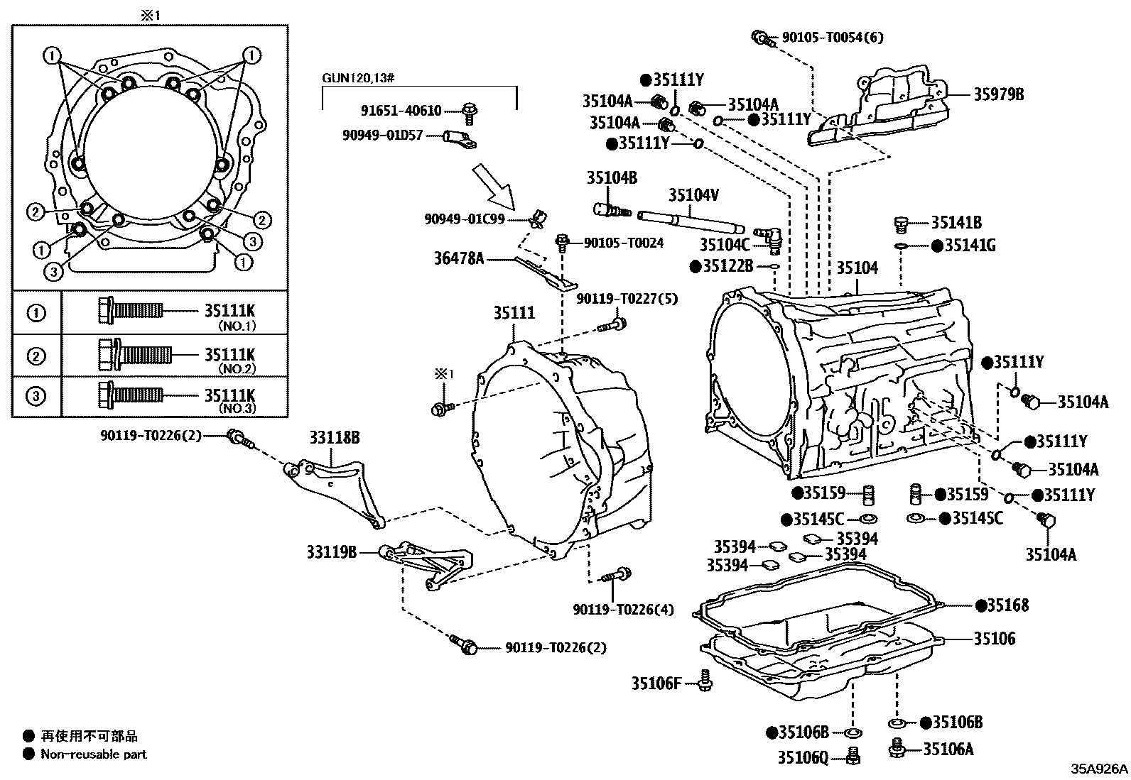
TRANSMISSION CASE & OIL PAN (ATM)

33118BPLATE, STIFFENER, RH(ATM)
33119BPLATE, STIFFENER, LH(ATM)
35104CASE SUB-ASSY, AUTOMATIC TRANSMISSION
(L)
(J)
35104APLUG, AUTOMATIC TRANSMISSION CASE
35104BPLUG, BREATHER, NO.1 (ATM)
(J)
(L)
35104CPLUG, BREATHER, NO.2 (ATM)
(L)
35104VHOSE (FOR BREATHER PLUG)
35106PAN SUB-ASSY, AUTOMATIC TRANSMISSION OIL
(L)
(J)
35106APLUG SUB-ASSY, DRAIN (ATM)
35106BGASKET, DRAIN PLUG (ATM)
TOYOTA STOP & START SYSTEM-WITH
35106FBOLT (FOR AUTOMATIC TRANSMISSION OIL PAN)
35106QPLUG (FOR AUTOMATIC TRANSMISSION OIL PAN)
35111HOUSING, AUTOMATIC TRANSMISSION
(L)
(L)
(J)
35111KBOLT (FOR TRANSMISSION HOUSING & CASE SETTING)
*8-1.25PX30-23.5
*10-1.5PX35-30,NO.1:REFER ILLUST.
*10-1.50PX35-29.3,NO.3:REFER ILLUST.
*12-1.75PX38-30,NO.2:REFER ILLUST.
35111YRING, O (FOR AUTOMATIC TRANSMISSION CASE)
(J)
(L)
35122BRING, O (FOR AUTOMATIC TRANSAXLE BREATHER TUBE UNION)
(J)
(L)
35141BPLUG (FOR AUTOMATIC TRANSMISSION CASE)
35141GRING, O (FOR AUTOMATIC TRANSMISSION CASE)
(J)
(L)
35145CGASKET, TRANSAXLE CASE
35159GASKET, BRAKE DRUM
(L)
(J)
35168GASKET, AUTOMATIC TRANSMISSION OIL PAN
(L)
(J)
35394MAGNET, OIL CLEANER (FOR TRANSMISSION)
35979BINSULATOR, TRANSMISSION, RH
36478ABRACKET, TRANSMISSION BREATHER
90105T0024
main90105-T0024
90105T0054
main90105-T0054
90119T0226
main90119-T0226
90119T0227
main90119-T0227
9094901C99
main90949-01C99
9094901D57
main90949-01D57
9165140610
main91651-40610
31 parts on this diagram · 2 diagrams in section