HEATING & AIR CONDITIONING - COOLER UNIT

5355FRONT FENDER APRON & DASH PANEL
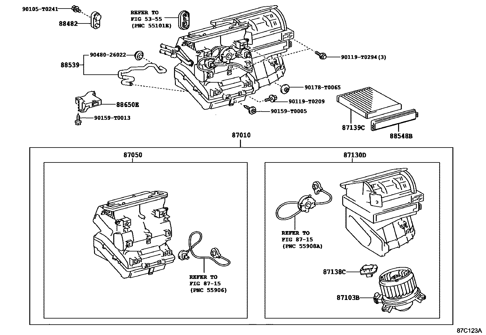
87010UNIT ASSY, AIR CONDITIONER
AIR CONDITIONER-AUTO COOLER SINGLE
87050RADIATOR ASSY, AIR CONDITIONER
main87050-0K010supersedes 87050-0K030iKUN16,26,36..RHD..DCB..GEN;KUN16,26..(SCB,XTR)..DLX..ARL;GGN15,25,KUN35,TGN16,26..RHD..DLX..(ARL,GEN); KUN26..DCB..(4FC,5F)..DLX..ARL..CBU201107-201504
FRONT HEATER-WITH(EVAPORATOR)
main87050-0K020supersedes 87050-0K330iKUN15,26,35..SR..PHL;KUN15,25..LHD..(SCB,THSCB,XTR)..HDCR..GEN; KUN15..SCB..GCC;KUN25,TGN26..GCC;KUN15..LHD..DCB..(GCC,GEN);KUN25,TGN26..LHD..(SCB,THDCB)..GEN;KUN10,26,35,TGN1#,36..LHD..(DCB,SCB,THDCB,XTR)..(4FC,5F)..(GCC,GEN); TGN26..DCB..5F..GEN201107-201504
AIR CONDITIONER-SINGLE AIR CONDITIONER; FRONT HEATER-WITH(EVAPORATOR)&AIR CONDITIONER-SINGLE AIR CONDITIONER
FRONT HEATER-WITH
main87050-0K190supersedes 87050-0K210iKUN35..SR..SA;LAN25..RHD..DCB;KUN15,3#,TGN15,36..RHD..(SCB,XTR)..SA;KUN26..RHD..(SADCB,SCB,XTR)..(GEN,SA); LAN15,35..RHD;LAN25..RHD..SCB;KUN35..DCB..DLX..SA201108-201512
AIR CONDITIONER-SINGLE AIR CONDITIONER
main87050-0K200supersedes 87050-0K220iLAN25..LHD..SCB;KUN15,25,LAN15..LHD..DLX..SA; TGN16,26..SA;LAN25..LHD..DCB;KUN26..LHD..SADCB201108-201512
AIR CONDITIONER-SINGLE AIR CONDITIONER
main87050-0K600iKUN26,TGN26..CO;TGN26,36..4FC..LA;KUN26,TGN36..DLX..(DCR,HTWC,IART)..LA..CBU;KUN25,3#,TGN26..DCB..DLX..(DCR,HDCR,HTWC)..(CO,LA); TGN26,36..5F..HTWCF;KUN25,35..SCB..LA..CBU;KUN26,36,TGN26,36..(4FC,5F)..SR..(DCR,HTWC)..LA201110-201510
AIR CONDITIONER-SINGLE AIR CONDITIONER
main87050-0K620iKUN26,36,TGN26,36..SR..(DCR,HTWC,IART)..LA; KUN26..CO;TGN26,36..SR..HTWCF201110-201510
AIR CONDITIONER-AUTO AIR CONDITIONER SINGLE
main87050-0K650supersedes 87050-0K640iTGN26..SR..ANCOM;TGN26..SCB..ANCOM;TGN36..ANCOM..CBU; TGN36..IV3;TGN26..DCB..DLX..ANCOM201204
AIR CONDITIONER-SINGLE AIR CONDITIONER
FRONT HEATER-WITH
AIR CONDITIONER-SINGLE AIR CONDITIONER
KAZAKHSTAN SPEC&AIR CONDITIONER-SINGLE AIR CONDITIONER
KAZAKHSTAN SPEC&FRONT HEATER-WITH(AIR CONDITIONER(HEAVY DUTY TYPE))&AIR CONDITIONER-AUTO AIR CONDITIONER SINGLE
87103BMOTOR SUB-ASSY, BLOWER W/FAN
87130DBLOWER ASSY
main87130-0K043iKUN25..4FC..GEN;KUN16,26,36..RHD..DCB..GEN;KUN16,26..(SCB,XTR)..DLX..ARL;GGN15,25,KUN35,TGN16,26..RHD..DLX..(ARL,GEN); KUN26..DCB..(4FC,5F)..DLX..ARL..CBU201107-201504
FRONT HEATER-WITH(EVAPORATOR)
main87130-0K320iKUN26,36,TGN26,36..(4FC,5F)..SR..(DCR,HTWC)..LA; TGN26..HTWCF;TGN36..DLX..LA;KUN26,TGN26..CO;TGN36..SR..HTWCF;KUN2#,3#,TGN26..DLX..(DCR,HDCR,HTWC,IART)..(CO,LA)201110-201510
AIR CONDITIONER-SINGLE AIR CONDITIONER
main87130-0K340iKUN26,36,TGN26,36..SR..(DCR,HTWC,IART)..LA; KUN26..CO;TGN26,36..SR..HTWCF201110-201510
AIR CONDITIONER-AUTO AIR CONDITIONER SINGLE
KAZAKHSTAN SPEC&AIR CONDITIONER-SINGLE AIR CONDITIONER
KAZAKHSTAN SPEC&FRONT HEATER-WITH(AIR CONDITIONER(HEAVY DUTY TYPE))&AIR CONDITIONER-AUTO AIR CONDITIONER SINGLE
87138CRESISTOR, BLOWER
main87138-02040iTGN26..HTWCF;TGN36..SR..HTWCF;KUN26,TGN26..ANCOM,CO;TGN36..DLX..(ANCOM,LA);KUN2#,3#,TGN26..DLX..(DCR,HDCR,HTWC,IART)..(CO,LA)201110
main87138-0K110iKUN15..LHD..DLX..SA;TGN26..LHD..(GEN,SA);KUN15,26,35..LHD..(4FC,5F)..(GEN,PHL);KUN25,LAN15,25,TGN16,36..LHD..DLX..(GEN,SA)201107-201512
87139CFILTER, CLEAN AIR
STANDARD
STANDARD
main87139-50100iKUN15..HDCR;KUN26..5F,5FC;KUN36..(5F,5FC)..TH;KUN25,LAN15,25..LHD..SA;GGN15..(DCB,XTR)..5FC..DLX;GGN35,KUN10,35,TGN1#,26,36;GGN15,25,KUN16..DCB..5FC..SR;KUN25..CO,GCC,GEN,IDN,LA,PKN,TH;KUN26..4FC..(CO,GEN,LA,MA,PHL,SA,TH);KUN15,16,36..DCR..(ARL,GCC,GEN,LA,PHL,PKN,SA)201107
*DPF
main87139-52020iKUN25..GCC,GEN;KUN25..LHD..SA;GGN15,25,35,KUN1#,26,3#,LAN15,25,35,TGN1#,26,36..ANCOM,ARL,GCC,GEN,SA201107
STANDARD
8715HEATING & AIR CONDITIONING - CONTROL & AIR DUCT
88482CAP, COOLER
main88482-0K010iKUN15..PHL..IV3;KUN35..DLX..GEN;KUN2#,TGN26,36..THDCB..DLX;GGN15,25,KUN1#,2#,TGN1#,26..ARL,GCC; KUN16,26,TGN16..DCB..5F..DLX..ARL..CBU; KUN26..DCB..5F..SR..ARL;GGN15,25..DCB..5FC..SR..ARL201107-201504
AIR CONDITIONER-AUTO AIR CONDITIONER SINGLE; AIR CONDITIONER-SINGLE AIR CONDITIONER
88539HOSE, COOLER UNIT DRAIN, NO.1
main88539-0K010iKUN10,15,2#,35,TGN1#,26,36..LHD..(DCB,SCB,THDCB,THSCB,XTR)..(GCC,GEN,PHL)201107-201504
main88539-0K050iTGN16,26..RHD;KUN1#,2#,3#,TGN10..RHD..(DCB,SCB,SMT,XTR)..5F..(ARL,GEN,IDN,PKN,TH)201107-201609
88548BCASE, AIR FILTER
main88548-0K010iKUN25..RHD..(GEN,IDN,PKN,TH);GGN15,25,35,KUN1#,26,3#,LAN15,25,35,TGN10,15,16,26,36..RHD201107-201609
88650EAMPLIFIER ASSY, AIR CONDITIONER, NO.1
main88650-0K010iKUN15..RHD..GEN;TGN26..DCB..5F..GEN;KUN25..(DCB,SCB,XTR)..GEN;KUN15..LHD..(SCB,XTR)..GEN; KUN25..THSCB;KUN15,26,35..SR..PHL; KUN26..DCB..(4FC,5F)..DLX..ARL..CBU; TGN26..4FC..GEN;KUN25,TGN26..GCC;KUN3#,TGN16..ARL,GCC,GEN;KUN15..LHD..DCB..(GCC,GEN);KUN25,TGN26..LHD..(SCB,THDCB)..GEN;KUN16,26..(DCB,THDCB)..(4FC,5F)..GEN;KUN15,16,26..(SCB,XTR)..DLX..(ARL,GCC);GGN15,25,KUN10,TGN10,11,15,36..DLX..(ARL,GCC,GEN)201107-201504
AIR CONDITIONER-SINGLE AIR CONDITIONER; FRONT HEATER-WITH(EVAPORATOR); FRONT HEATER-WITH(EVAPORATOR)&AIR CONDITIONER-SINGLE AIR CONDITIONER
main88650-0K120iLAN25..SCB;TGN36..IV3;KUN35..DCB..DLX..SA;TGN26,36..SR..HTWC..LA;TGN26..DCB..DLX..ANCOM;KUN25,35..SCB..LA..CBU;KUN25,LAN15,35..DLX..SA;KUN15,TGN26,36..LHD..5F..DLX..(DCR,HTWCF)..(LA,SA); TGN15,16..SA;KUN35..SR..SA;TGN26..SCB..ANCOM;KUN25,35..DCB..(CO,LA);KUN26,TGN26..SR..(ANCOM,CO);TGN26,36..4FC..(ANCOM,LA,SA);KUN15,3#..RHD..(SCB,XTR)..SA;KUN26,TGN36..(SADCB,SCB,XTR)..(DCR,HTWC,IART)..(ANCOM,GEN,LA,SA)..CBU;KUN26,36,LAN25,TGN26,36..DCB..(5F,5FC)..DLX..(DCR,DEFI,HTWC,IART)..(LA,SA)201108
AIR CONDITIONER-SINGLE AIR CONDITIONER
KAZAKHSTAN SPEC&FRONT HEATER-WITH(PTC HEATER)&AIR CONDITIONER-SINGLE AIR CONDITIONER
90105T0241
main90105-T0241
90119T0209
main90119-T0209
90119T0294
main90119-T0294
90159T0005
main90159-T0005
90159T0013
main90159-T0013
90178T0065
main90178-T0065
9048026022
main90480-26022
19 parts on this diagram · 22 diagrams in section