E
EPC Data

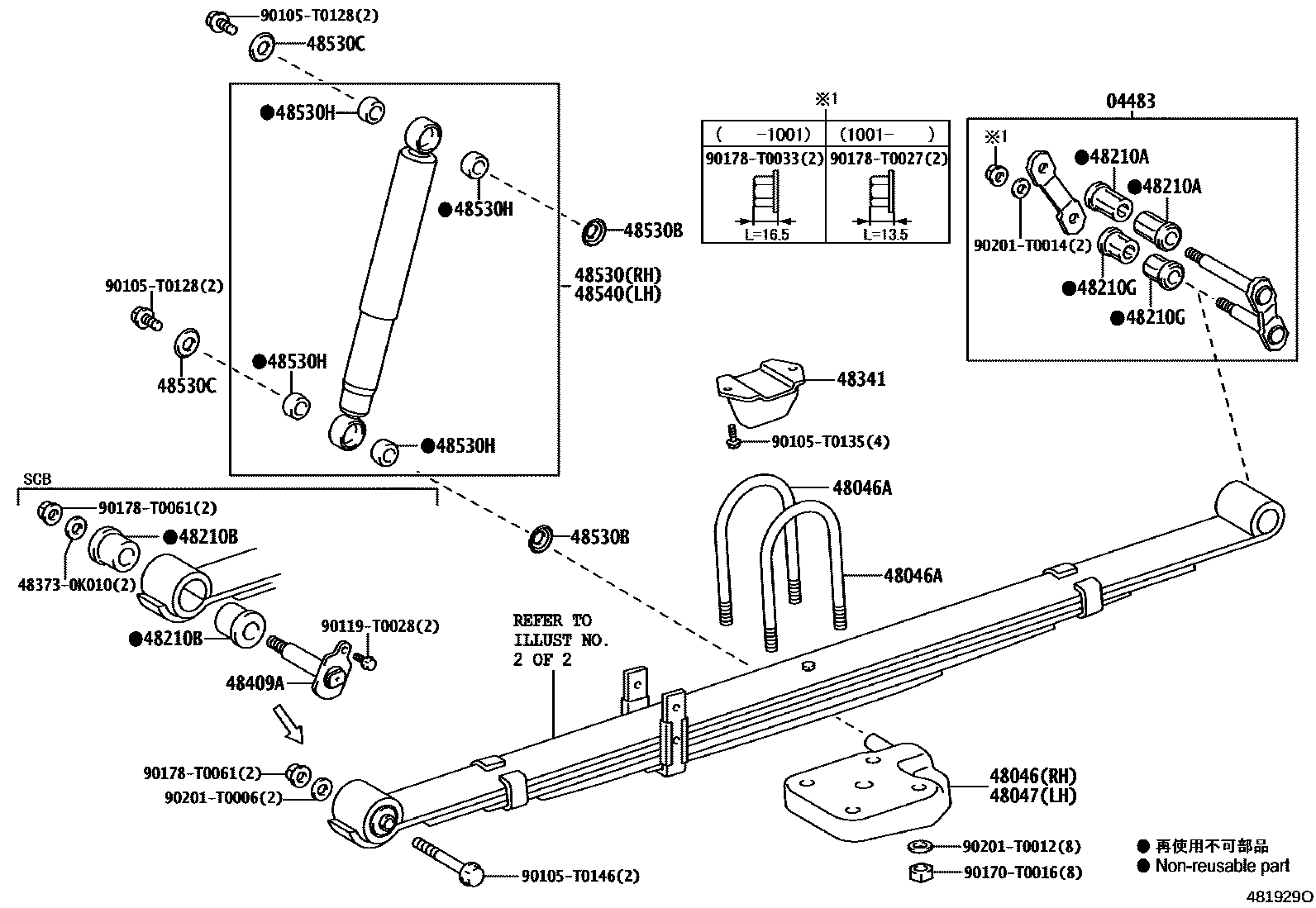
REAR SPRING & SHOCK ABSORBER

Parts diagram
04483SHACKLE KIT, REAR SPRING
main04483-0K022×2i200408-200607
main04483-0K030×2i200608-201001
main04483-0K050×2i201001-201204
48046SEAT SUB-ASSY, SPRING U BOLT, RH
main48046-0K011i200408-201202
main48046-0K020i200408-200812
48046ABOLT, U(FOR REAR SPRING)
main90117-T0002×4i200408-200812
L=170
main90117-T0003×4i200808
L=175
48047SEAT SUB-ASSY, SPRING U BOLT, LH
main48046-0K011i200408-201202
main48046-0K020i200408-200812
48210SPRING ASSY, REAR RH
main48210-0K010i200409-200712
5-LEAF
main48210-0K020i200808-201108
5-LEAF
main48210-0K030i200411-200808
5-LEAF
main48210-0K040i200504-200810
5-LEAF
main48210-0K050i200810-201108
5-LEAF
main48210-0K060i200808
5-LEAF
main48210-0K070i200809-201107
5-LEAF
main48210-0K080i200411-200812
5-LEAF
main48210-0K081i200808
5-LEAF
main48210-0K110i200810
5-LEAF
main48210-0K120i200501-200810
5-LEAF
main48210-0K122i200810
5-LEAF
main48210-0K130i200808
5-LEAF
main48210-0K140i200508-200808
5-LEAF
main48210-0K150i200510-200808
5-LEAF
main48210-0K160i200503-200809
5-LEAF
main48210-0K170i200503-200809
5-LEAF
main48210-0K210i200502-200808
5-LEAF
main48210-0K220i200502-200808
5-LEAF
main48210-0K230i200502-200808
5-LEAF
main48210-0K231i200808-201107
5-LEAF
main48210-0K240i200504-200810
5-LEAF
main48210-0K250i200504-200810
5-LEAF
main48210-0K251i200810-201108
5-LEAF
main48210-0K280i200808-201107
5-LEAF
main48210-0K290i200801-201202
5-LEAF
main48210-0K300i200808-201107
5-LEAF
48210ABUSH(FOR REAR SPRING SHACKLE UPPER)
main90385-T0001×4i200610-200812
main90385-T0009×4i200608-200610
48210BBUSH(FOR REAR SPRING PIN)
main90385-T0003×4i200409-200602
main90385-T0008×4i200808
48210GBUSH(FOR REAR SPRING SHACKLE LOWER)
main90385-T0002×4i200810
main90385-T0010×4i200808
48341BUMPER, REAR SPRING
main48341-0K010×2i200408-201202
main48341-0K020×2i200504-200810
48409APIN SUB-ASSY, REAR SPRING BRACKET
main48409-0K010×2i200808-201007
main48409-0K020×2i200510-200808
48530ABSORBER ASSY, SHOCK, REAR RH
main48531-09440i200503-200809
MARK 48531-0K310
main48531-09460i200808-201107
MARK 48531-0K100
main48531-09470i200408-200608
MARK 48531-0K130
main48531-09480i200809-201109
MARK 48531-0K320
main48531-09490i200808-201202
MARK 48531-0K120
main48531-09500i200408-200808
MARK 48531-0K270
main48531-09515i200504-200810
MARK 48531-0K070
main48531-09520i200507-200810
MARK 48531-0K080
main48531-09550i200808-201108
MARK 48531-0K140
main48531-09570i200808-201108
MARK 48531-0K050
main48531-09590i200507-200812
MARK 48531-0K340
main48531-09600i200810-201004
MARK 48531-0K170
main48531-09630i200710-201202
MARK 48531-0K350
main48531-09640i200501-200810
MARK 48531-0K200
main48531-09660i200502-200810
MARK 48531-0K190
main48531-09690i200812-201204
MARK 48531-0K330
main48531-09740i200808-201107
MARK 48531-0K010
main48531-09750i200507-200812
MARK 48531-0K360
main48531-09780i200808-201107
MARK 48531-0K131
main48531-09810i200808-201107
MARK 48531-0K380
main48531-0K070i200908-201108
MARK 48531-0K070
main48531-0K080i200908-201108
MARK 48531-0K080
main48531-0K170i201004-201108
MARK 48531-0K170
48530BWASHER, REAR SHOCK ABSORBER CUSHION, NO.1
main90948-T3001×4i200408-201202
48530CWASHER, REAR SHOCK ABSORBER CUSHION, NO.2
main90948-T3002×4i200507-200812
48530HBUSH, REAR SHOCK ABSORBER
main90385-T0004×8i200507-200812
48540ABSORBER ASSY, SHOCK, REAR LH
main48531-09440i200503-200809
MARK 48531-0K310
main48531-09460i200808-200904
MARK 48531-0K100
main48531-09470i200408-200608
MARK 48531-0K130
main48531-09480i200809-201109
MARK 48531-0K320
main48531-09490i200808-200904
MARK 48531-0K120
main48531-09500i200408-200808
MARK 48531-0K270
main48531-09515i200810-200908
MARK 48531-0K070
main48531-09520i200810-200908
MARK 48531-0K080
main48531-09550i200808-200904
MARK 48531-0K140
main48531-09570i200408-200508
MARK 48531-0K050
main48531-09590i200812-201204
MARK 48531-0K340
main48531-09600i200504-200810
MARK 48531-0K170
main48531-09630i200710-201202
MARK 48531-0K350
main48531-09640i200810-200904
MARK 48531-0K200
main48531-09660i200502-200810
MARK 48531-0K190
main48531-09690i200508-200812
MARK 48531-0K330
main48531-09740i200808-201107
MARK 48531-0K010
main48531-09750i200507-200812
MARK 48531-0K360
main48531-09780i200608-200808
MARK 48531-0K131
main48531-09810i200808-201107
MARK 48531-0K380
main48531-0K070i200908-201108
MARK 48531-0K070
main48531-0K080i200908-201108
MARK 48531-0K080
main48541-09100i200904-201107
MARK 48541-0K020
main48541-09110i200904-201108
MARK 48541-0K010
main48541-09120i200904-201107
MARK 48541-0K040
main48541-09130i200904-201202
MARK 48541-0K030
main48541-09140i200904-201004
MARK 48541-0K050
main48541-09170i200904-201110
MARK 48541-0K080
main48541-09180i200904-201110
MARK 48541-0K090
main48541-0K050i201004-201108
MARK 48541-0K050
483730K010SPACER, REAR SPRING
90105T0128
90105T0135
90105T0146
90119T0028
90170T0016
90178T0027
90178T0033
90178T0061
90201T0006
90201T0012
90201T0014

27 parts on this diagram · 18 diagrams in section

REAR SPRING & SHOCK ABSORBER — Toyota Parts Diagram with OEM Numbers & Prices | EPC Data