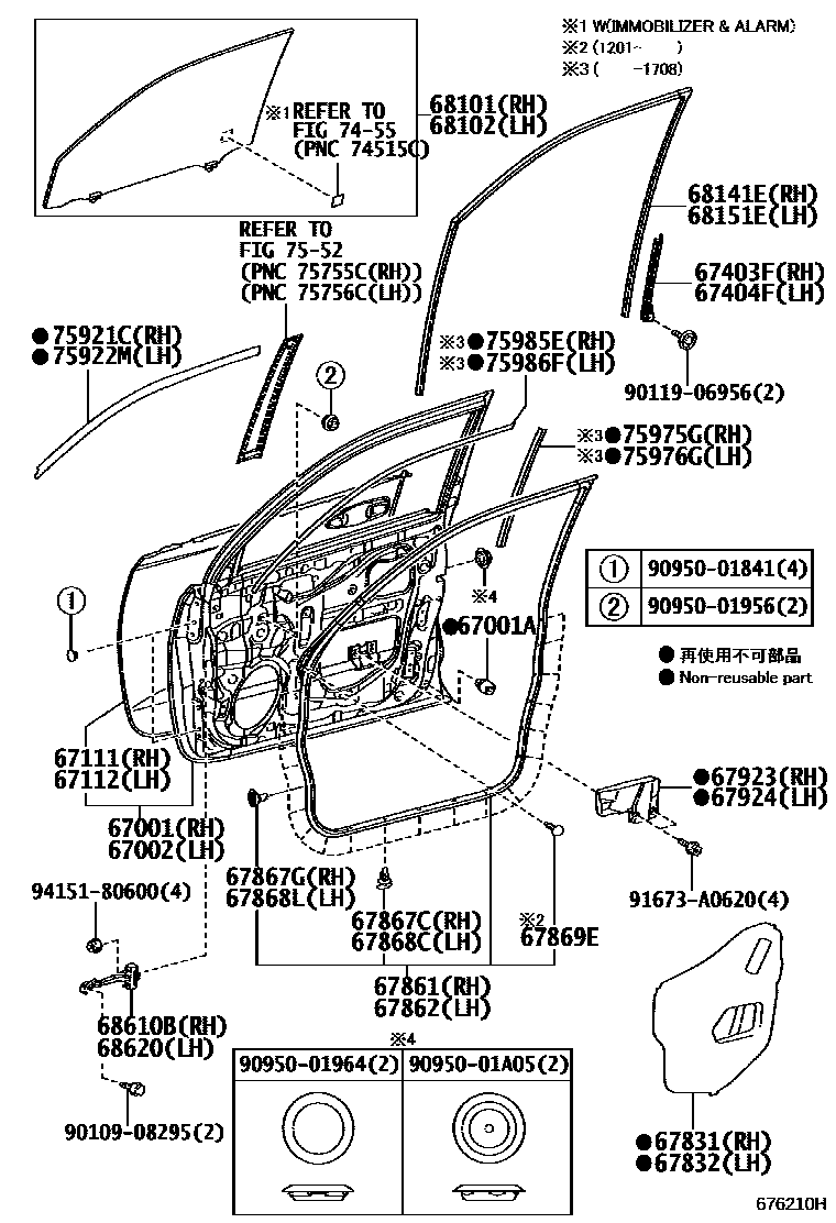
FRONT DOOR PANEL & GLASS

67001ACUSHION, FRONT DOOR PANEL
67111PANEL, FRONT DOOR, OUTER RH
67112PANEL, FRONT DOOR, OUTER LH
67403FFRAME SUB-ASSY, FRONT DOOR, REAR LOWER RH
67404FFRAME SUB-ASSY, FRONT DOOR, REAR LOWER LH
67831COVER, FRONT DOOR SERVICE HOLE, RH
67832COVER, FRONT DOOR SERVICE HOLE, LH
67867CRETAINER, FRONT DOOR WEATHERSTRIP, RH
67867GRETAINER, DOOR WEATHERSTRIP, RH
67868CRETAINER, FRONT DOOR WEATHERSTRIP, LH
67868LRETAINER, DOOR WEATHERSTRIP, LH
67869ECLIP, FRONT DOOR WEATHERSTRIP
67923CUSHION, FRONT DOOR STIFFENER, NO.1
67924CUSHION, FRONT DOOR STIFFENER, NO.2
68141ERUN, FRONT DOOR GLASS, RH
68151ERUN, FRONT DOOR GLASS, LH
7455
7552
75921CTAPE, BLACK OUT, NO.1 RH
75922MTAPE, BLACK OUT, NO.1 LH
75975GSTRIPE, FRONT DOOR, NO.2 RH
75976GSTRIPE, FRONT DOOR, NO.2 LH
9010908295
main90109-08295
9011906956
main90119-06956
9095001841
main90950-01841
9095001956
main90950-01956
9095001964
main90950-01964
9095001A05
main90950-01A05
91673A0620
main91673-A0620
9415180600
main94151-80600
40 parts on this diagram · 2 diagrams in section