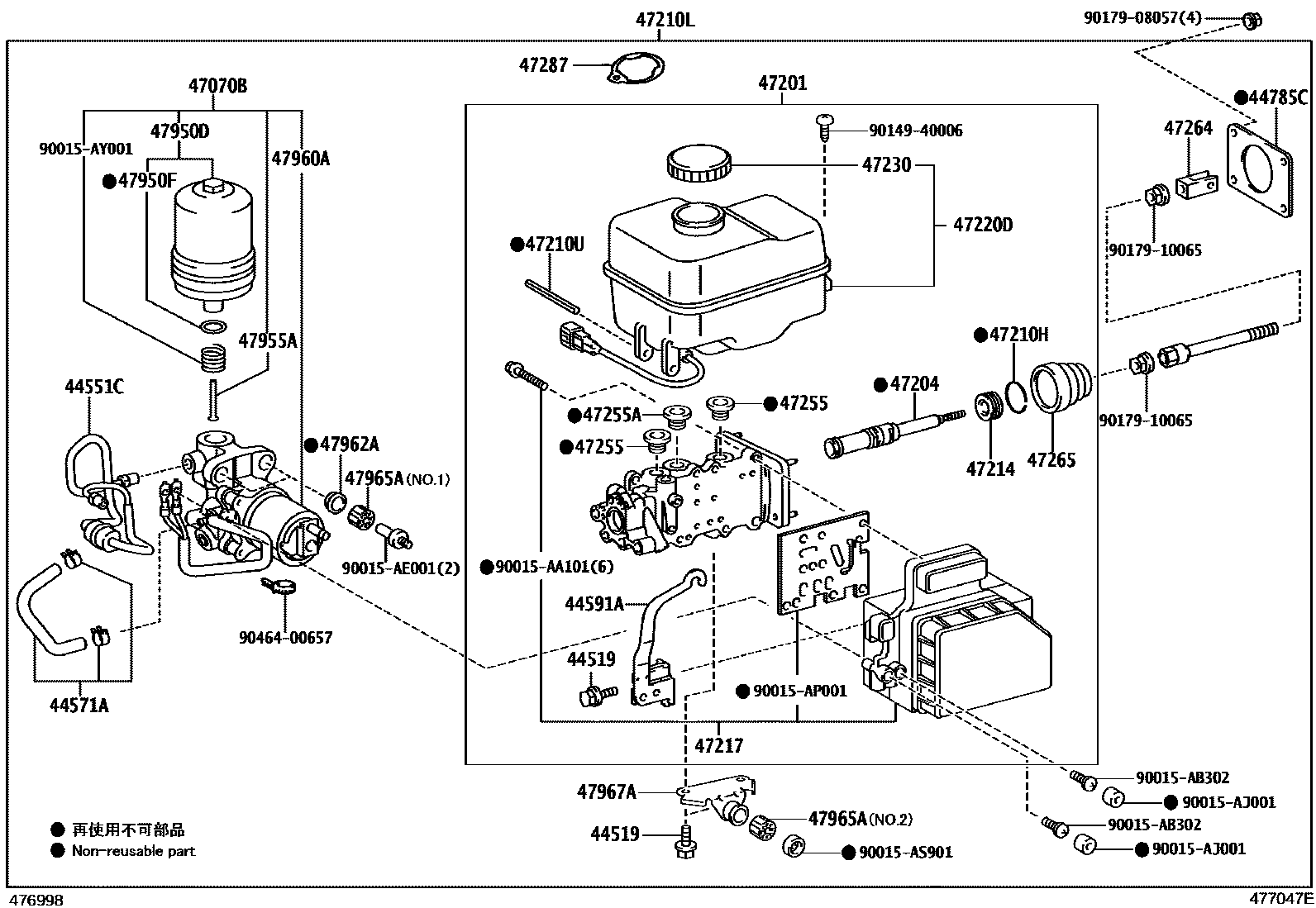
BRAKE MASTER CYLINDER

44519BOLT, BRAKE ACTUATOR
44551CTUBE, BRAKE ACTUATOR, NO.1
44571AHOSE, BRAKE ACTUATOR, NO.1
44591ABRACKET, BRAKE ACTUATOR, NO.1
44785CGASKET, BRAKE BOOSTER
47070BPUMP ASSY, BRAKE BOOSTER W/ACCUMULATOR
47201CYLINDER SUB-ASSY, BRAKE MASTER
47204PISTON, MASTER CYLINDER
47210HRING, SNAP(FOR BRAKE MASTER CYLINDER)
47210LBRAKE BOOSTER ASSY, W/MASTER CYLINDER
47210UPIN, STRAIGHT(FOR BRAKE MASTER CYLINDER)
47214PLUG, MASTER CYLINDER
47217SOLENOID, MASTER CYLINDER
47220DRESERVOIR ASSY, BRAKE MASTER CYLINDER
47255AGROMMET, MASTER CYLINDER RESERVOIR, NO.2
47264CLEVIS, MASTER CYLINDER PUSH ROD
47265BOOT, MASTER CYLINDER
47950DACCUMULATOR ASSY, BRAKE BOOSTER
47950FRING, O(FOR BRAKE BOOSTER ACCUMULATOR)
47955APIPE, BRAKE BOOSTER ACCUMULATOR
47960APUMP ASSY, BRAKE BOOSTER
47962ACOLLAR, BRAKE BOOSTER PUMP
47965ABUSH, BRAKE BOOSTER PUMP
NO.1
NO.2
47967ABRACKET, BRAKE BOOSTER PUMP, NO.1
90015AA101
main90015-AA101
90015AB302
main90015-AB302
90015AE001
main90015-AE001
90015AJ001
main90015-AJ001
90015AP001
main90015-AP001
90015AS901
main90015-AS901
90015AY001
main90015-AY001
9014940006
main90149-40006
9017908057
main90179-08057
9017910065
main90179-10065
9046400657
main90464-00657
38 parts on this diagram · 2 diagrams in section