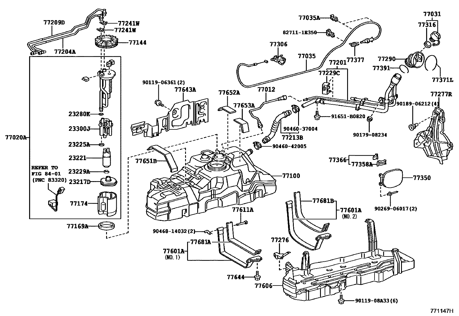
FUEL TANK & TUBE

23217DFILTER, FUEL PUMP
23225ASPACER, FUEL PUMP
23229ACLIP(FOR FUEL PUMP FILTER)
23280KRING, O(FOR FUEL PRESSURE REGULATOR)
23300JFILTER ASSY, FUEL
77012TUBE SUB-ASSY, FUEL TANK BREATHER
77020ATUBE ASSY, FUEL SUCTION W/PUMP & GAGE
77031CAP ASSY, FUEL TANK
77035CABLE SUB-ASSY, FUEL LID LOCK CONTROL
77035ACLAMP (FOR FUEL LID LOCK CONTROL CABLE)
77100TANK ASSY, FUEL
77144RETAINER, FUEL PUMP GAUGE
77169AGASKET, FUEL SUCTION TUBE SET
77174SUPPORT, FUEL SUCTION, NO.1
77201PIPE SUB-ASSY, FUEL TANK INLET
77204ATUBE, FUEL TANK RETURN
77209DTUBE SUB-ASSY, FUEL TANK MAIN
77213BHOSE, FUEL TANK TO FILLER PIPE
77229CCLAMP, BREATHER TUBE
77241WCLIP, TUBE JOINT
77276PROTECTOR, FUEL HOSE
77277RPROTECTOR, FUEL TANK FILLER PIPE
77290SHIELD ASSY, FUEL TANK FILLER PIPE
77306LEVER SUB-ASSY, FUEL LID LOCK OPEN
BLACK,TRIM1#,4#; BLACK,TRIM12,13,4#
77316GASKET, FUEL TANK CAP
77350LID ASSY, FUEL FILLER OPENING
77358ASTOPPER, FUEL FILLER OPENING LID
77366SPRING, FUEL FILLER OPENING LID HINGE
77371LRING, FUEL TANK FILLER PIPE SHIELD
77377RETAINER, FUEL FILLER OPENING LID LOCK
77391RING, FUEL INLET BOX
77601ABAND SUB-ASSY, FUEL TANK, NO.1
NO.1
NO.2
77606PROTECTOR SUB-ASSY, FUEL TANK, NO.1
77611APIN (FOR FUEL TANK BAND)
77643APROTECTOR, FUEL TANK, NO.3
77644BOLT, FUEL TANK
77651BCUSHION, FUEL TANK
77652ACUSHION, FUEL TANK, NO.2
77653ACUSHION, FUEL TANK, NO.3
77681ASEAT, FUEL TANK BAND
8401SWITCH & RELAY & COMPUTER
827111E350WIRE, FUSE TO FUSE(FOR COMBUSTION HEATER)
main82711-1E350
9011906361
main90119-06361
9011908A33
main90119-08A33
9017908234
main90179-08234
9018906212
main90189-06212
9026906017
main90269-06017
9046037004
main90460-37004
9046042005
main90460-42005
9046814032
main90468-14032
91651B0820
main91651-B0820
53 parts on this diagram · 3 diagrams in section