E
EPC Data

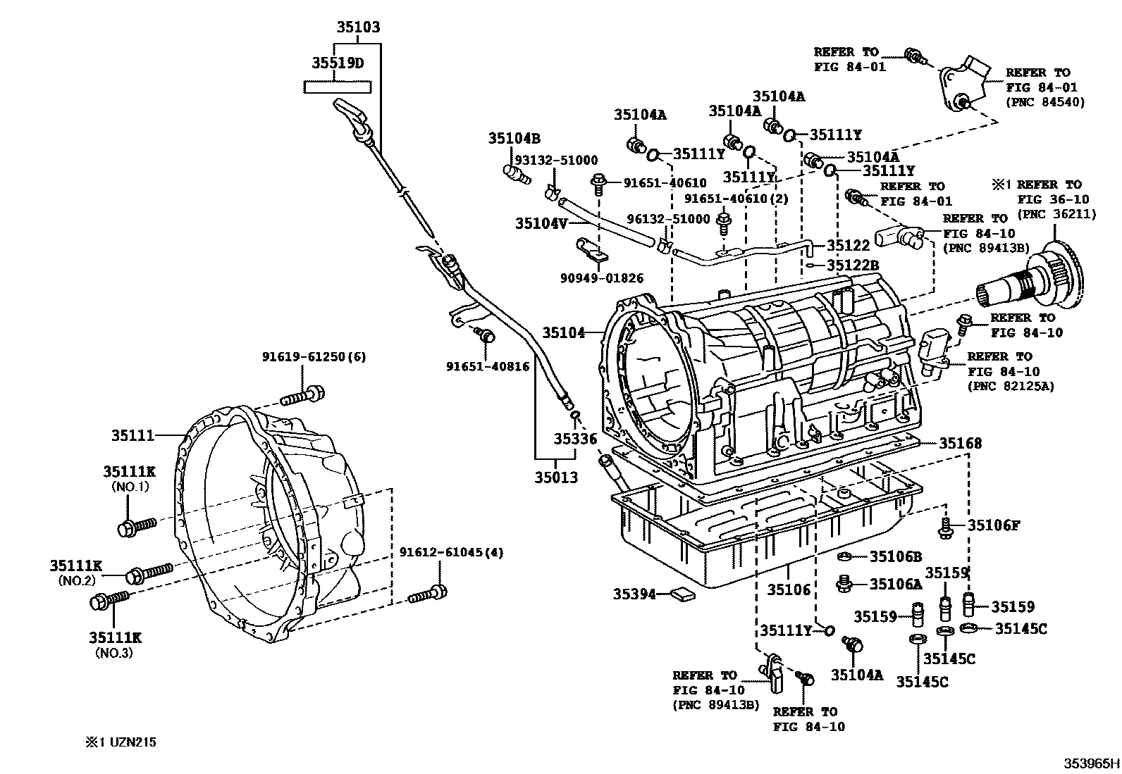
TRANSMISSION CASE & OIL PAN (ATM)

Parts diagram
35013TUBE SUB-ASSY, TRANSMISSION OIL FILLER
main35013-60260i200211-200408
main35013-60271i200208-200308
35103GAGE SUB-ASSY, TRANSMISSION OIL LEVEL
main35103-60190i200211-200408
main35103-60211i200208-200308
35104CASE SUB-ASSY, AUTOMATIC TRANSMISSION
main35104-0C010i200811
NO MARK
main35104-26060i200211-200408
main35104-60210i200208-200308
main35104-60220i200308-200409
main35104-60221i200904
MARK A
35104APLUG, AUTOMATIC TRANSMISSION CASE
main90341-08001×5i200208-200508
main90341-A0001×5i200811
(L)
35104BPLUG, BREATHER, NO.1 (ATM)
main90930-03098i200211-200408
NO.1
main90930-03108i200211-200408
main90930-03168i200408-200508
35104VHOSE (FOR BREATHER PLUG)
main90445-10020i200208-200508
main90445-11118i200211-200408
35106PAN SUB-ASSY, AUTOMATIC TRANSMISSION OIL
main35106-0C010i200811
(L)
main35106-60140i200211-200408
main35106-60150i200208-200308
main35106-60180i200408-200508
35106APLUG SUB-ASSY, DRAIN (ATM)
main90341-10011i200208-200508
35106BGASKET, DRAIN PLUG (ATM)
main35178-30010i200304-200408
main35178-50010i200309-200310
NO.1
35106FBOLT (FOR AUTOMATIC TRANSMISSION OIL PAN)
main90119-06117×20i200508-200610
main90119-06173×20i200610
main90119-06513×19i200211-200408
35111HOUSING, AUTOMATIC TRANSMISSION
main35111-04010i200811
(L)
main35111-35100i200211-200408
main35111-60130i200508
main35111-60150i200904
(J)
35111KBOLT (FOR TRANSMISSION HOUSING & CASE SETTING)
main90119-10232×2i200208-200408
*10-1.5PX35-30,NO.3
main90119-10947×2i200408-200508
*10-1.50PX35-29.3,NO.3
main90119-12255×2i200208-200302
*12-1.75PX45-30,NO.2
main90119-12378×2i200302-200508
*12-1.75PX38-30,NO.2
main90119-A0272×6i200811
*10-1.5PX35-29.3,(L),NO.1
35111YRING, O (FOR AUTOMATIC TRANSMISSION CASE)
main90301-06196×5i200208-200508
35122TUBE, BREATHER (FOR AUTOMATIC TRANSAXLE)
main35122-34010i200811
TYPE A:REFER ILLUST.
main35122-60020i200904
TYPE B:REFER ILLUST.
35122BRING, O (FOR AUTOMATIC TRANSAXLE BREATHER TUBE UNION)
main90301-04014i200408-200508
35145CGASKET, TRANSAXLE CASE
main35145-60010×3i200208-200308
main35145-60020×3i200308-200508
35159GASKET, BRAKE DRUM
main35159-0C010×3i200811
(L)
main35159-30010i200211-200408
main35159-60010×3i200208-200508
35168GASKET, AUTOMATIC TRANSMISSION OIL PAN
main35168-60010i200208-200508
35336RING, O (FOR TRANSMISSION OIL FILLER TUBE)
main90301-09011i200208-200308
35394MAGNET, OIL CLEANER (FOR TRANSMISSION)
main35394-30011×3i200211-200408
35519DLABEL, AUTOMATIC TRANSMISSION INFORMATION
main35519-20030i200208-200308
3610TRANSFER GEAR
8401SWITCH & RELAY & COMPUTER
8410OVERDRIVE & ELECTRONIC CONTROLLED TRANSMISSION
9094901826
9161261045
9161961250
9165140610
9165140816
9313251000
9613251000

31 parts on this diagram · 5 diagrams in section

TRANSMISSION CASE & OIL PAN (ATM) — Toyota Parts Diagram with OEM Numbers & Prices | EPC Data