E
EPC Data

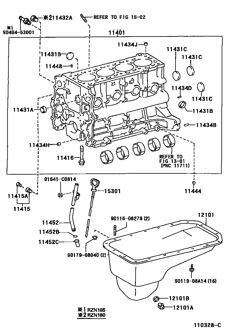
CYLINDER BLOCK

Parts diagram
11401BLOCK SUB-ASSY, CYLINDER
main11401-69575i199511-199608
main11401-69576i199608-199705
main11401-69577i199705-199901
main11401-69865i199901
main11401-79685i199511-199904
main11401-79686i199904-200008
11415COCK SUB-ASSY, WATER DRAIN(FOR CYLINDER BLOCK)
main90345-52001i199511-199905
main90910-09118i199905-200008
11415APLUG, WATER DRAIN COCK(FOR CYLINDER BLOCK)
main90910-09087i199905-200008
main96431-23814i199511
11416BOLT(FOR CRANKSHAFT BEARING CAP SET)
main90910-02072i199511
main90910-02092i199511-200008
11431APLUG, TIGHT, NO.1(FOR CYLINDER BLOCK)
main90331-35005i199511
main96411-63000i199511-200008
11431BPLUG, TIGHT, NO.2(FOR CYLINDER BLOCK)
main96411-63500i199511-200008
11431CPLUG, TIGHT, NO.3(FOR CYLINDER BLOCK)
main96411-64000i199511-200008
11432APLUG, W/HEAD TAPER SCREW, NO.1
main90345-53009i199511-200008
11434BPIN, STRAIGHT(FOR CLUTCH HOUSING SET)
main90250-10113i199511-200008
L=22,OD=10
11434DPIN, STRAIGHT(FOR ENGINE REAR OIL SEAL)
main90250-06003i199511-200008
L=14,OD=6
main90250-06015i199511
L=11,OD=6
11434HPIN, RING (FOR TIMING BELT COVER SET)
main90253-11005i199511-200008
11434JPIN, RING (FOR CYLINDER HEAD SET)
main90253-15016i199511-200008
main90253-16001i199511
11444PLUG, HOLE
main11444-62020i199511-199901
main11444-75020i199511-200008
11448ORIFICE, CYLINDER BLOCK OIL
main90977-02011i199511-200008
11452GUIDE, OIL LEVEL GAGE
main11409-75040i199511-199902
main11409-75041i199902-200008
main11452-62050i199511
11452BRING, O(FOR OIL LEVEL GAGE GUIDE)
main96721-19010i199511-200008
11452CUNION(FOR OIL LEVEL GAGE GUIDE)
main11459-70010i199902-200008
main90405-10016i199511-199902
12101PAN SUB-ASSY, OIL
main12101-62070i199511
main12101-75050i199511-200008
12101APLUG(FOR OIL PAN DRAIN)
main90341-12012i199511
main90341-12026i199511-200008
12101BGASKET(FOR OIL PAN DRAIN PLUG)
main90430-12031i199511-200008
1301
1502
15301GAGE SUB-ASSY, OIL LEVEL
main15301-62070i199511
main15301-75060i199511-200008
9011608279
9011908A14
9017908040
9040453001
91641C0814

28 parts on this diagram · 2 diagrams in section

CYLINDER BLOCK — Toyota Parts Diagram with OEM Numbers & Prices | EPC Data