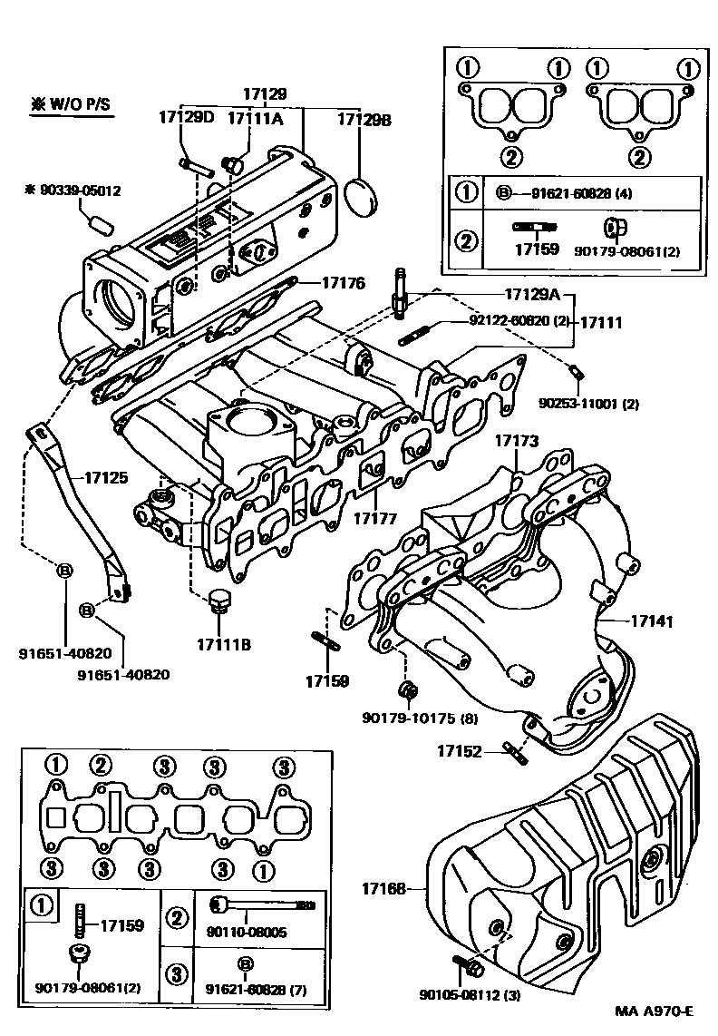
MANIFOLD

17111MANIFOLD, INTAKE
17111APLUG, NO.1
17111BPLUG, NO.2
17129AUNION, NO.1
17129BPLUG
17129DUNION, NO.2
17152BOLT, STUD(FOR MANIFOLD TO EXHAUST PIPE)
17159BOLT, STUD(FOR MANIFOLD TO CYLINDER HEAD)
INTAKE MANIFOLD TO HEAD
INTAKE MANIFOLD
EXHAUST MANIFOLD LWR
EXHAUST MANIFOLD UPR
EXHAUST MANIFOLD
INTAKE TO SURGE TANK
9010508112
main90105-08112
9011008005
main90110-08005
9017908061
main90179-08061
9017910175
main90179-10175
9025311001
main90253-11001
9033905012
main90339-05012
9162160828
main91621-60828
9165140820
main91651-40820
9212260820
main92122-60820
24 parts on this diagram · 2 diagrams in section