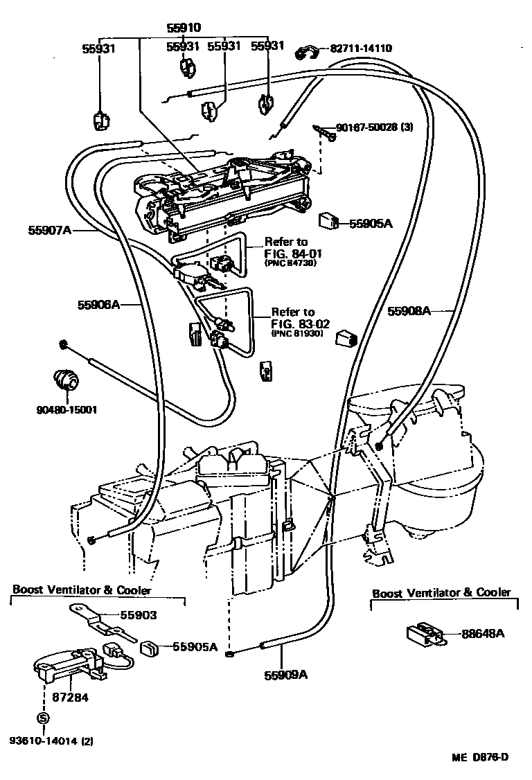
HEATING & AIR CONDITIONING - CONTROL & AIR DUCT

55903LEVER SUB-ASSY, HEATER CONTROL
W/COOLER & *BV
55905AKNOB, HEATER CONTROL
55906ACABLE SUB-ASSY, DEFROSTER DAMPER CONTROL
55907ACABLE SUB-ASSY, WATER VALVE CONTROL
55908ACABLE SUB-ASSY, AIR INLET DAMPER CONTROL
55909ACABLE SUB-ASSY, AIRMIX DAMPER CONTROL
55910CONTROL ASSY, HEATER OR BOOST VENTILATOR
W/*BV ONLY
W/COOLER & *BV
55931CLAMP, HEATER CONTROL WIRE
8302INDICATOR
8401SWITCH & RELAY & COMPUTER
87284RESISTOR SUB-ASSY, VARIABLE
W/COOLER & *BV
88648AWIRING, COOLER
W/COOLER & *BV
8271114110WIRE, FUSE TO FUSE(FOR COMBUSTION HEATER)
main82711-14110
9016750028
main90167-50028
9048015001
main90480-15001
9361014014
main93610-14014
16 parts on this diagram · 2 diagrams in section