E
EPC Data

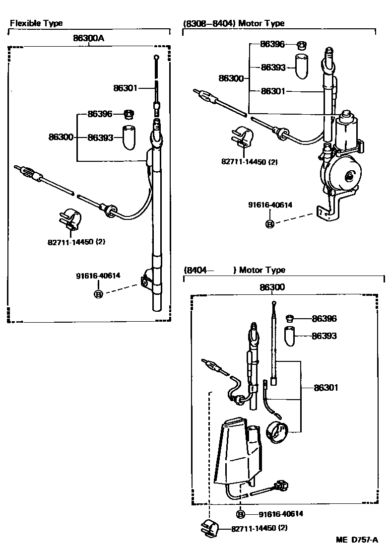
ANTENNA

Parts diagram
86300ANTENNA ASSY, W/HOLDER
main86300-89118i198308-198903
FLEXIBLE TYPE
main86300-89120i198308-198812
MOTOR TYPE
main86300-89128i198812
86300AANTENNA SET
main86300-39085i198308-198903
FLEXIBLE TYPE
86301POLE SUB-ASSY, ANTENNA
main86301-89120i198308-198404
MOTOR TYPE
main86309-32011i198308-198903
FLEXIBLE TYPE
main86353-89119i198404-198903
MOTOR TYPE
86393ORNAMENT, ANTENNA
main86392-89101i198308-198903
FLEXIBLE TYPE
main86392-89103i198308-198903
MOTOR TYPE
86396NUT, ANTENNA
main86396-16020i198308-198903
FLEXIBLE TYPE
main86396-89101i198308-198903
MOTOR TYPE
8271114450WIRE, FUSE TO FUSE(FOR COMBUSTION HEATER)
9161640614

7 parts on this diagram · 1 diagram in section

ANTENNA — Toyota Parts Diagram with OEM Numbers & Prices | EPC Data