E
EPC Data

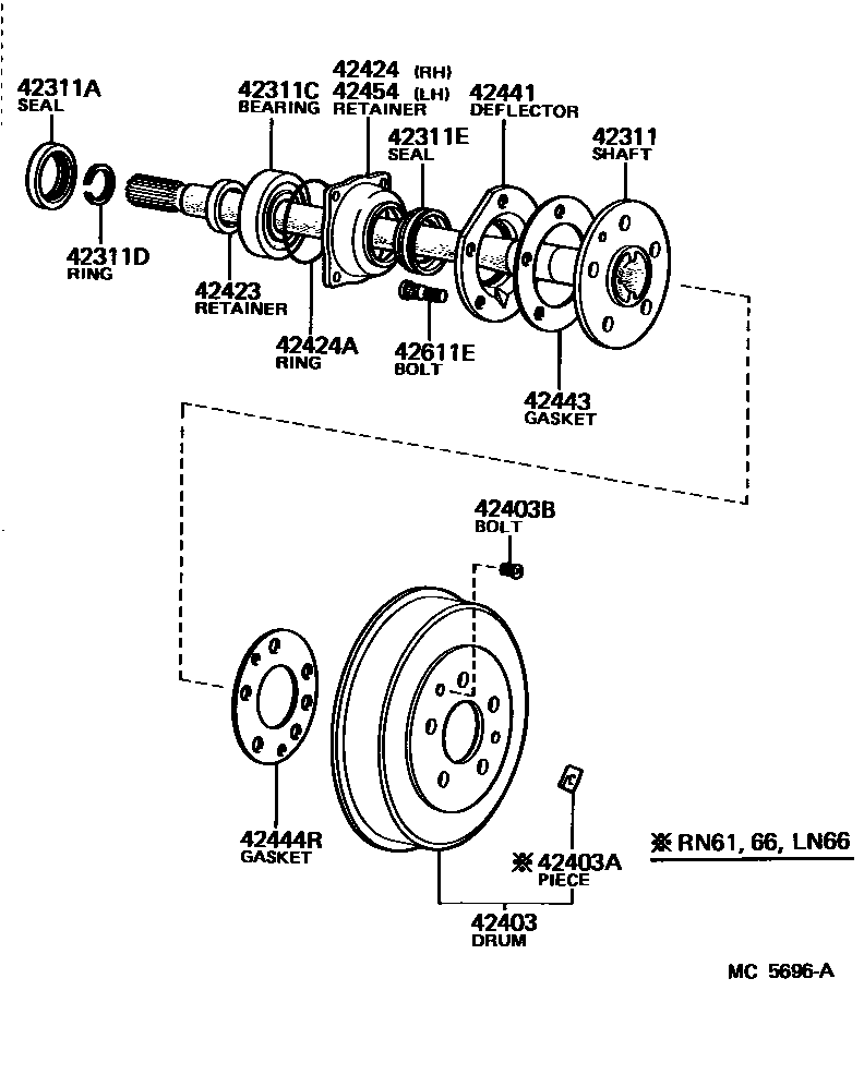
REAR AXLE SHAFT & HUB

Parts diagram
42311SHAFT, REAR AXLE
main42311-35100×2i198308-198508
main42311-35110×2i198408-198808
main42311-35120×2i198308-198408
*AXC=F382
main42311-35130×2i198508-198903
main42311-35150×2i198508-198903
42311ASEAL, OIL(FOR REAR AXLE SHAFT)
main90310-35001×2i198508-198808
main90310-50001×2i198308-198903
42311CBEARING(FOR REAR AXLE SHAFT)
main90363-40020×2i198308-198508
main97144-06308×2i198308-198603
NACHI
42311DRING, SNAP(FOR REAR AXLE SHAFT)
main90520-36045×2i198308-198903
42311ESEAL, OIL(FOR REAR AXLE SHAFT OUTER)
main90313-48001×2i198308-198903
42403DRUM SUB-ASSY, REAR BRAKE
main42431-35030×2i198408-198508
main42431-35060×2i198405-198508
main42431-35080×2i198408-198508
main42431-35090×2i198308-198405
main42431-35100×2i198508-198808
main42431-35110×2i198508-198808
main42431-35120×2i198508-198808
main42431-35130×2i198508-198808
main42431-35180×2i198808-198903
42403APIECE, BALANCE (FOR REAR BRAKE DRUM)
main90937-01117×2i198511-198903
10G,10G
main90937-01118×2i198511-198903
20G,20G
main90937-01119×2i198511-198903
30G,30G
42403BBOLT, SET (FOR REAR BRAKE DRUM SETTING)
main90113-10035×2i198308-198808
42423RETAINER, REAR AXLE BEARING, INNER
main42423-20010×2i198308-198903
42424RETAINER, REAR AXLE BEARING, OUTER, RH
main42421-35030i198308-198903
42424ARING, O (FOR BEARING RETAINER SET)
main90301-88077×2i198308-198903
42441DEFLECTOR, BRAKE DRUM OIL
main42441-26010×2i198308-198808
main42441-35020×2i198308-198903
main42441-35030×2i198508-198808
42443GASKET, BRAKE DRUM OIL DEFLECTOR
main42443-30010×2i198308-198808
main42443-55020×2i198308-198903
42444RGASKET, BRAKE DRUM (FOR REAR AXLE)
main42444-35020×2i198308-198508
main42444-35040×2i198308-198508
main42444-35050×2i198508-198903
main42444-35060×2i198508-198808
42454RETAINER, REAR AXLE BEARING, OUTER, LH
main42421-35030i198308-198903
42611EBOLT, HUB (FOR REAR AXLE)
main90942-02034×12i198308-198411
main90942-02037×10i198308-198808
main90942-02052×12i198411-198903
main90942-02056×12i198608-198808
main90942-02057×6i198508-198608
LH

16 parts on this diagram · 2 diagrams in section

REAR AXLE SHAFT & HUB — Toyota Parts Diagram with OEM Numbers & Prices | EPC Data