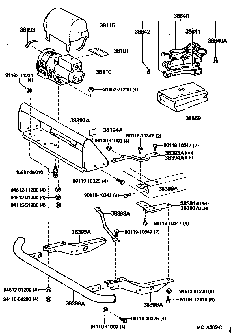
WINCH

38110WINCH ASSY
38116COVER, WINCH
38191PLATE, WINCH CAUTION, NO.1
38193PLATE, WINCH CAUTION, NO.3
38194APLATE, CAUTION, NO.4
38389ABUMPER, WINCH LOWER GUARD
38391AGUSSET, NO.1 CROSSMEMBER, RH
38392AGUSSET, NO.1 CROSSMEMBER, LH
38393ABAR, WINCH SIDE STRUT, RH
38394ABAR, WINCH SIDE STRUT, LH
38395ASTAY, WINCH LOWER, RH
38396ASTAY, WINCH LOWER, LH
38397ABASE, WINCH UPPER
38398ABAR, WINCH CROSS STRUT
38399ABRACKET, SIDE STRUT LOWER
38640SWITCH ASSY, WINCH CONTROL
38640ABULB (FOR WINCH CONTROL SWITCH)
12V 1.4W
38641GASKET (FOR WINCH CONTROL SWITCH)
38642SCREW (FOR WINCH CONTROL SWITCH)
38659COVER, WINCH CONTROL SWITCH
4589735010BOLT, STEERING LOCK SET
main45897-35010
9010112110
main90101-12110
9011910325
main90119-10325
9011910347
main90119-10347
9116271230
main91162-71230
9116271240
main91162-71240
9411041000
main94110-41000
9411551200
main94115-51200
9451201200
main94512-01200
9461211200
main94612-11200
30 parts on this diagram · 3 diagrams in section