E
EPC Data

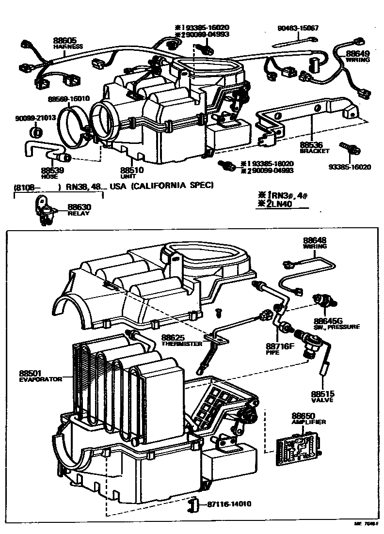
HEATING & AIR CONDITIONING - COOLER UNIT

Parts diagram
88501EVAPORATOR SUB-ASSY, COOLER, NO.1
main88501-89102i197808-198006
main88501-89104i198006-198008
main88501-89105i198008-198108
88510UNIT ASSY, COOLER
main88510-89110i197808-198006
main88510-89112i198006-198008
main88510-89113i198008-198108
88515VALVE, COOLER EXPANSION
main88515-20040i197808-198108
88536BRACKET, COOLING UNIT, NO.1
main88536-89121i198108-198307
88539HOSE, COOLER UNIT DRAIN, NO.1
main88539-89102i198108-198307
main88539-89103i198101-198307
88605HARNESS SUB-ASSY, COOLER WIRING, NO.1
main88605-89112i197808-198108
main88605-89116i198101-198108
main88605-89117i198108-198307
main88605-89120i198108-198307
main88605-89121i198208-198307
main88605-95110i198108-198208
88625THERMISTOR, COOLER, NO.1
main88626-89101i197808-198108
88630RELAY ASSY, COOLER
main88630-60020i198108-198208
CALIFORNIA SPEC
88645GSWITCH, PRESSURE
main88645-22010i198108-198307
88648WIRING, COOLER, NO.1
main88648-12110i197808-198108
88649WIRING, COOLER, NO.2
main88648-89102i197908-198108
main88649-89112i197808-197908
88650AMPLIFIER ASSY, COOLER STABILIZER
main88650-20100i197808-198108
88716FPIPE, COOLER REFRIGERANT LIQUID, F
main88716-89125i197808-198008
main88716-89129i198008-198108
8711614010SPRING, HEATER CASE FASTENING
8856916010CLAMP (FOR COOLER RELAY)
9009904993
9009921013
9046315067
9338516020

19 parts on this diagram · 1 diagram in section

HEATING & AIR CONDITIONING - COOLER UNIT — Toyota Parts Diagram with OEM Numbers & Prices | EPC Data