E
EPC Data

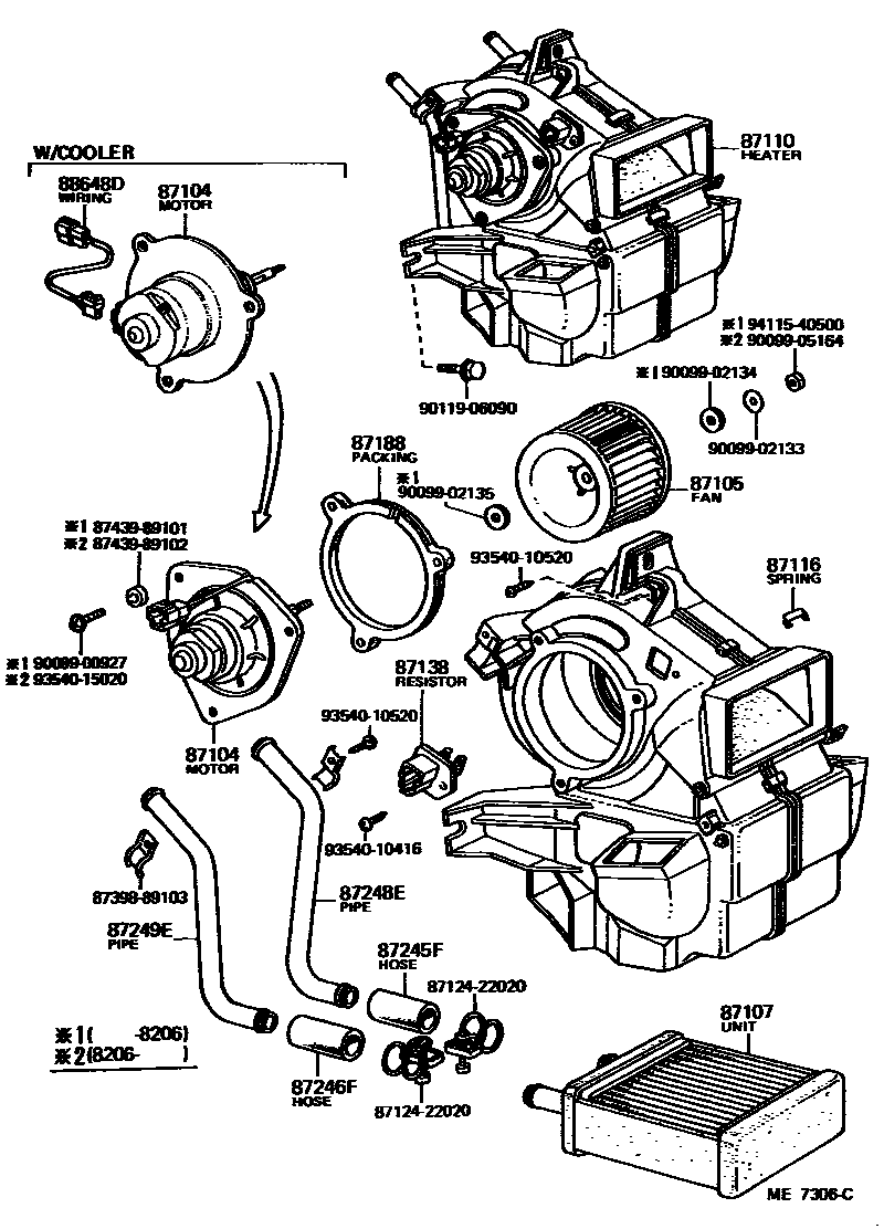
HEATING & AIR CONDITIONING - HEATER UNIT & BLOWER

Parts diagram
87104MOTOR SUB-ASSY, HEATER BLOWER
main87104-95401i197808-198307
main87104-95403i197808-198108
W/COOLER
87105FAN SUB-ASSY, HEATER BLOWER
main87105-12040i197808-198307
87107UNIT SUB-ASSY, HEATER RADIATOR
main87107-89108i197808-198307
main87107-89109i197808-198307
HEAVY DUTY
87110HEATER ASSY
main87110-89129i197808-198108
main87110-89130i197808-198108
HEAVY DUTY
main87110-89133i198108-198307
main87110-89134i198108-198307
HEAVY DUTY
87116SPRING, HEATER CASE FASTENING
main87116-14010×6i197808-198307
87138RESISTOR, HEATER BLOWER
main87138-87003i197808-198108
main87138-87004i197808-198108
W/COOLER
main87138-89103i198108-198307
main88635-89102i198108-198307
W/COOLER
87188PACKING, HEATER BLOWER MOTOR
main87128-22010i197808-198307
87245FHOSE, HEATER WATER, INLET F
main99552-30040i197808-198108
*H,L=40
main99552-30100i198108-198307
*H,L=40
87246FHOSE, HEATER WATER, OUTLET F
main99552-30040i197808-198108
*H,L=40
main99552-30100i198108-198307
*H,L=40
87248EPIPE, HEATER WATER INLET, E
main87248-89114i198108-198307
main87248-89116i197808-198108
87249EPIPE, HEATER WATER OUTLET, E (FOR HEATER UNIT)
main87248-89117i197808-198307
88648DWIRING, BLOWER MOTER
main88648-89101i197808-198108
W/COOLER
8712422020CLAMP, HEATER
8739889103BAND ASSY (FOR COMBUSTION HEATER)
8743989101
8743989102
9009900927
9009902133
9009902134
9009902135
9009905164
9011906090
9354010416
9354010520
9354015020
9411540500

26 parts on this diagram · 2 diagrams in section

HEATING & AIR CONDITIONING - HEATER UNIT & BLOWER — Toyota Parts Diagram with OEM Numbers & Prices | EPC Data