E
EPC Data

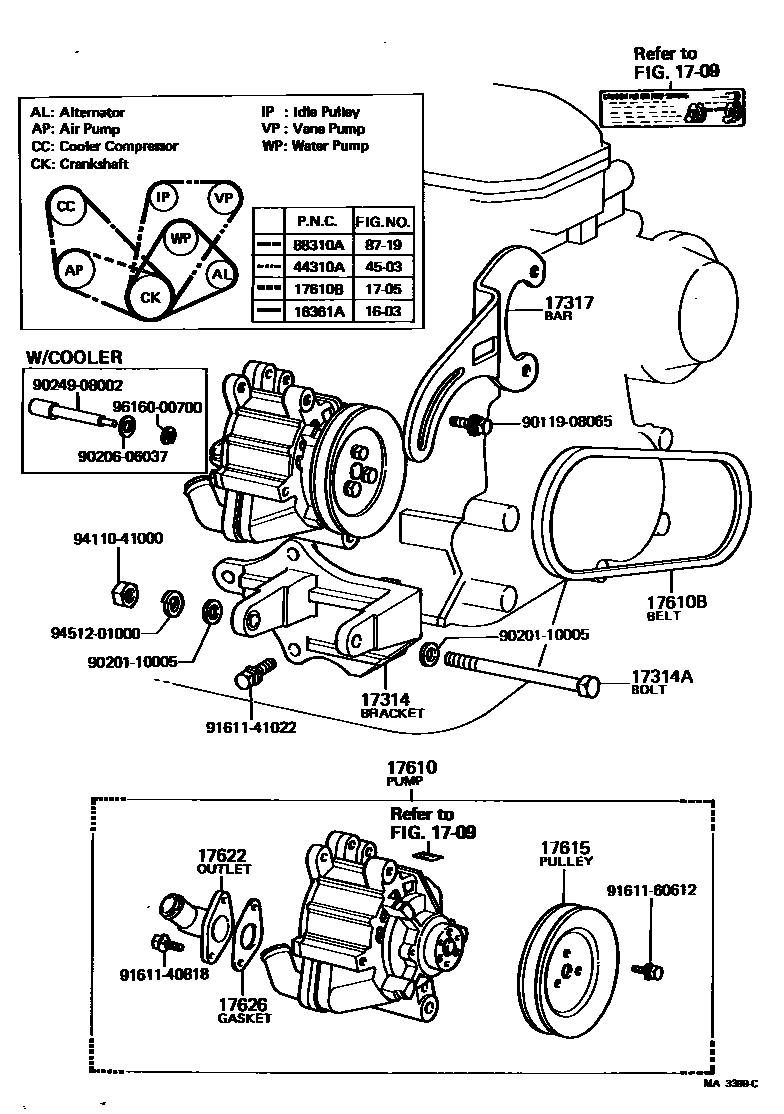
AIR PUMP

Parts diagram
1709CAUTION PLATE & NAME PLATE (ENGINE)
17314BRACKET, AIR PUMP
main17314-35010i198008-198307
CALIFORNIA SPEC
main17314-37010i197908-198008
main17314-38010i197901-197908
17314ABOLT, HEXAGON(FOR AIR PUMP BRACKET SETTING)
main90101-10373i197808-197908
main90101-10463i197908-198008
17317BAR, AIR PUMP ADJUSTING, NO.1
main17317-37010i198008-198010
CALIFORNIA SPEC
main17317-38010i197808-197908
main17317-38020i198010-198307
CALIFORNIA SPEC
17610PUMP ASSY, AIR
main17610-35010i198008-198307
CALIFORNIA SPEC
main17610-38020i197808-197908
main17610-38021i197908-198008
17610BBELT, V(FOR AIR PUMP)
main99332-00865i197808-197908
L=865
main99332-10820i198008-198307
CALIFORNIA SPEC,L=820; L=820
main99332-10830i197908-198008
L=830
17615PULLEY(FOR AIR PUMP)
main17615-35010i198008-198307
CALIFORNIA SPEC
main17615-38010i197808-198008
17622OUTLET, AIR PUMP
main17622-38010i197808-197908
17626GASKET, AIR PUMP OUTLET
main17626-38010i197808-197908
9011908065
9020110005
9020606037
9024908002
9161140818
9161141022
9161160612
9411041000
9451201000
9616000700

19 parts on this diagram · 2 diagrams in section

AIR PUMP — Toyota Parts Diagram with OEM Numbers & Prices | EPC Data