E
EPC Data

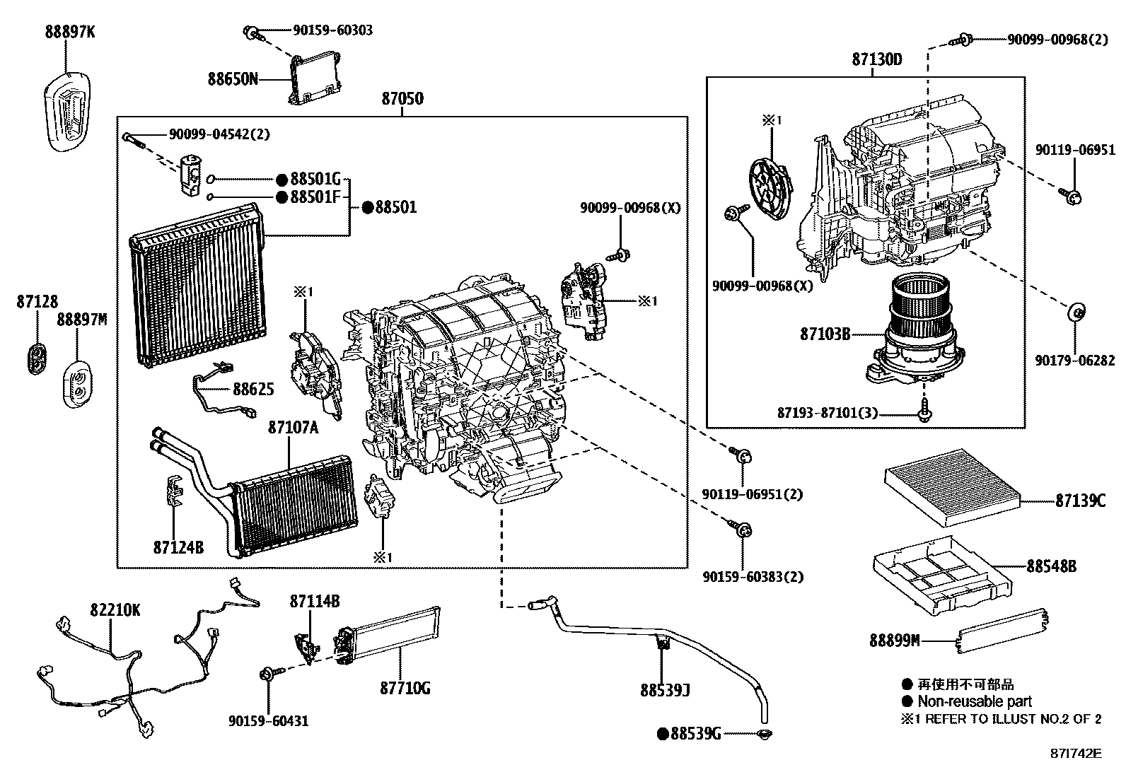
HEATING & AIR CONDITIONING - COOLER UNIT

Parts diagram
82210KHARNESS ASSY, AIR CONDITIONER
main82212-42040i202210-202310
87050RADIATOR ASSY, AIR CONDITIONER
main87050-42B70i202006-202210
87103BMOTOR SUB-ASSY, BLOWER W/FAN
main87103-42120i202006-202210
main87103-78040i202303-202310
87107AUNIT SUB-ASSY, HEATER RADIATOR
main87107-33130i202210-202310
87114BCOVER, HEATER
main87114-48140i202006-202210
87124BCLAMP, HEATER
main87124-33070i202006-202210
87128GROMMET, HEATER
main87128-28010i202006-202210
87130DBLOWER ASSY
main87130-42470i202006-202210
main87130-42491i202303-202310
87139CFILTER, CLEAN AIR
main87139-28020i202006-202210
POLLEN FILTER
main87139-58010i202310
DEODORANT FILTER
87710GQUICK HEATER ASSY
main87710-42050i202006-202210
88501EVAPORATOR SUB-ASSY, COOLER, NO.1
main88501-33350i202006-202210
88501FO-RING, COOLER EVAPORATOR NO.1(DISCHARGE)
main90099-14120i202006-202210
ID=10.8,OD=15.6
88501GO-RING, COOLER EVAPORATOR NO.1(SUCTION)
main90099-14121i202006-202210
ID=13.4,OD=18.2
88539GGROMMET (FOR COOLER UNIT DRAIN HOSE)
main88888-47010i202006-202210
88539JHOSE, DRAIN COOLER
main88539-42090i202006-202210
88548BCASE, AIR FILTER
main88899-47090i202006-202210
88625THERMISTOR, COOLER, NO.1
main88620-28050i202006-202210
88650NAMPLIFIER ASSY, AIR CONDITIONER
main88650-42860i202006-202008
main88650-42861i202009-202103
main88650-42862i202104-202109
main88650-42863i202110-202112
main88650-42A30i202112-202210
main88650-42A70i202210-202211
main88650-42A71i202212-202307
main88650-42A72i202308-202310
main88650-42B10i202310
88897KGROMMET, (FOR COOLER PIPE)
main88899-42140i202006-202210
88897MGROMMET (FOR HEATER PIPE)
main87128-33020i202006-202210
88899MPLATE, COVER(FOR AIR FILTER)
main88899-47120i202006-202210
8719387101
9009900968
9009904542
9011906951
9015960303
9015960383
9015960431
9017906282

29 parts on this diagram · 2 diagrams in section

HEATING & AIR CONDITIONING - COOLER UNIT — Toyota Parts Diagram with OEM Numbers & Prices | EPC Data