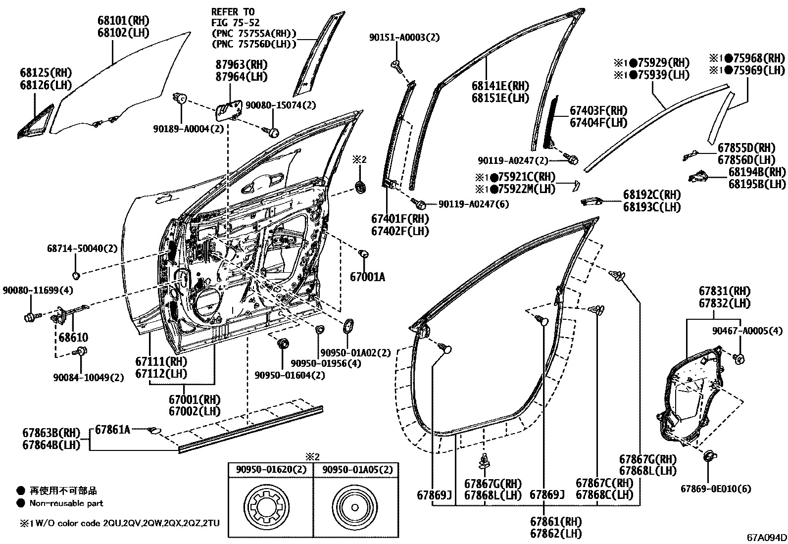
FRONT DOOR PANEL & GLASS

67001PANEL SUB-ASSY, FRONT DOOR, RH
67001ACUSHION, FRONT DOOR PANEL
67002PANEL SUB-ASSY, FRONT DOOR, LH
67111PANEL, FRONT DOOR, OUTER RH
67112PANEL, FRONT DOOR, OUTER LH
67401FFRAME SUB-ASSY, FRONT DOOR, FRONT LOWER RH
67402FFRAME SUB-ASSY, FRONT DOOR, FRONT LOWER LH
67403FFRAME SUB-ASSY, FRONT DOOR, REAR LOWER RH
67404FFRAME SUB-ASSY, FRONT DOOR, REAR LOWER LH
67831COVER, FRONT DOOR SERVICE HOLE, RH
67832COVER, FRONT DOOR SERVICE HOLE, LH
67855DPROTECTOR, FRONT DOOR PANEL, RH
67856DPROTECTOR, FRONT DOOR PANEL, LH
67861WEATHERSTRIP, FRONT DOOR, RH
67861ARETAINER(FOR FRONT DOOR WEATHERSTRIP)
67862WEATHERSTRIP, FRONT DOOR, LH
67863BWEATHERSTRIP, FRONT DOOR, NO.2 RH
67864BWEATHERSTRIP, FRONT DOOR, NO.2 LH
67867CRETAINER, FRONT DOOR WEATHERSTRIP, RH
67867GRETAINER, DOOR WEATHERSTRIP, RH
67868CRETAINER, FRONT DOOR WEATHERSTRIP, LH
67868LRETAINER, DOOR WEATHERSTRIP, LH
67869JCLIP, FRONT DOOR WEATHERSTRIP
68101GLASS SUB-ASSY, FRONT DOOR, RH
68102GLASS SUB-ASSY, FRONT DOOR, LH
68125GLASS, FRONT DOOR FIX WINDOW, RH
68126GLASS, FRONT DOOR FIX WINDOW, LH
68141ERUN, FRONT DOOR GLASS, RH
68151ERUN, FRONT DOOR GLASS, LH
68192CSEAL, FRONT DOOR BELT, FRONT RH
68193CSEAL, FRONT DOOR BELT, FRONT LH
68194BSEAL, FRONT DOOR BELT, REAR RH
68195BSEAL, FRONT DOOR BELT, REAR LH
68610CHECK ASSY, FRONT DOOR
7552MOULDING
75921CTAPE, BLACK OUT, NO.1 RH
0 OR 1PIECE,REF.ILL.
75922MTAPE, BLACK OUT, NO.1 LH
0 OR 1PIECE,REF.ILL.
75929TAPE, BLACK OUT FRONT DOOR, INNER UPPER RH
0 OR 1PIECE,REF.ILL.
75939TAPE, BLACK OUT FRONT DOOR, INNER UPPER LH
0 OR 1PIECE,REF.ILL.
75968TAPE, BLACK OUT FRONT DOOR, INNER REAR RH
0 OR 1PIECE,REF.ILL.; BODY STRIPE-WITH,0 OR 1PIECE,REF.ILL.
75969TAPE, BLACK OUT FRONT DOOR, INNER REAR LH
0 OR 1PIECE,REF.ILL.; BODY STRIPE-WITH,0 OR 1PIECE,REF.ILL.
87963COVER, OUTER MIRROR INSTALL HOLE, RH
87964COVER, OUTER MIRROR INSTALL HOLE, LH
678690E010PLATE, WEATHERSTRIP, CENTER DOOR, UPPER
main67869-0E010
6871450040
main68714-50040
9008011699
main90080-11699
9008015074
main90080-15074
9008410049
main90084-10049
90119A0247
main90119-A0247
90151A0003
main90151-A0003
90189A0004
main90189-A0004
90467A0005
main90467-A0005
9095001604
main90950-01604
9095001620
main90950-01620
9095001956
main90950-01956
9095001A02
main90950-01A02
9095001A05
main90950-01A05
57 parts on this diagram · 2 diagrams in section