E
EPC Data

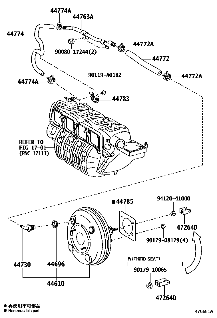
BRAKE BOOSTER & VACUUM TUBE

Parts diagram
44610BOOSTER ASSY, BRAKE
main44610-0R011i200811-201301
main44610-0R021i200811-201301
THIRD SEAT-WITH
44696GROMMET, CHECK VALVE
main90080-48071i200811-201301
44730VALVE ASSY, VACUUM CHECK(FOR BRAKE)
main44730-12070i200811-201301
44763ATUBE, HOSE TO HOSE, NO.1
main44763-0R010i200811-201301
44772HOSE, CHECK VALVE TO CONNECTOR TUBE
main44772-0R010i200811-201301
44772ACLIP(FOR CHECK VALVE TO CONNECTOR TUBE)
main90467-16014×2i201106-201301
main96133-41500×2i200811-201105
44774HOSE, UNION TO CONNECTOR TUBE
main44774-0R010i200811-201301
44774ACLIP(FOR UNION TO CONNECTOR TUBE HOSE)
main96133-41500×2i200811-201301
44783CLAMP, VACUUM HOSE
main44783-42020i200811-201301
main44783-42030i200811-201301
44785GASKET, BRAKE BOOSTER
main44785-02060i200811-201301
47264DCLEVIS, BRAKE MASTER CYLINDER PUSH ROD
main47264-06040i201206-201301
THIRD SEAT-WITH
main47264-12060i200811-201301
main47264-48020i200811-201206
THIRD SEAT-WITH
9008017244
90119A0182
9017908179
9017910065
9412041000

17 parts on this diagram · 2 diagrams in section

BRAKE BOOSTER & VACUUM TUBE — Toyota Parts Diagram with OEM Numbers & Prices | EPC Data