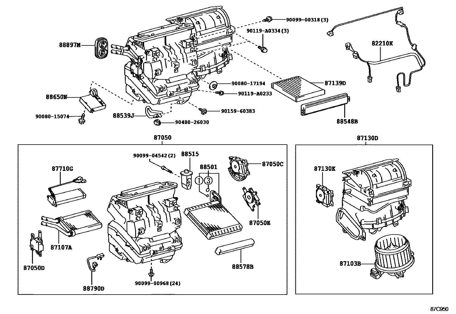
HEATING & AIR CONDITIONING - COOLER UNIT

82210KHARNESS ASSY, AIR CONDITIONER
87050RADIATOR ASSY, AIR CONDITIONER
87050CDAMPER SERVO SUB-ASSY, AIR CONDITIONER RADIATOR, NO.1
87050DDAMPER SERVO SUB-ASSY, AIR CONDITIONER RADIATOR, NO.2
87050EDAMPER SERVO SUB-ASSY, AIR CONDITIONER RADIATOR, NO.3
87103BMOTOR SUB-ASSY, BLOWER W/FAN
87107AUNIT SUB-ASSY, HEATER RADIATOR
87130DBLOWER ASSY
87130KDAMPER SERVO SUB-ASSY, BLOWER, NO.1
87139DELEMENT, AIR REFINER
MICRO DUST FILTER
MICRO DUST FILTER
DEODORANT FILTER
87710GQUICK HEATER ASSY
88501EVAPORATOR SUB-ASSY, COOLER, NO.1
88515VALVE, COOLER EXPANSION
88548BCASE, AIR FILTER
88578BPACKING, COOLING UNIT, NO.1
88790DTHERMISTOR ASSY
88897MGROMMET (FOR HEATER PIPE)
9008015074
main90080-15074
9008017194
main90080-17194
9009900318
main90099-00318
9009900968
main90099-00968
9009904542
main90099-04542
90119A0233
main90119-A0233
90119A0334
main90119-A0334
9015960383
main90159-60383
9048026030
main90480-26030
28 parts on this diagram · 2 diagrams in section